|
|

楼主 |
发表于 2007-8-31 00:20:25
|
显示全部楼层
来自: 中国广东江门
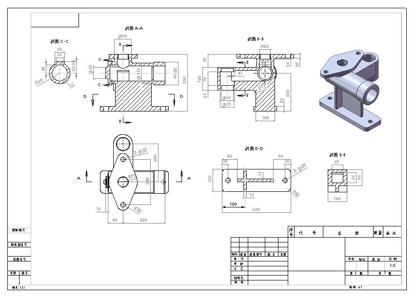
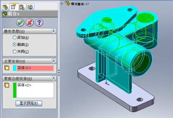
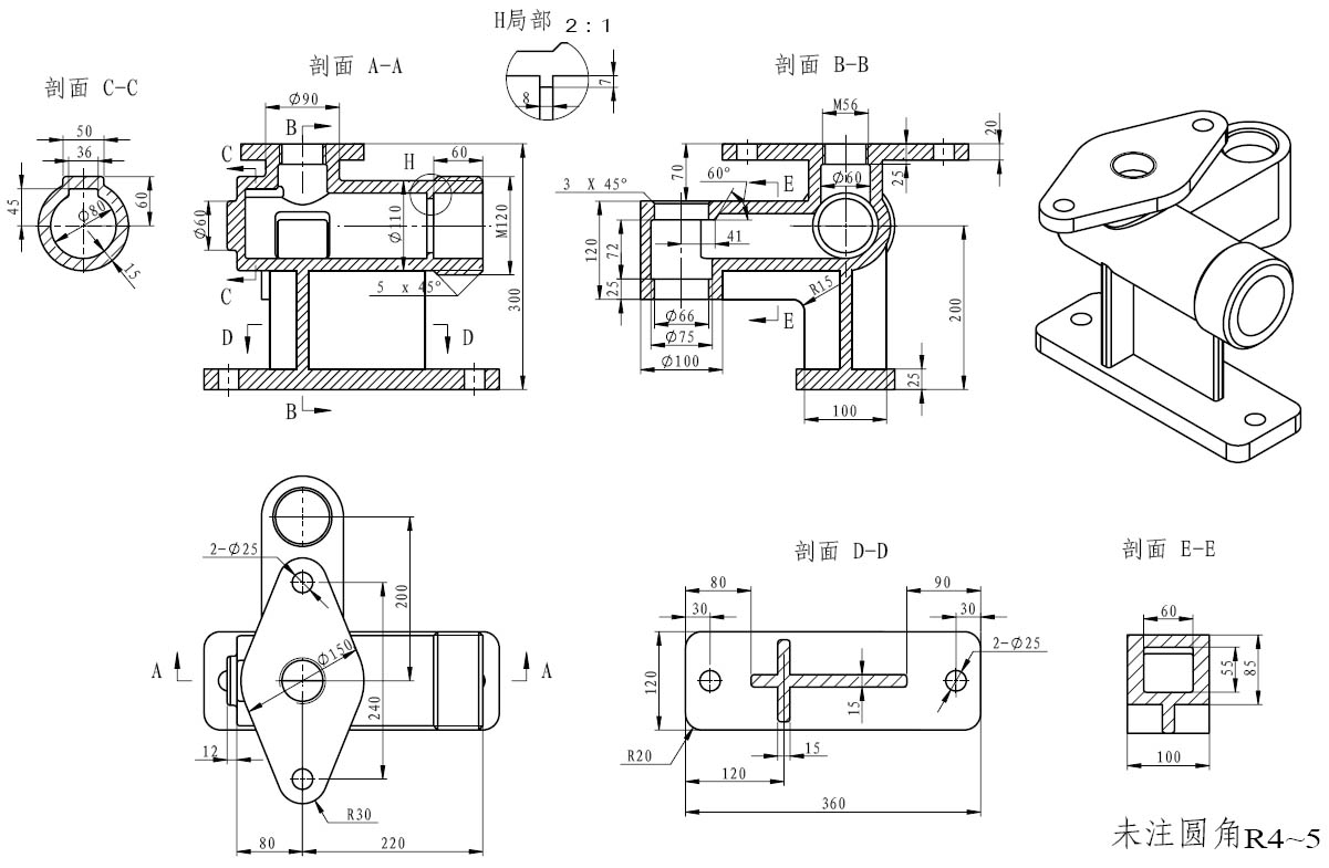
3楼的做是做出来了,鼓励一下,但你没有按照题目要求来做,题意是要:采用多实体方法独立设计内腔形态来做的!
- b1 S9 j/ y. P
2 y3 f; a" z+ E+ E9 M8 T/ I: E6 y: p0 Y+ Z% _, S6 f9 Y# p
注意:要采用独立内腔形态来作的!
2 m- I, l9 m }) N; Q0 E& B
6 Q6 C' V+ R) }9 H下面给个参考答案,解压后把两个零件文件放在同一个文件夹下!
+ n# Y" i. x$ {% j' I) b# D. y* w. z, Z! v' K% ^# B! \
[ 本帖最后由 gudufei 于 2007-8-31 00:25 编辑 ] |
|