QQ登录

只需一步,快速开始

登录 | 注册 | 找回密码

三维网

 找回密码
 注册

QQ登录

只需一步,快速开始

展开

通知     

查看: 3190|回复: 18
收起左侧

[已解决] 对于这个系统实在是没办法

[复制链接]
发表于 2007-9-5 08:23:56 | 显示全部楼层 |阅读模式 来自: 中国安徽铜陵

马上注册,结识高手,享用更多资源,轻松玩转三维网社区。

您需要 登录 才可以下载或查看,没有帐号?注册

x
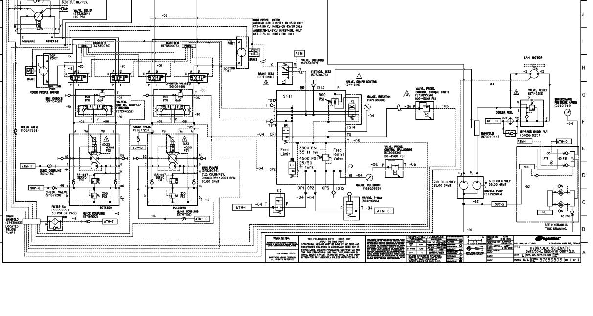
这台设备共有三台,可其中一台一年内要出现两次泵损坏,并且集中在双联泵(叶片泵)上,而其他设备正常,另外这台设备一到夏天泵的吸油压力就不稳偏低,三台设备换一样的油,对该系统检查很久,找不到真正的原因.想请大家办我分析一下,泵损坏原因在什么位置.补充一点,泵损坏的现象是双联泵叶片和配油盘磨损严重,并且叶片有断角现象.附图:一个图分成两块  h* n! {4 L6 e

6 D; Z/ [2 n( P; y0 G6 h, [3 ^& u 图二.JPG # i/ M; G1 `$ {* C
图一.JPG
发表于 2007-9-5 08:29:25 | 显示全部楼层 来自: 中国河南安阳
泵的磨损与液压油的质量有很大的关系,是否彻底的清理过液压系统。
发表于 2007-9-5 08:36:55 | 显示全部楼层 来自: 中国浙江绍兴
丹尼逊的泵对油液的污染还是有一定的抵抗能力的!8 Q/ \$ `6 a; R% Q
不过看不清图啊!

评分

参与人数 1三维币 +2 收起 理由
9619 + 2 积极应助

查看全部评分

发表于 2007-9-5 08:38:39 | 显示全部楼层 来自: 中国江苏无锡
是否有吸油过滤器,看下吸油过滤器是否是否堵塞,个人感觉是吸油不好的原因.

评分

参与人数 1三维币 +2 收起 理由
9619 + 2 积极应助

查看全部评分

发表于 2007-9-5 11:39:11 | 显示全部楼层 来自: 中国河北邢台
油箱的空气滤清器有没有不通畅,我遇到过这种情况,油泵吸油老是有噪音,怎么也找不原因,最后把空滤器拿下来没事了,才知道是这个元件造成的。

评分

参与人数 1三维币 +2 收起 理由
9619 + 2 积极应助

查看全部评分

发表于 2007-9-5 12:40:25 | 显示全部楼层 来自: 中国上海
我认为楼上几位的讲法是对的,泵严重磨损不是油赃有铁削之类的杂质进去就是泵内油量不足引起的干摩擦,你现在的情况很可能就是吸油不顺畅引起泵内干摩擦了,请检查泵的吸油路,包括吸油过滤器是否堵塞型号匹配,吸油管路是否压力损失大,空气滤清器是否容量够用

评分

参与人数 1三维币 +2 收起 理由
9619 + 2 积极应助

查看全部评分

发表于 2007-9-5 12:57:12 | 显示全部楼层 来自: 中国广东佛山
可能存在以下原因:3 _6 g5 `4 O2 _& U4 g
1、油箱内部与外界的气流交换通不顺畅,造成油箱内大气压偏低,从而造成吸油负压增大,吸油能力降低或不稳定,而夏天气温高,油温也高于冬季,油温增加粘度减少,进一步恶化吸油能力,吸油真空度增加,油液中的气体容易淅出,在油泵中产生气蚀,从而造成油泵损坏。5 a6 C" z9 ]4 @1 `. N/ @
2、油箱到油泵的这一段管路有路气,气体进入油泵,而造成泵的损坏,这个可以通过观察油箱的油的颜色来确定,进气的油呈乳化状心,油液中是气泡。
3 o# W1 g! X  ?2 ]. K3、油泵与电机联接是否保证同轴度要求,如果偏差太大,会造成油泵偏心运转而损还,损坏现象主要是,配流盘和叶片都磨损严重。* m/ S* C6 K+ ~  e+ n. O! b# h* ?
4、在安装油泵时,是对油泵吸油口或出油口进行过更改。有可能在更改的过程没有将泵胆的定位销与泵壳体的定位孔对上,而造成泵胆没有定位,在这种状态下也会出泵损坏,现象与第三点相似。
( e3 R* ?9 P2 e6 |3 t6 x! k2 t3、4点都有一共同的表面现象,工作时油泵噪声比较大,随着压力的增加而增大相当明显,而空载时则正常是相差不大的,而且在8MPa以下与正常机器如果不仔细听也感觉不出来。高于8MPa就会比较明显了。- x" c, o* m6 n9 ^
$ X- q' ~" `) C' B1 i# O* I
楼主可以从这几方面着检查一下。也许不是很难搞哦.

评分

参与人数 2三维币 +5 收起 理由
晨砂 + 2 认真参与,再加些!
9619 + 3 积极应助。

查看全部评分

发表于 2007-9-5 13:57:06 | 显示全部楼层 来自: 中国上海
泵吸空了很容易坏的,尤其是丹尼逊的泵,我们碰到过好多次

评分

参与人数 1三维币 +2 收起 理由
9619 + 2 积极应助

查看全部评分

发表于 2007-9-5 20:27:11 | 显示全部楼层 来自: 中国安徽铜陵
记得楼主此问题以前好象讨论过,还没解决啊!应该就是吸油压力的问题!双联泵我想不会同时坏的吧,应该低压大流量的那个泵先出现问题。建议楼主将相关资料整理一下以附件形式上传,但不宜过大。

评分

参与人数 1三维币 +2 收起 理由
9619 + 2 积极应助

查看全部评分

发表于 2007-9-5 21:13:23 | 显示全部楼层 来自: 中国天津
建议楼主首先检查一下系统中的滤器,有时候看起来挺复杂的问题就是由很简单的问题引起的。

评分

参与人数 1三维币 +2 收起 理由
9619 + 2 积极应助

查看全部评分

 楼主| 发表于 2007-9-6 18:32:06 | 显示全部楼层 来自: 中国安徽铜陵

回复 #9 晨砂 的帖子

确实和晨砂版主讲的一样,另外一个没问题,大流量的那个始终损坏.
发表于 2007-9-7 23:49:42 | 显示全部楼层 来自: 中国河北廊坊
大家说得都不错,也基本上全了,我说一个我遇到过的现象吧,不知道楼主所用的系统中,吸油管是什么样的,如果是软管,可检查一下,看是否是内壁剥离但未脱落,造成泵吸空现象时有发生,加快泵的损坏.

评分

参与人数 1三维币 +2 收起 理由
9619 + 2 积极应助。

查看全部评分

发表于 2007-9-8 06:10:23 | 显示全部楼层 来自: 中国吉林长春
提一点大家都没注意的:泵的机械安装位置。8 ^7 P  J$ s& u
( R( H7 `5 b7 T6 u) ^
泵在安装时,泵转子轴与电机的转子轴距离是否合理,距离不够是泵容易早期磨损。

评分

参与人数 1三维币 +2 收起 理由
9619 + 2 积极应助

查看全部评分

发表于 2007-9-10 16:18:54 | 显示全部楼层 来自: 中国河南郑州
尼逊的泵对油液的污染还是有一定的抵抗能力的!) E& o) x8 d0 r/ G4 O
需要概况
发表于 2007-9-10 21:48:25 | 显示全部楼层 来自: 中国安徽铜陵
个人认为sgmsgm66 (有一说一)说得有道理!另外在他的基础上补充一点,是否进油管接头处有漏气现象,造成泵也有吸空现象!请楼主再查查看。
发表于 2007-9-12 18:31:43 | 显示全部楼层 来自: 中国河北廊坊
楼主的问题处理完了嘛,如果处理完了,应该给大家一个交待才好呀,也好让大家全明白究竟是怎么回事
发表于 2007-9-12 20:20:52 | 显示全部楼层 来自: 中国河北廊坊
多谢版主认可,有时间要多多联系
发表于 2007-9-12 20:26:08 | 显示全部楼层 来自: 中国河南郑州
泵磨损杂质是一方面(上面以给出详细分析),电机与泵连接精度低也会出现”叶片扫镗“造成磨损,精度底可能有以下两方面的原因:6 ^/ G: N3 J$ _6 [& A
1)先天性的缺陷:联轴器、泵架等件加工精度不满足要求; D6 O4 }1 d3 E/ p' T* S
2)后天造成的:如在使用过程中,焊缝损坏,造成泵架刚度差、连接不稳,再加上工作时的振动也会造成运转不畅
 楼主| 发表于 2007-9-12 21:16:18 | 显示全部楼层 来自: 中国安徽铜陵

回复 #17 sgmsgm66 的帖子

在这之前,以上的办法我都试过,都没效果
发表回复
您需要登录后才可以回帖 登录 | 注册

本版积分规则


Licensed Copyright © 2016-2020 http://www.3dportal.cn/ All Rights Reserved 京 ICP备13008828号

小黑屋|手机版|Archiver|三维网 ( 京ICP备2023026364号-1 )

快速回复 返回顶部 返回列表