QQ登录

只需一步,快速开始

登录 | 注册 | 找回密码

三维网

 找回密码
 注册

QQ登录

只需一步,快速开始

展开

通知     

全站
8天前
查看: 3392|回复: 12
收起左侧

[讨论结束] AC220V到DC110V设计方案问题

 关闭 [复制链接]
发表于 2007-9-16 16:16:11 | 显示全部楼层 |阅读模式 来自: 中国河北石家庄

马上注册,结识高手,享用更多资源,轻松玩转三维网社区。

您需要 登录 才可以下载或查看,没有帐号?注册

x
我想用AC220V电源经桥式整流后直接接大电容滤波,再经MOSFET管调整后得DC110V20A电源给直流电机供电,现在有几个问题想和大家讨论一下:
" N2 r/ ^& c& x4 y1、这个方案可行吗?
; Z! G' @7 e" S" {. {, K5 j2、大电容容量如何确定?电容太大后会不会对供电系统产生大的电流冲击? + l0 j+ M, e, }6 e8 E
3、MOSFET用IR250,600V25A,其驱动用IR2811,可行否,大家有更好的建议吗? 7 m+ f. t1 r2 o5 @  {2 w  }
4、PWM控制器用TL494. 3 j) t# k5 D/ ~/ F1 E7 {7 F" C
5、由一稳压管提供基准电压,由两个电阻串联组成输出电压采样电路.,由LM158对电压误差信号作比例运算控制TL494的模拟输入,从而形成环控制。8 J: }% f0 C6 H. t* C! n; n

, B8 @% K! T8 r6 `8 i1 J敬请各位高手指教!. Z! a" M: Y8 Q3 l' }0 }

/ I% K/ |2 u4 ]( `% `/ \! U$ M: a[ 本帖最后由 bdblbyq 于 2007-10-10 11:11 编辑 ]
发表于 2007-9-18 19:40:42 | 显示全部楼层 来自: 中国上海
我也来讨论: 8 D( c* ^/ w' X. ~/ \% x# X
1。因搂主未给出具体的电路图(或部分原理图),因而也只能在此谈些看法:
, f$ m& i5 x5 A4 U# s" _+ q: _2。对于第1点:“这个方案可行吗?”,不同的电路拓扑结构,就有不同的运行方式。现缺电路图就很难下个定论!
4 N& r# \5 N7 ^2 o3。按现给出的条件:  c$ d, a" r  Z. l( N3 o, c' B. d
对于第2点前半个问题,可由二个办法来解决。& K5 M: O0 L' J. Y4 h' v" R# ~
其一:可用经验值来估算
  V/ y  ]' y7 |& ?1 p" b: w      按照已给定的输入电源220VAC(应考虑有±20%的波动电压),经桥式整流后直接接大电容滤波,每输入功率瓦约需1μf的电容量。并从给定的输出功率得知为2200瓦,折算到输入功率约(现取η=0.78)2684瓦,则可取此电容量约为2200μf~3000μf。/ Q: u# B% G& a4 E4 C
其二:可按以下的图1详细计算获得,即:从电容滤波后的纹波电压范围的大小来测算。计算过程略。
" X' v5 R1 J: f5 y1 }' E$ W4。对于第2点后半个问题' u' k# e+ t- o! ~7 R3 F( l
      一般在电源的输入回路中串接一个合理并匹配的NTC器件,就可简单地避免对供电系统造成涌浪电流的冲击。
. j4 t4 }5 e+ Y5 B$ B/ w5 S5。对于第3点:MOSFET的选用,也因未给出具体的接法,不好妄下定论。
" i4 J+ \( H- ^" O6。还有你选用储能转换器件吗?是否需强电隔离? 2 `9 P; B3 C! B) T
7。另未给定直流电机的运行参数,所以不知你设计变换后的“110VDC/20A”电源,此电源输出容量是否已包含了直流电机的启动电流(启动电流值一般取值为3~6倍的直流电机额定运转电流值)的恶劣工况条件。否则还得加大直流输出值!
8 C5 |3 V( G' C" `8。又因接的是直流电机(感性负载),所以一定要注意直流输出端口的保护。其简易方法见图3,保护原理是:D1可阻断由直流电机产生的高电压向直流输出端口的冲击,D1和D2的串联可吸收直流电机产生的反向电压。! Q% V( L8 e' f# f& o! i& [
9。对于上述6~8点,都直接关系到电子开关式降压器的制作品质和用电安全,并涉及到很具体的又关联影响到整个的设计方案和设计参数的配置,在这里只能搁笔。/ E. ~/ K% t5 ]9 o; F2 R
10。我建议还是选用IR公司的智能电源模块控制芯片,除有TL494基本的PWM调制所需的基本功能外,它有其它比较先进的控制功能。如:绿色模式、软启动、过载保护、过流保护、过压保护、过热保护等特性,这是TL494早期的PWM控制器没有的,可考虑使用! ) c) v, a) v; D8 B, d3 t, y
11。你可到www.irf.com.cn查找和选用适合的智能电源模块控制芯片并有应用实例提供。2 d$ m; V* k8 g  K: o. d: ?
12。对于第4、5点,由于我是主张使用智能电源模块控制芯片,所以也只好略谈了。
( d2 ^9 B8 c# i$ Z) \* R* Z% F; D/ e13。以上仅表个人意见,还望搂主见谅。8 w% P0 R  F9 R, J: A
14。也望大伙一起来参与、探讨和发表自己的主见。4 I0 }! u3 f5 [9 \3 o: z
3 t8 A& J: e8 N
[ 本帖最后由 zhous_ch 于 2007-9-18 20:26 编辑 ]
addc-2.JPG
addc-1.JPG
addc-3.JPG

评分

参与人数 1三维币 +15 收起 理由
bdblbyq + 15 应助

查看全部评分

发表于 2007-9-18 23:56:13 | 显示全部楼层 来自: 中国北京
根据搂主所述,应该是开关电源,控制芯片采用 TL494, 驱动采用 IR2811, 功率管使用 600V25A。
! ^4 b. P9 s/ fTL494 控制应无问题,600V 的 MOSFET 应该接成半桥或全桥耐压才够,25A 的 MOSFET 采用半桥电路输出功率达不到,采用全桥拓扑结构达到110V25A的输出功率也有困难,恐怕需选用更大电流的管子。9 Q9 g6 {3 y* Z
/ V" \  W7 C. p0 ~2 b
开关电源比较复杂,尤其是搂主所述的大功率电源,里面技术细节需要经验积累。

评分

参与人数 1三维币 +5 收起 理由
bdblbyq + 5 应助

查看全部评分

 楼主| 发表于 2007-10-2 11:27:35 | 显示全部楼层 来自: 中国河北石家庄
近来较忙,才看到各位高手的回复,近两天我将我设计的电路图上传给大家分析。
- K; i% z7 ^3 Y' H1 _祝各位国庆快乐!!
 楼主| 发表于 2007-10-9 14:30:29 | 显示全部楼层 来自: 中国河北石家庄
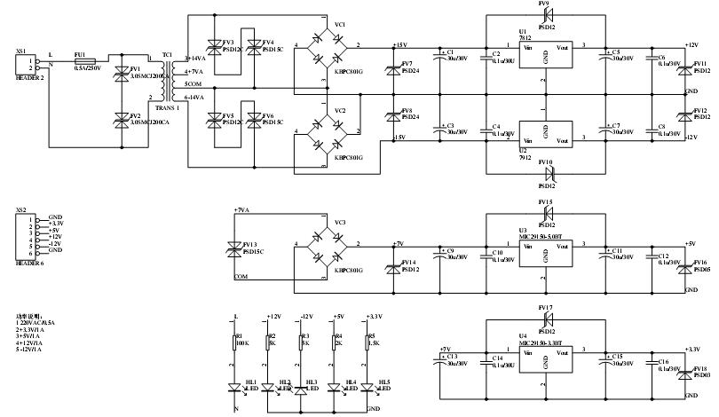
根据所查资料,电路较开始的构想作了一些变动,另外,针对楼上两位DX的改进意见,现将本人设计的直流控制电源及直流驱动电源电路上传给大家,希望大家指评!!( y3 Q7 x4 E: V5 @

3 ~* w8 F% D# z' ?6 v0 `6 W% M直流控制电源主要用于给各种集成电路供电,直流驱动电源主要给两台直流伺服驱动器供电,由直流伺服驱动器驱动直流电机运转,直流电机为400W/160V,驱动器电路正在设计中,到时候也可以和大家共享交流。
, X& R9 I6 r5 ^6 ]  c+ ^! y/ V  N1 `" }
[ 本帖最后由 zzj6886 于 2007-10-9 14:47 编辑 ]
DC24V.JPG
DC160V.JPG

DC24V.pdf

40.95 KB, 下载次数: 3

DC160V.pdf

43.31 KB, 下载次数: 3

评分

参与人数 1三维币 +5 收起 理由
bdblbyq + 5 感谢分享

查看全部评分

发表于 2007-10-9 22:00:11 | 显示全部楼层 来自: 中国北京
个人感觉1 h4 l0 v* B/ `# O, a/ b
DC24V.JPG 中 0 D8 P. {7 _$ `1 O
+/- 12V 电路中3 L; k4 n- s0 D$ P% P
FV1,FV2,FV3,FV4,FV5,FV6,FV7,FV8,FV9,FV10,FV11,FV12 多余,可不用。' v" v4 Y9 X/ Z' t
+5V 电路中
3 E) g: p: H: TFV13,FV14,FV15,FV16 多余,可不用。6 ~) Z+ P; O, Z2 i2 l. f6 n& o
+3.3V 电路中
4 N' x. V5 _: gFV17,FV18 多余,可不用。
发表于 2007-10-9 22:08:09 | 显示全部楼层 来自: 中国北京
个人感觉4 h/ M( G8 H- l
DC160V.JPG 中
3 h+ k9 K8 K$ G. r7 ^0 Z既然已经使用了变压器 TM1,就没必要再使用开关电源方案,可直接
2 q% V) v3 `: s3 r) f将220V 变压整流得到非稳压的160V,一般情况下满足使用要求。
 楼主| 发表于 2007-10-10 10:19:05 | 显示全部楼层 来自: 中国河北石家庄
1、加那些东东主要是为了增加电路的保护性,比如抗静电及其它尖峰电压干扰。
/ C4 c) j; Y3 A* a8 Q2、如果不用稳压,我担心会对伺服系统造成干扰。现在要考虑的是这两个电路有没有什么缺陷,能不能实现预期的功能。
发表于 2007-10-10 16:34:43 | 显示全部楼层 来自: 中国广东汕头
用隔离型全桥驱动型开关电源方案.自己要改N2,N3匝数电流.
* R) p/ f2 L3 K% Z/ s3 u6 G; }. A; k& a1 p9 v% X
[ 本帖最后由 cylzwx 于 2007-10-11 08:47 编辑 ]
pm4040s_.JPG
pm4040s__1.JPG
pm4040s__3.JPG

pm4040.rar

314.48 KB, 下载次数: 6

评分

参与人数 1三维币 +5 收起 理由
bdblbyq + 5 鼓励参与技术讨论、应助!

查看全部评分

 楼主| 发表于 2007-10-10 19:23:55 | 显示全部楼层 来自: 中国河北石家庄
楼主能不能说详细点啊?! _1 }: j, W  s; G: u# U
最好有图,呵呵...
发表于 2007-10-10 21:50:38 | 显示全部楼层 来自: 中国上海
以我之见(仅对二张电源图作探讨):  
! o" x- y+ N2 Y; f. x, g" X$ n1.“DC160V.JPG”中TM1仅作隔离变压器(1:1),它是工作在工频(50Hz),按现功率计算这个变压器是较大的。对于AC/DC开关电源实是多余,它仅起隔离作用而无抗干扰作用。多花钱还占体积,实在没有必要。, k+ ^0 f) H% m: m# }- p/ @8 c
2.7楼说的建议是否可考虑一下:“既然已经使用了变压器 TM1,就没必要再使用开关电源方案,可直接将220VAC变压并整流得到非稳压的160VDC,一般情况下满足使用要求。”
4 a: Y. a$ W# a. j( O. v# i3.“DC160V.JPG”中FV7、FV8不应选用稳压管,而是快复二极管并用一个就行了。
1 \3 t2 H+ r2 m3 H6 Z6 F1 _4.“DC24V.JPG”中FV9、FV10、FV15、FV17也不应选用稳压管,而是快复二极管。9 W6 X, Q8 `7 N6 M
5.“DC160V.JPG”中L2的电感量(10mH)选得太大,一般选用0.2~2 mH就够了,否则会造成开关转换失效。它是与V1的开关频率有关。开关频率选得越高,L2的电感量就小,反之开关频率选得越低,L2的电感量就大。& ~8 |; W$ z) k; Q
6.再则:驱动二个直流电机,是否有必要选用开关电源? 而且需要自制,我认为没必要这样做(除非想研究或试制)。
) J1 ?9 L: e+ n* d' A0 d7.你可以购买现成的电源产品来使用,如:可控硅电子调功器(直流输出型的)、大功率的AC/DC开关电源(输出为高电压大电流的)。" ^, _! K- ?) z# g! Z1 v  o/ e
8.“DC24V.JPG”中还有好多种辅助电源,不知派何用?太复杂了,我建议还是选用智能电源模块控制芯片,可省却辅助电源和不少元器件。 ' U  v- t# o+ D9 V& }5 d) L' Z$ A
9.现提供一张IR公司的产品,此图为300W的升压电路(供参考和借签之用)。3 ?  S" u! M, p: ^3 ^9 i7 Q& M
10.  如果:把图中的Q1_D、S极移位至L2之前并相串接,添加IR2110去控制Q1_G极,再把D2也去掉,就能转变成降压电路了!! ]6 B( w$ Z' ^' |7 j/ c( `+ Z' S
11.图1为产品数据表,图2为电路原理图,图3为产品实物图。
3 {) h- k1 R  z5 W; i12。之所以推荐此图,其目的就是图中有好多元件的选择及参数设置是如何处理的,绝对有参照和对比价制。
" b2 T) P* [% I/ U! p
" @5 J3 w, L, b, E[ 本帖最后由 zhous_ch 于 2007-10-12 19:13 编辑 ]
300W-1.JPG
300W-2.JPG
300W-3.JPG

评分

参与人数 1三维币 +10 收起 理由
bdblbyq + 10 鼓励参与技术讨论、应助!

查看全部评分

 楼主| 发表于 2007-10-11 23:59:11 | 显示全部楼层 来自: 中国河北石家庄

回复 #11 zhous_ch 的帖子

非常感谢9楼、11楼两位兄弟的指教! * `2 }! F5 x) t
1、上述两图只是我整个系统中的电源部分,最终电源地和信号地要共地并与安全地(即大地)共连,所以,必须和交流电源隔离。 2 X% A. w6 b5 P' t' u- _
2、直接整流得到如果想获得较大功率,比如本系统的峰值功率可能达到1.2kw,而且,要给伺服系统供电,象这种动态负载的场合,如果想在全功率范围内获得较好的直流性能,那得需要多大的电容啊? 5 _  Q) [9 f" _( e/ K- E$ G
3、同意楼主说法,这点考虑有误,另,FV不是稳压管,而是瞬态电压抑制二极管。:)
* Q0 \& [6 p' J6 X8 `, X! R4、同上,但也应可用瞬态电压抑制二极管。:) $ }( J( ~- b; N$ D' Y1 p1 S5 K$ [
5、这个参数没计算,因为没顾得上找相关资料,楼主能不能提供点,呵呵...
1 P& H; H* h) C& @* \" r6、不幸被楼主言中,呵呵....,以前没搞过这方面的东东,心里一直痒痒的,现在正好有这个机会,正想研究研究,呵呵....:loveliness:
8 W* F: u% ?! S7 x! u1 F7、谢谢你的建议,作为后备手段吧。:)
8 ^$ A1 C3 g8 ~) T3 H8、+3.3V用于单片机系统,+5V用于接口电路,+15V-15V用于运放电路。这样可能会省点钱,呵呵...:loveliness:
  M1 I& `  F  @; }$ W+ j1 A3 m% m9、谢谢你的资料,

评分

参与人数 1三维币 +5 收起 理由
bdblbyq + 5 时刻关注、参与自己帖子的讨论

查看全部评分

 楼主| 发表于 2007-10-16 10:43:45 | 显示全部楼层 来自: 中国河北石家庄
怎么没人关注了呢?7 L- v# S/ N/ M/ S! d- L7 ~7 s
请高手们继续讨论啊!
发表回复
您需要登录后才可以回帖 登录 | 注册

本版积分规则


Licensed Copyright © 2016-2020 http://www.3dportal.cn/ All Rights Reserved 京 ICP备13008828号

小黑屋|手机版|Archiver|三维网 ( 京ICP备2023026364号-1 )

快速回复 返回顶部 返回列表