QQ登录

只需一步,快速开始

登录 | 注册 | 找回密码

三维网

 找回密码
 注册

QQ登录

只需一步,快速开始

展开

通知     

全站
4天前
查看: 4190|回复: 14
收起左侧

[讨论] 制动器的种类和工作原理

[复制链接]
发表于 2007-9-20 16:24:50 | 显示全部楼层 |阅读模式 来自: 中国山西太原

马上注册,结识高手,享用更多资源,轻松玩转三维网社区。

您需要 登录 才可以下载或查看,没有帐号?注册

x
制动器是运转设备很重要的仃车装置,同时也是设备操作的安全保证。请大家讨论一下制动器的种类有哪些,它们的工作原理是什么?
 楼主| 发表于 2007-9-21 09:50:55 | 显示全部楼层 来自: 中国山西太原
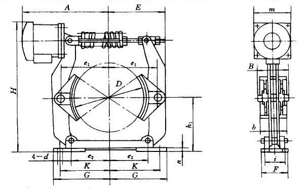
我先开个头,抛砖引玉。最常用的是电磁铁离合器,与电磁铁拉矸连接的两个杠杆上安装两个制动块,制动块内有制动轮,当电磁铁通电时,电磁铁拉杆就将制动块压紧在制动轮上,制动轮就仃止转动。当电磁铁仃止通电后,在电磁铁拉杆上的弹簧就通过杠杆将制动块离开制动轮,与制动轮连接的转动部件又可自动旋转。
6 r# L/ |$ \7 W4 W( F6 ~+ ?- R" C. j  L8 A) A
[ 本帖最后由 gaoyns 于 2007-9-21 14:10 编辑 ]
电磁铁制动器.jpg

评分

参与人数 1三维币 +3 收起 理由
zyxwq + 3 积极讨论

查看全部评分

发表于 2007-9-21 11:56:16 | 显示全部楼层 来自: 中国山东青岛
能上个图片就好了.
! F5 ?+ T' k5 K  s9 ~' t# F# O我的计算机被限制了,不能上传
发表于 2007-9-21 18:04:28 | 显示全部楼层 来自: 中国北京
好多都是抱死旋转轴的,直线轴的有没有人见过或用过,比如油缸缸杆抱死..请赐教!
发表于 2007-9-21 19:06:31 | 显示全部楼层 来自: 中国广东
设备工作的时候,压力油从顶上的孔进来,推动活塞向右移动,松开摩擦片,中间的轴可以转动。+ E) ?% _4 U$ W4 A! }
设备不工作的时候,油压消失,活塞在弹簧力的作用下,向左移动,压紧摩擦片,使轴不能转动。从而实现停车制动。
' Q, X3 |  p! s  A% `2 s0 C 常闭式制动器.jpg

评分

参与人数 1三维币 +3 收起 理由
zyxwq + 3 积极讨论

查看全部评分

发表于 2007-9-21 19:38:20 | 显示全部楼层 来自: 中国辽宁大连
制动器的种类有:按照工作环境可分为干式和湿式;按照结构形式可分为带式和盘式;按照使用方式可分为常开式和常闭式。盘式又可分为多盘式和单盘钳式。
 楼主| 发表于 2007-9-22 08:21:51 | 显示全部楼层 来自: 中国山西太原

回复 #4 xinoujixie 的帖子

往复行程的制动我见到过的有两种,一是在油缸底部安一个可调节的顶杆,当活塞碰到顶杆就仃下来。还有一种是用行程开关控制,在油缸外的活塞杆上,安一个触头,当行至要求距离时,触头碰行程开关触点油泵电机仃转,活塞仃止移动而达到制动。
发表于 2007-9-22 12:30:27 | 显示全部楼层 来自: 中国北京
多谢楼上-这也是一种一种办法,不足之处在于不能抱死,当负载为脉动方式时,由于油液的弹簧效应会来回运动也即刚性不足...经常碰见这样的事,烦啊;! C1 ?# V4 Q+ r# k& ^. w
另,5楼的好像是油压减速机的刹车,能否告诉联系方法--以短信方式?谢过!  V8 b- t' ~: j: \8 l& g2 U/ C

9 a4 A( m$ s3 X& I4 C- O2 c  @[ 本帖最后由 xinoujixie 于 2007-9-24 13:50 编辑 ]
发表于 2007-9-22 16:09:15 | 显示全部楼层 来自: 中国河北保定
和汽车制动器的分类一样
, h9 h+ P& D5 u: U3 X% l分为盘式制动器和鼓式制动器
发表于 2007-9-22 16:45:00 | 显示全部楼层 来自: 中国甘肃兰州
1. 机械制动器一般为轧瓦式。抱制动盘(轮),或涨制动盘。: B, U/ f; ~9 g3 i! X
2. 制动电机应该算一种。
: ^  A4 J( f2 v3. 制动力矩要求大的,制动器也有采用液压的。) B/ O/ H; B. S$ J! ?0 y
4. 卷扬机的制动采用手拉闸把。/ Z" @- m. |& D. X* q
5. 有采用开关使电机换向,使电产生反力矩进行制动的。
发表于 2007-9-22 17:04:47 | 显示全部楼层 来自: 中国浙江宁波
1。摩托车与汽车制动比较相似,通过摩擦片与制动盘产生摩擦力阻力制动
" V0 E/ _) Q- Z! a  E2。一些轻载的采用轴瓦抱紧旋转轴产生制动! _8 V; X/ S+ W3 m: R2 d5 m7 a! e& l
3。重型液压,轻载机械拉闸
发表于 2007-9-22 21:43:34 | 显示全部楼层 来自: 中国四川成都
种类很多!* j6 F, `0 |) I3 g
先举一个:弹簧加压电磁离合制动器:是由弹簧力产生制动力,电磁释放的一种干式单片摩擦制动器
发表于 2007-9-22 22:07:35 | 显示全部楼层 来自: 中国云南昆明
www.sibre.cn是专门做制动器的公司,大家可以上去看看.
4_21.jpg
4_26.jpg
4_35.jpg
发表于 2007-9-22 22:15:43 | 显示全部楼层 来自: 中国云南昆明
在起重行业中,使用的锥形电机本身就靠锥形转子制动.
02215.jpg
发表于 2010-5-30 22:18:27 | 显示全部楼层 来自: 中国黑龙江哈尔滨
5# myfunction . n9 [; z, c- d

& W& D8 N' h8 S- J! ^7 B* T) \这位兄弟  我看你有制动阀的CAD图  麻烦发给我好吗    感谢啊   急用   
+ a! b, Z$ Q7 D1 ?% L我的邮箱panfan209@163.com      很感谢啊
发表回复
您需要登录后才可以回帖 登录 | 注册

本版积分规则

Licensed Copyright © 2016-2020 http://www.3dportal.cn/ All Rights Reserved 京 ICP备13008828号

小黑屋|手机版|Archiver|三维网 ( 京ICP备2023026364号-1 )

快速回复 返回顶部 返回列表