|
|

楼主 |
发表于 2007-9-21 22:13:43
|
显示全部楼层
来自: 中国河南三门峡
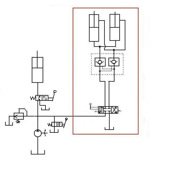
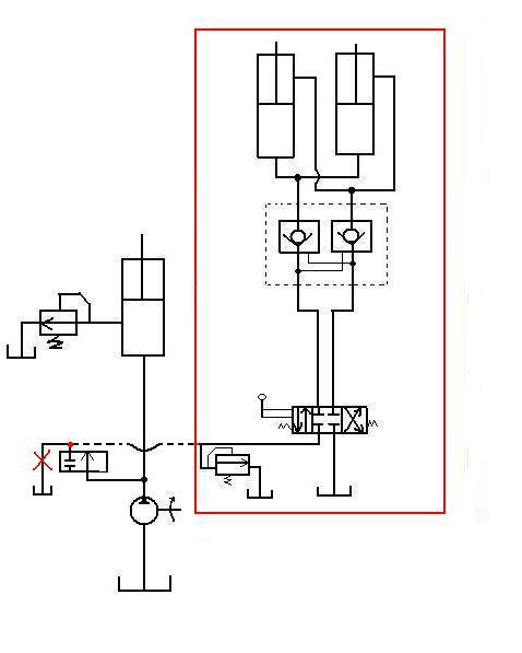
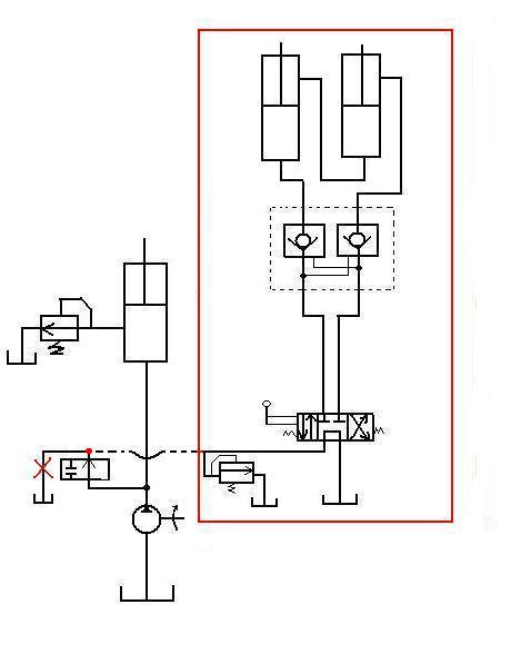
谢谢大家的提醒,断开原有的两位两通阀的A腔,接至34SO阀的P口后,的确如你们所说的:举升油缸在货箱的重力作用下,是打不开溢流阀的,导致货箱无法下落。那么换成34SW阀是否可行?% T5 h6 D$ n: [4 Q3 h' i1 j
4 w% l, k- w: V- L5 \补充说明:现在加装的双向油缸分别安装在自卸车后档的左右两个下角,开关自卸车后档用的,后档上端是铰链连接着。现加装的部分和原车的液压系统不是共同工作,而是先后分别工作的。1 I7 K* F& h2 ?0 n6 v
/ m. }4 X: _; [5 [开始卸货时,先接通齿轮泵,由于行驶时两位两通阀在右位,P、A腔是连通着的,只需先扳动三位四通阀至右位, 接通两个双向油缸的有杆腔,活塞杆回缩,拉动Z型机构使后档脱钩,后档在货物的外张力作用下打开。然后扳三位四通阀手柄到中位,断开两个双向油缸,液压油由三位四通阀的O腔流回油箱。接着扳两位两通阀手柄到左位,使P、A断开,举升油缸开始工作,货箱举升卸货。1 z. s9 `3 H- p- i4 x- V4 s9 n
卸货完毕后,扳两位两通阀到右位接通P、A,举升油缸在货箱重力作用下开始下落,液压油经三位四通阀的O腔流回油箱。然后扳动三位四通阀手柄到左位,无杆腔开始工作,活塞杆顶住Z型机构使后档压紧,由液压锁保压。扳动三位四通阀手柄到中位。至此液压系统工作完毕,断开齿轮泵。整个过程齿轮泵大约工作十分钟。
" v% n% P, H* {( ^! j: N! n) Z+ f+ `! V/ v. o( z
简单地说:接通齿轮泵------扳动34SW阀到右位(此时两位两通阀PA口相通着)打开后档------扳34SW阀手柄到中位关闭双向油缸------扳两位两通阀到右位(PA口关闭)举升油缸工作------扳两位两通阀到左位举升油缸回缩------扳动34SW阀到左位关闭后档------扳动34SW阀到中位关闭双向油缸------断开齿轮泵
1 T; S* q5 l# s6 `1 S% k C: H, U- [# G* {5 \' k7 x" P' }
[ 本帖最后由 烟灰键盘 于 2007-9-21 22:57 编辑 ] |
|