QQ登录

只需一步,快速开始

登录 | 注册 | 找回密码

三维网

 找回密码
 注册

QQ登录

只需一步,快速开始

展开

通知     

查看: 3502|回复: 17
收起左侧

[已解决] 这种轴套的油槽如何加工?

 关闭 [复制链接]
发表于 2007-9-26 19:57:11 | 显示全部楼层 |阅读模式 来自: 中国江苏泰州

马上注册,结识高手,享用更多资源,轻松玩转三维网社区。

您需要 登录 才可以下载或查看,没有帐号?注册

x
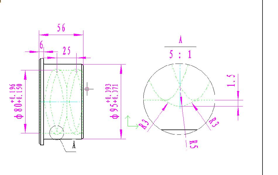
请教!这种油槽形状为圆弧型不知可采用何种方法加工?
未命名.JPG
发表于 2007-9-26 20:22:53 | 显示全部楼层 来自: 中国江苏扬州
很典型的∞槽结构
( d* q' q* G0 a1 q3 g& [
1 l9 _4 U, X/ u+ P& a[ 本帖最后由 hhdd2006 于 2007-9-26 20:34 编辑 ]

01.pdf

25.3 KB, 下载次数: 51

02.pdf

32.48 KB, 下载次数: 39

评分

参与人数 1三维币 +3 收起 理由
飞天小猪 + 3 应助

查看全部评分

发表于 2007-9-27 00:29:01 | 显示全部楼层 来自: 中国重庆
如果量大,可以用二楼说的方法,如果量很小,就用车床走正反螺旋线进行加工,不过最好手动扳动主轴,自动好像会切出边界
发表于 2007-9-27 07:15:02 | 显示全部楼层 来自: 中国江苏常州
大型轴套上我们是钳工用旋转锉或片砂轮磨出。
发表于 2007-9-27 08:17:05 | 显示全部楼层 来自: 中国山西太原
可在万能铣床用分度头挂轮铣削,用圆盘铣刀,也可用小模数齿轮铣刀代用。用铣螺旋线的方法加工。
发表于 2007-9-27 10:03:31 | 显示全部楼层 来自: 中国山东济宁
铸造的时候不知道能不能加工出来,如果是双金属的轴套的话,应该能在铸造过程中加工,不过精度不高
发表于 2007-9-27 12:47:39 | 显示全部楼层 来自: 加拿大
对油槽来说,一般精度要求不高.小件我们用车铣中心做,大件用数控铣床做,刀是镗刀,刀片和螺纹刀差不多.
 楼主| 发表于 2007-9-27 14:37:13 | 显示全部楼层 来自: 中国江苏泰州

回复 #5 gaoyns 的帖子

我也想这样做,不过手头没有什么参考资料,能详细的介绍下吗?
 楼主| 发表于 2007-9-27 14:44:31 | 显示全部楼层 来自: 中国江苏泰州

回复 #2 hhdd2006 的帖子

多谢指教啊,又学到了,还请教当使用横划板调整油槽的深度时,紧固在卡抓上的夹具又需要调整吗?
发表于 2007-9-27 15:08:26 | 显示全部楼层 来自: 中国新疆乌鲁木齐
这种油槽,可以在车床上直接加工,一俩件,车工只接靠操作进刀,大批量需要用一个靠模进行加工,主要控制刀具左右的进给量,同时主轴速度要打到最慢的一档
发表于 2007-9-27 19:34:43 | 显示全部楼层 来自: 中国黑龙江佳木斯
其实没必要那么富杂,由于没有精度要求,钳工手工用角磨机加工即可,加工后用圆锉修圆棱角即可.
发表于 2007-10-2 02:03:27 | 显示全部楼层 来自: 中国台湾
這數車就可以加工拉........但是刀片要自己研磨...
发表于 2007-10-2 02:48:36 | 显示全部楼层 来自: 中国江苏扬州
我猜测是用电火花加工的,不然的话,太难了,
发表于 2007-10-2 21:46:21 | 显示全部楼层 来自: 中国湖北宜昌
上数控车床编程加工.
发表于 2007-10-4 09:34:33 | 显示全部楼层 来自: 加拿大

回复 #13 fj.zhh 的帖子

没你想象的难,以前那厂每月都有这种货要做,上面那个如果是铜的,我想也就10分钟左右,
发表于 2007-10-7 10:43:01 | 显示全部楼层 来自: 中国天津
油槽而已,在车床上靠手工进刀加工就可以,如果零件不十分重要,直接手工磨制也可以。
发表于 2007-10-7 16:08:20 | 显示全部楼层 来自: 中国河北廊坊
我‘看最好的办法:
# a  G& v7 h: W1 o磨成型刀具,直接加工;
发表于 2010-8-2 18:36:28 | 显示全部楼层 来自: 中国广东佛山
我们这个也不好做!
Snap7.jpg
Snap8.jpg
发表回复
您需要登录后才可以回帖 登录 | 注册

本版积分规则


Licensed Copyright © 2016-2020 http://www.3dportal.cn/ All Rights Reserved 京 ICP备13008828号

小黑屋|手机版|Archiver|三维网 ( 京ICP备2023026364号-1 )

快速回复 返回顶部 返回列表