QQ登录

只需一步,快速开始

登录 | 注册 | 找回密码

三维网

 找回密码
 注册

QQ登录

只需一步,快速开始

展开

通知     

全站
6天前
查看: 2321|回复: 11
收起左侧

[讨论] 关于插装阀的应用

[复制链接]
发表于 2007-10-8 14:18:24 | 显示全部楼层 |阅读模式 来自: 中国广东江门

马上注册,结识高手,享用更多资源,轻松玩转三维网社区。

您需要 登录 才可以下载或查看,没有帐号?注册

x
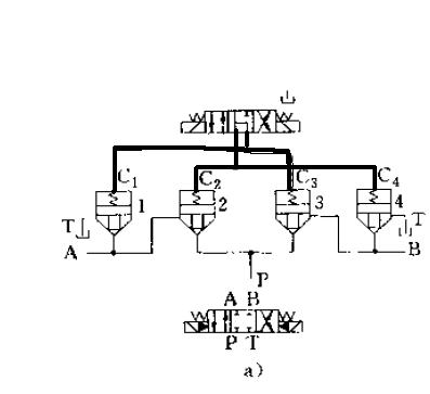
最近在看插装阀,想用插装阀来带替常规三位四通电磁阀。在很多手册上可以看到中位(即不带电是O型(PABT都不通)和H型(PABT都相通)的插装阀组合回路。现在我想用这种组合代替J型三位四通电磁阀(即中位时PA不通,BT相通)。不知有没有高手用过。我把我的想法贴出来供大家讨论,不知是否有更好的办法。
O型.jpg
J型.jpg
发表于 2007-10-8 15:27:41 | 显示全部楼层 来自: 中国江苏无锡
为什么要替换呢!没有特殊的要求还是用普通的阀比较好!楼主的图是厂家的阀块图吗?我发一张!想知道楼主用在那里?: H! K+ T% r5 R, Z" H# O8 k

4 p; D9 U4 G) h+ x' Z7 ?, y[ 本帖最后由 wuwanfu 于 2007-10-8 16:15 编辑 ]
未命名.JPG
发表于 2007-10-8 16:01:28 | 显示全部楼层 来自: 中国湖南长沙
可能用插装阀结构紧凑些,我也没有这样用过。
 楼主| 发表于 2007-10-8 17:45:51 | 显示全部楼层 来自: 中国广东江门
因为如果大流量的话,用普通阀会很贵,而且大流量阀交货期长。所以现在插装阀已经用到很多设备上。我们的设备暂时还未用到,我是打算改进一下,试试。
 楼主| 发表于 2007-10-9 13:05:40 | 显示全部楼层 来自: 中国广东江门
难道这种插装阀组合大家都没用吗.不对吧,我看到许多设备上有用插装阀组合的,而且许多单独的液压站上,炼钢设备上都有用.还请大家多多讨论.另外我这个图主要参考了济宁泰丰的插装阀集成块.我们插装阀胆都是用他们的.
发表于 2008-11-23 23:36:57 | 显示全部楼层 来自: 中国陕西西安
楼主和二楼两个图原理是一样的,一个是从实际出发,一个事原理图而已
0 g. ^0 v) I& Q8 v$ L我是新手,不敢多说话,学习中
发表于 2008-11-24 09:47:02 | 显示全部楼层 来自: 中国湖北武汉
这种是模块化了的,考虑所有工况选择了任何时候都通用的插件。也可以根据需要定做。定做的话可以根据流动方向设置布局并选择合适面积比的插件,同样通径的阀块压力损失更小,通流量更大。
发表于 2008-11-25 13:07:29 | 显示全部楼层 来自: 中国湖南长沙
1、应用插装阀可以解决大流量的问题,我就设计过主油路100多L的系统,普通换向阀根本不行6 p: M1 b8 @4 u; S
2、插装阀打开和关闭油路是通过连通邮箱,进行回路换接(见2楼图),这可以避免系统中有预压力时,普通换向阀的滑芯由于受预压力使得位置调整困难,难以实现目标功能8 B# W1 v. v  B5 K8 F6 c4 C: n
3、插装阀可以通过组合,实现各种逻辑回路换接,不受结构影响/ y! H! ^, h" u7 L$ k2 X9 ]
) G! `2 k# [' p' }6 G& q
版主如果觉得有道理,加点分咯,我新人,急需三维币啊!
发表于 2009-4-23 21:58:39 | 显示全部楼层 来自: 中国湖北鄂州
原理图中的三个单向阀作用?
发表于 2009-5-21 16:55:18 | 显示全部楼层 来自: 中国北京
谢谢了............
发表于 2009-5-21 20:37:52 | 显示全部楼层 来自: 中国辽宁沈阳
你把带叉号那儿封死,再调整电气动作.否则加的电磁阀把油全给泻了.
20071008_adec2be3d7fa176fa839gRHCX9wtunET.jpg
发表于 2009-5-27 11:50:10 | 显示全部楼层 来自: 中国湖北十堰
有类似问题,学习学习。
发表回复
您需要登录后才可以回帖 登录 | 注册

本版积分规则

Licensed Copyright © 2016-2020 http://www.3dportal.cn/ All Rights Reserved 京 ICP备13008828号

小黑屋|手机版|Archiver|三维网 ( 京ICP备2023026364号-1 )

快速回复 返回顶部 返回列表