QQ登录

只需一步,快速开始

登录 | 注册 | 找回密码

三维网

 找回密码
 注册

QQ登录

只需一步,快速开始

展开

通知     

全站
2天前
查看: 1780|回复: 4
收起左侧

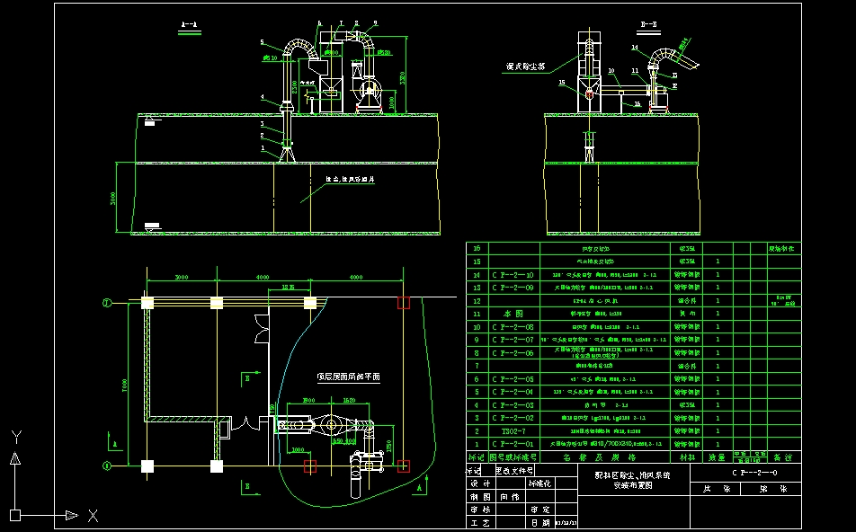
[分享] 除尘系统图

[复制链接]
发表于 2007-10-17 10:36:29 | 显示全部楼层 |阅读模式 来自: 中国黑龙江佳木斯

马上注册,结识高手,享用更多资源,轻松玩转三维网社区。

您需要 登录 才可以下载或查看,没有帐号?注册

x
除尘系统图

除尘系统图.rar

755.44 KB, 下载次数: 115

发表于 2007-10-17 10:38:36 | 显示全部楼层 来自: 中国广东东莞
楼主能否说明一下用途?
发表于 2007-10-17 10:54:24 | 显示全部楼层 来自: 中国浙江宁波
(我发现中国人的习惯很不好!经常不上截图,这样就会浪费别人的时间)$ V0 H0 j7 p: O7 {" L
附上截图. F  A% [9 m) x1 @: [9 T- B

; I# g. I6 ~7 o! R, ]4 U: b% H- W8 N[ 本帖最后由 David_dai 于 2007-10-17 10:56 编辑 ]

文件解压后

文件解压后
除尘,排风系统布置图.jpg
机房除尘系统.jpg
机房送风系统.jpg
发表于 2007-10-17 18:12:16 | 显示全部楼层 来自: 中国安徽合肥
不是习惯不好!一般发图纸的都是新用户,还没有熟悉论坛设施,不要说中国人不好,难道你叫david的不是中国人吗?
发表于 2007-10-17 18:17:19 | 显示全部楼层 来自: 中国广东惠州
同意楼上的说法 别什么东西都网自己身上推
发表回复
您需要登录后才可以回帖 登录 | 注册

本版积分规则

Licensed Copyright © 2016-2020 http://www.3dportal.cn/ All Rights Reserved 京 ICP备13008828号

小黑屋|手机版|Archiver|三维网 ( 京ICP备2023026364号-1 )

快速回复 返回顶部 返回列表