QQ登录

只需一步,快速开始

登录 | 注册 | 找回密码

三维网

 找回密码
 注册

QQ登录

只需一步,快速开始

展开

通知     

查看: 3584|回复: 19
收起左侧

[讨论] 搞工艺的朋友-这工件得如何排工艺好啊

[复制链接]
发表于 2007-10-24 19:55:00 | 显示全部楼层 |阅读模式 来自: 中国上海

马上注册,结识高手,享用更多资源,轻松玩转三维网社区。

您需要 登录 才可以下载或查看,没有帐号?注册

x
搞工艺的朋友-这工件得如何排工艺好啊
; [5 B0 p7 d- n" b8 j! [这是一旋转轴上机械密封中的一部件,由于基本上都是小批量生产,以前按自己排的工艺下去,做起来的工件马马乎乎,基本能达到要求,但不是很理想,想请大家帮忙下~~,先看看图纸吧,http://file:///C:/Documents%20and%20Settings/Administrator/桌面/未命名.jpg
未命名.jpg

封油环.rar

47.95 KB, 下载次数: 16

发表于 2007-10-25 21:17:43 | 显示全部楼层 来自: 中国江西南昌
请把图纸放大点,实在看不清楚,因为要知道工件的各个部位的加工要求才能制定工艺的,看不清楚图纸,想帮你也不行啊!!!2 T2 [7 p) V! w" u
可以分为两个附件发,说清楚了就行
发表于 2007-10-25 21:32:58 | 显示全部楼层 来自: 中国福建泉州
下料--锻毛坯--粗车--调质--精车--车螺纹--钻孔--表面处理(镀络)
 楼主| 发表于 2007-10-26 18:41:24 | 显示全部楼层 来自: 中国上海

回复 2# 的帖子

说白了,你着是成心的吗~~?哈~~想刷点也别这么怕浪费嘛~~) S, Y* q5 H. b0 o
不好意思咯~~,我试了下我就是把图分成两个传上来也不是很清楚的,你要真的看清楚,就麻烦浪费点流量吧~
( P! L7 g* V( Rhttp://file:///C:/Documents%20and%20Settings/Administrator/桌面/工艺卡.jpg
1 N( }6 j0 A. l- g
$ d4 K1 W3 _$ L) _( O1 Y[ 本帖最后由 staubli 于 2007-10-26 18:50 编辑 ]
工艺卡.jpg
发表于 2007-10-26 19:25:30 | 显示全部楼层 来自: 中国台湾
尺寸都看不見..可以發張清楚一點的嗎??????
发表于 2007-10-26 20:00:23 | 显示全部楼层 来自: 中国浙江湖州
楼主也不诚心,既然是让别人帮忙,又要别人花流量帮你,
 楼主| 发表于 2007-10-27 12:26:06 | 显示全部楼层 来自: 中国上海
兄弟,能帮我算算一分能换多少流量?1 [" I1 A1 R' c0 \7 a
我这~~48KB东西需要你多少的流量~; A) B: |: }( @4 T7 l6 {, B2 f  y/ d
发的东西是希望能大家相互讨论,你学什么来的?
+ x1 x1 }8 w2 n) Q7 u0 |http://file:///C:/Documents%20and%20Settings/Administrator/桌面/11.jpg
* x: x2 L0 k, x: @6 a8 T3 h6 r! G8 H' P9 G& h
[ 本帖最后由 staubli 于 2007-10-27 12:31 编辑 ]
11.jpg
发表于 2007-11-29 15:33:12 | 显示全部楼层 来自: 中国辽宁朝阳
1,下料3 J% R+ f0 u- d) u" B, ~$ G: r
2.锻造 正火# R: K$ z2 {- Y; s! B- u+ t9 \
3.粗车留量
0 _' n; e8 q, R8 m  S4.调质处理 ; y- i! q6 r8 p( \1 W
5.精车 a 车端面内孔外圆及台阶各处
- `* Q3 x! Z# E& t1 b       b 打表找正车另一端及沟槽处     沟槽样板
& s+ p0 |+ u! g0 Z- P6.划线
* B" X% E7 a8 h: J7.号钻铰孔攻丝

评分

参与人数 1三维币 +2 收起 理由
清风明月008 + 2 应助,鼓励

查看全部评分

发表于 2007-11-30 10:43:48 | 显示全部楼层 来自: 中国河北廊坊
原帖由 新手刚上路 于 2007-11-29 15:33 发表 http://www.3dportal.cn/discuz/images/common/back.gif& D  P; p7 E* l7 y( n9 C; l  a5 i4 g( g
1,下料
) r' ^; @6 ^0 S4 j: e2.锻造 正火, ?% f: v7 t! V0 G. w5 W% V+ _
3.粗车留量
) W) L+ P( r1 Q4.调质处理 + j3 B  `0 ~# l2 E
5.精车 a 车端面内孔外圆及台阶各处# A- n8 S' e* b7 q4 l0 U; I& H4 B
       b 打表找正车另一端及沟槽处     沟槽样板% J# E  R( P! h2 H
6.划线; ~+ y/ y* a: t3 I( w) ]
7.号钻铰孔攻丝
( P6 Y0 {; |* x! r# t
精车时补充一点:最好将标有形位公差部位一次装夹加工完成,留下右端垂直度要求可以上平磨保证。这样既好保证图示要求,也减少装夹找正时间。批量大可以考虑用数控车加工。另外毛坯如是棒料,内孔粗车可以用端面切槽刀套料。

评分

参与人数 1三维币 +1 收起 理由
清风明月008 + 1 应助

查看全部评分

发表于 2007-11-30 12:53:46 | 显示全部楼层 来自: 中国江苏常州
楼主8 ?$ ]2 X+ ^+ z0 E9 @; x
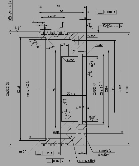
1.6的表面粗糙度  R4 K2 r4 D7 g# X
0.012的同轴度
( v0 Z. Y8 }4 r* Z/ V: e/ `0.010的垂直度
: U2 F! h9 M+ C/ Z% p8 T  L有误吗???

评分

参与人数 1三维币 +1 收起 理由
清风明月008 + 1 提出疑问,很有道理!

查看全部评分

发表于 2007-11-30 17:23:50 | 显示全部楼层 来自: 中国四川成都
这个工件的专门做个 工装比较好~·要不很难保证精度和 形位公差!
发表于 2007-12-1 19:51:36 | 显示全部楼层 来自: 中国河北廊坊
原帖由 idscu 于 2007-11-30 17:23 发表 http://www.3dportal.cn/discuz/images/common/back.gif
; y  O7 ^  Y$ ~' Y' c% Z9 }9 {这个工件的专门做个 工装比较好~·要不很难保证精度和 形位公差!

2 p) r2 s9 w( F( e: D4 q0 v* J批量小做工装不经济,尽可能一次装夹完成形位公差最好。
发表于 2007-12-3 16:27:55 | 显示全部楼层 来自: 中国湖北武汉
公差比较小,应该做工装,不过又是批量所以做工装不是太划算.
发表于 2007-12-16 13:31:16 | 显示全部楼层 来自: 中国黑龙江佳木斯
工装主要应是钻孔工装.
; P, ?6 \6 X# M该件主要是车成,注意车时掉头如何找正即可.
发表于 2007-12-17 11:10:50 | 显示全部楼层 来自: 中国浙江台州
其它工序不说,你的最后两到精车工序,外圆\槽\端面\内孔必须一次加工完成,然后使用内涨夹头,加工内槽端面和底面,这样才能保证行位公差.1 [4 u3 \' d3 y9 n2 E
机床必须使用数控车床(CJK0640等)或者其它车削中心!, C) O3 A8 Q8 g6 c# k2 r
一点建议,供参考!
发表于 2007-12-17 16:41:56 | 显示全部楼层 来自: 中国江苏南京
想请教一下10楼的兄弟,为什么会觉得
; D" l/ V/ c$ ^- U) R: Y1.6的表面粗糙度
7 Q# l6 T4 @8 H# C; H0.012的同轴度7 f7 {& t# X( B  P
0.010的垂直度: g3 q: f, R* w0 P$ }

0 b: w* {- A+ k& v- Z. M' E有问题?
6 u% ?/ O. E" O: Y/ B谢谢
发表于 2007-12-17 20:09:43 | 显示全部楼层 来自: 中国江苏南京
1。先粗车,热处理
) H& i# C1 M2 [* D; j2。加工出直径119、114,底面留点余量5 Q6 g9 f, H3 S
3。用三爪撑119的孔,加工外圆,槽子,75的内孔,车端面。
4 R1 o: Z6 x! Z8 k- @4.在车床上就地车一个靠背令,上面预先打好孔,保证靠背令的平面不跳。用压板压住工件光有垂直度要求的面,车前用百分表找正内圆的圆心。( w) G, \$ I" Q
5.最后打孔
发表于 2007-12-17 21:07:46 | 显示全部楼层 来自: 中国广东
说点不相关的。' l) x8 S  ~6 @& P. c* u
图纸0.01的垂直度与0.012的同轴度并不矛盾。
1 ?2 h- _# k& `& p1 E7 u但是同轴度标注应该跟尺寸线对齐,基准也要跟尺寸线对齐。
发表于 2007-12-23 20:13:53 | 显示全部楼层 来自: 中国浙江湖州
你看一下能不能一次加工完以后在切下来呢,你工件也不长的呀,我想还是可以的哈.
发表于 2007-12-24 12:33:15 | 显示全部楼层 来自: 中国广东广州
你看一下能不能一次加工完以后在切下来呢,你工

评分

参与人数 1三维币 -5 收起 理由
清风明月008 -5 复制他人发言

查看全部评分

发表回复
您需要登录后才可以回帖 登录 | 注册

本版积分规则


Licensed Copyright © 2016-2020 http://www.3dportal.cn/ All Rights Reserved 京 ICP备13008828号

小黑屋|手机版|Archiver|三维网 ( 京ICP备2023026364号-1 )

快速回复 返回顶部 返回列表