QQ登录

只需一步,快速开始

登录 | 注册 | 找回密码

三维网

 找回密码
 注册

QQ登录

只需一步,快速开始

展开

通知     

查看: 4526|回复: 16
收起左侧

[已解决] 无缝钢管是怎么生产出来的?

[复制链接]
发表于 2007-10-26 18:09:28 | 显示全部楼层 |阅读模式 来自: 中国浙江绍兴

马上注册,结识高手,享用更多资源,轻松玩转三维网社区。

您需要 登录 才可以下载或查看,没有帐号?注册

x
无缝钢管是怎么生产出来的?! o; v: j! t8 ]$ g* Q3 W
听人说是用"穿管机"生产的,"穿管机"是怎么个东西?谢谢!
发表于 2007-10-26 22:53:07 | 显示全部楼层 来自: 中国上海
无缝钢管是用实心管坯经穿孔后轧制的。% ]1 m: L. \/ M' ]
! a* Q9 E1 a! Z, \5 W3 [
;1、生产制造方法
8 y. S# R0 h4 Z/ { 按生产方法不同可分为热轧管、冷轧管、冷拔管、挤压管等。$ u/ z; }6 T0 E2 `8 ]1 a
1.1、热轧无缝管一般在自动轧管机组上生产。实心管坯经检查并清除表面缺陷,截成所需长度,在管坯穿孔端端面上定心,然后送往加热炉加热,在穿孔机上穿孔。在穿孔同时不断旋转和前进,在轧辊和顶头的作用下,管坯内部逐渐形成空腔,称毛管。再送至自动轧管机上继续轧制。最后经均整机均整壁厚,经定径机定径,达到规格要求。利用连续式轧管机组生产热轧无缝钢管是较先进的方法。 3 d' m3 _' `2 f: w
1.2、若欲获得尺寸更小和质量更好的无缝管,必须采用冷轧、冷拔或者两者联合的方法。冷轧通常在二辊式轧机上进行,钢管在变断面圆孔槽和不动的锥形顶头所组成的环形孔型中轧制。冷拔通常在0.5~100T的单链式或双链式冷拔机上进行。 & w9 B, O1 v# A, y1 c
1.3、挤压法即将加热好的管坯放在密闭的挤压圆筒内,穿孔棒与挤压杆一起运动,使挤压件从较小的模孔中挤出。此法可生产直径较小的钢管。 % w+ Q9 H  _# ?7 U) ~. b/ J
4 `. _# x( u1 }; j
2、用途
: p+ N' g% I+ n9 E$ j 2.1、无缝管用途很广泛。一般用途的无缝管由普通碳素结构钢、低合金结构钢或合金结构钢轧制,产量最多,主要用作输送流体的管道或结构零件。
/ [1 S  `  V% r1 n, X 2.2、根据用途不同分三类供应:a、按化学成分和机械性能供应;b、按机械性能供应;c、按水压试验供应。按a、b类供应的钢管,如用于承受液体压力,也要进行水压试验。 ' O8 k2 ^. [$ r4 f2 k$ Y9 Q
2.3、专门用途的无缝管有锅炉用无缝管、地质用无缝管及石油用无缝管等多种。
; g8 I1 a) _; t& m8 W! U% n: p+ k
* Z3 s7 l2 D0 o; w# v, c! y* ] 3、种类
. F7 d- p1 J3 d3 E 3.1、无缝钢管按生产方法不同可分为热轧管、冷轧管、冷拔管、挤压管等。
8 r4 h" _/ Y) |& O3 J& }8 d& ? 3.2、按外形分类有圆形管、异形管之分。异形管除方形管和矩形管外,还有椭圆管、半圆管、三角形管、六角形管、凸字形管、梅花形管等。 0 r/ l! b  _4 r- y3 M0 P: t
3.3、按材质的不同,分为普通碳素结构管、低合金结构管、优质碳素结构管、合金结构管、不锈管等。 2 q  S, X- n' t+ P/ g
3.4、按专门用途分,有锅炉管、地质管、石油管等。
7 {$ Z7 p1 m3 P9 [! t6 N' u4 h% a( t  Y8 F3 J1 j
4、规格及外观质量 + d+ Q" Q4 o0 h8 Y  y/ W+ B
无缝管按GB/T8162-87规定
# p0 N& [4 I* B4 Y7 G 4.1、规格:热轧管外径32~630mm。壁厚2.5~75mm。冷轧(冷拔)管外径5~200mm。壁厚2.5~12mm。
0 p# G9 [. V/ | 4.2、外观质量:钢管的内外表面不得有裂缝、折叠、轧折、离层、发纹和结疤缺陷存在。这些缺陷应完全清除掉,清除后不得使壁厚和外径超过负偏差。 3 P8 L& a7 V: J3 U; R9 M- p* D
4.3、钢管的两端应切成直角,并清除毛刺。壁厚大于20mm的钢管允许气割和热锯切割。经供需双方协议也可不切头。
( J( H& u% F7 Z3 a* S& P2 D5 O 4.4、冷拔或冷轧精密无缝钢管《表面质量》参照GB3639-83。
: {4 c- @* W8 [  b/ ~/ b7 D; l
$ a* [& P1 ]$ x6 O/ v/ C5 z7 O 5、化学成分检验
% A& q' r; e8 Q# E: U2 O( T7 O! p7 H2 p8 N 5.1、按化学成分和机械性能供应的国产无缝管,如10、15、20、25、30、35、40、45和50号钢的化学成分应符合GB/T699-88的规定。进口无缝管按合同规定的有关标准检验。09MnV、16Mn、15MnV钢的化学成分应符合GB1591-79的规定。
) v) f9 P% H( ^) T' x 5.2、具体分析方法参照GB223-84《钢铁及合金化学分析方法》的有关部分。
% Z# m& T+ H3 O3 b) t) t 5.3、分析偏差参照GB222-84《钢的化学分析用试样及成品化学成分允许偏差》。
发表于 2007-10-27 13:06:29 | 显示全部楼层 来自: 中国浙江台州
不知用这样的方法能否做出一头封闭的中空物件,如果能的话就可以解决一些深拉深件了。
发表于 2007-10-27 14:33:48 | 显示全部楼层 来自: 中国广西玉林
二楼真专业,我也现在才懂,多谢指教。
发表于 2007-10-27 19:42:04 | 显示全部楼层 来自: 中国山东泰安
我不是这个专业的,还第一次学到这些
发表于 2007-10-30 08:07:53 | 显示全部楼层 来自: 中国江苏苏州
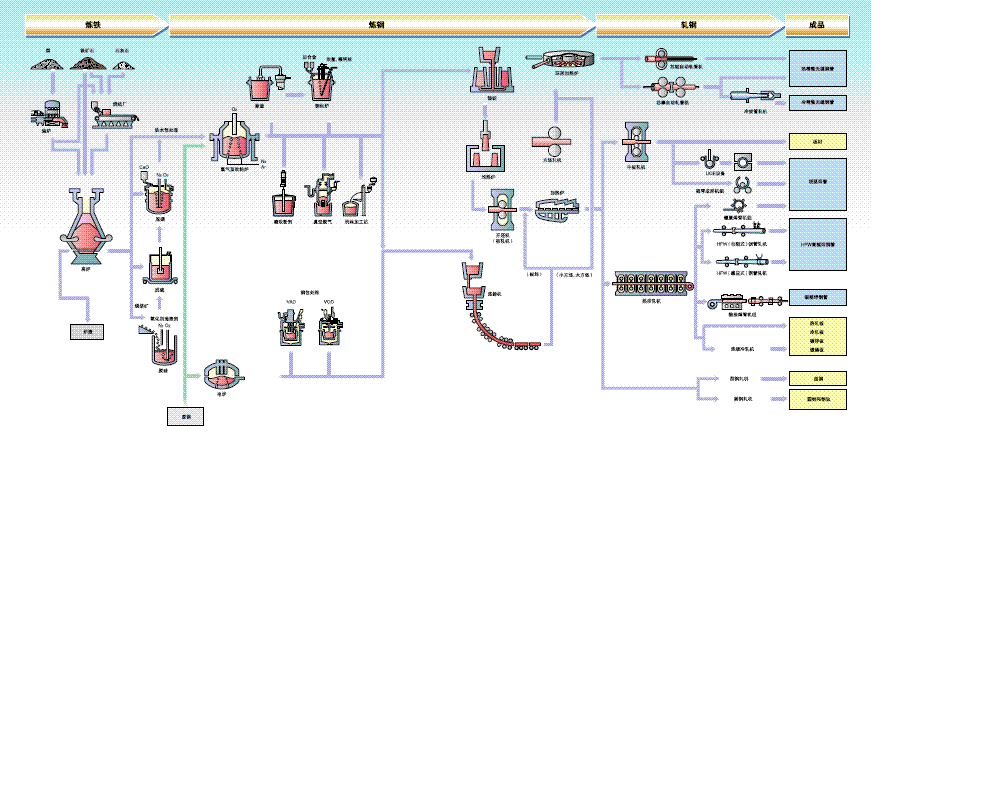
我找了图片,比较清楚。
: b+ `. {: p# i
# h, t4 L. U: l( W% e* W: p[ 本帖最后由 xiaozhang12345 于 2007-10-30 08:09 编辑 ]
无缝管.gif
小口径无缝钢管.jpg
FHW钢管.jpg
 楼主| 发表于 2007-10-30 08:46:21 | 显示全部楼层 来自: 中国浙江绍兴
感谢6楼和2楼配合解说,这下清楚了!三维网就是高人多!!!
发表于 2007-10-31 11:12:33 | 显示全部楼层 来自: LAN
我是搞研发的,经常使用这些管,还真不知道这些是怎么生产出来的,长知识了,谢谢!
发表于 2007-10-31 11:32:15 | 显示全部楼层 来自: 中国天津
建议楼主下载一本叫 PIPING ENGINEERING的书,里面很详细的,而且还是英语。
发表于 2007-11-29 16:21:38 | 显示全部楼层 来自: 中国浙江宁波
非常感谢几位大侠
发表于 2007-12-11 11:53:28 | 显示全部楼层 来自: 中国河北石家庄
非常感谢,谢谢( F0 |2 ^5 w; K1 r
感谢分享
发表于 2007-12-23 11:42:51 | 显示全部楼层 来自: 中国山东济南
不错,学习了,谢谢各位高手
发表于 2008-12-12 10:20:49 | 显示全部楼层 来自: 中国江苏南京
感谢6楼和2楼详细解说
发表于 2008-12-12 10:59:30 | 显示全部楼层 来自: 中国江苏无锡
学习了!
* k% U1 `* x0 d- T. R! Q' }( b之前对无缝钢管的生产加工工艺是了解甚少啊!7 b6 E& `' p  b5 J* j) w
今天看到了图文并茂的解说让我有了基本的认识和了解了!3 q5 Y9 I, }7 y% P) Y) o
谢谢!
发表于 2008-12-14 14:04:07 | 显示全部楼层 来自: 中国浙江温州
二楼真专业,我现在也懂了
发表于 2008-12-15 19:19:04 | 显示全部楼层 来自: 中国北京
不错,学到东西了 ,里面芯棒需要在压机上打出来吧
发表于 2008-12-17 12:18:17 | 显示全部楼层 来自: 中国上海
很多高手阿,那些图片很不错,赞一个~
发表回复
您需要登录后才可以回帖 登录 | 注册

本版积分规则


Licensed Copyright © 2016-2020 http://www.3dportal.cn/ All Rights Reserved 京 ICP备13008828号

小黑屋|手机版|Archiver|三维网 ( 京ICP备2023026364号-1 )

快速回复 返回顶部 返回列表