QQ登录

只需一步,快速开始

登录 | 注册 | 找回密码

三维网

 找回密码
 注册

QQ登录

只需一步,快速开始

展开

通知     

查看: 1894|回复: 7
收起左侧

[讨论结束] 谁有图中单片机的资料??

 关闭 [复制链接]
发表于 2007-10-27 16:21:13 | 显示全部楼层 |阅读模式 来自: 中国浙江宁波

马上注册,结识高手,享用更多资源,轻松玩转三维网社区。

您需要 登录 才可以下载或查看,没有帐号?注册

x
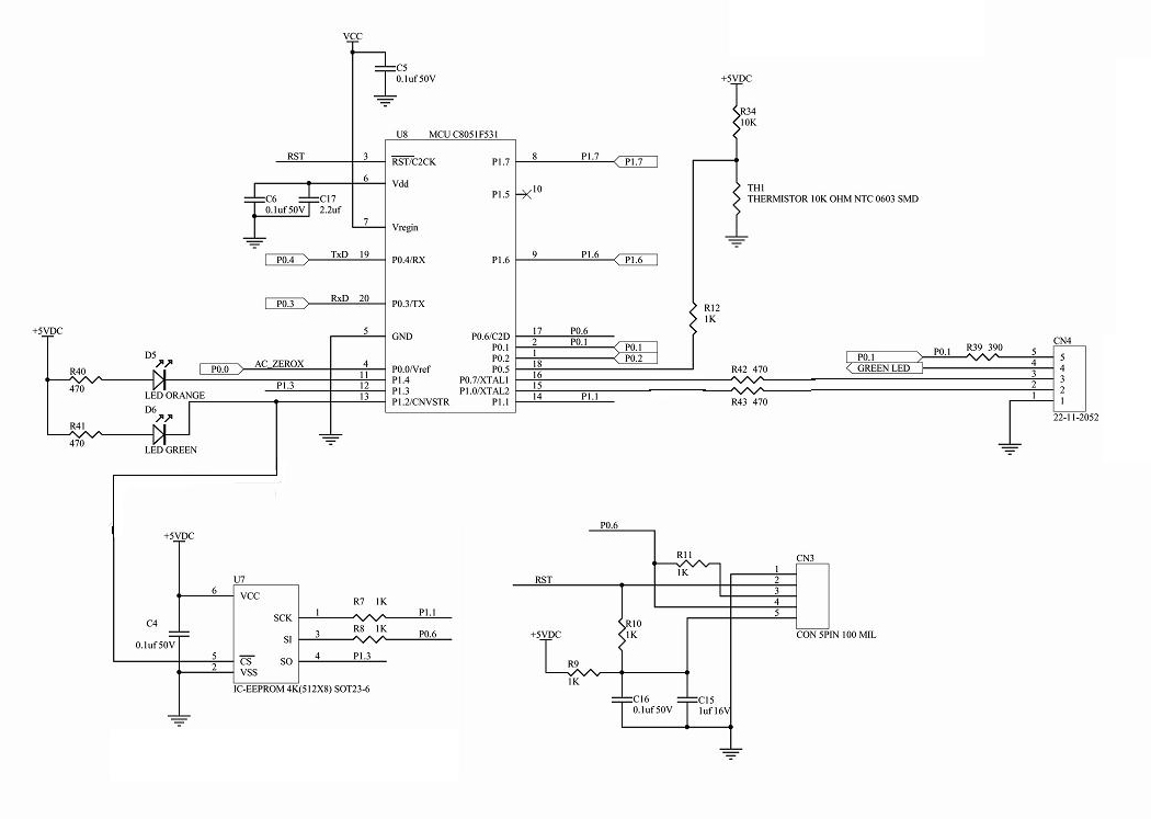
求教论坛的各位大侠,谁能帮小第我看看这张图。就是我想知道他是如何运行的。$ O8 }$ U$ u6 b  e& C: y" g
如果难以表达,则我希望能给我图中同类型的单片机的资料。。 2.jpg ; F. t/ Q5 w$ n6 ?- l% @
感谢IN
5 n( s/ Q1 T. b
7 U' A9 u- O3 u& {* v[ 本帖最后由 bdblbyq 于 2007-10-29 20:18 编辑 ]
发表于 2007-10-27 19:18:24 | 显示全部楼层 来自: 中国广西北海
Cygnal  C8051F 系列单片机是集成的混合信号片上系统 SOC 具有与 MCS-51 内核及指令集完全兼容的微控制器 除了具有标准 8051 的数字外设部件 之外 片内还集成了数据采集和控制系统

评分

参与人数 1三维币 +3 收起 理由
bdblbyq + 3 应助

查看全部评分

发表于 2007-10-27 22:38:09 | 显示全部楼层 来自: 中国上海
我来提供:
' R, J, f% X( [9 w% z1.二楼已作了概要介绍。* S3 A% F$ g( y6 U0 T+ X) ^
2.现在上传“Cygnal  C8051F” 原版、详细的单片机芯片资料。; @$ V; n7 |) L! E5 i' s
3.望楼主见后,对你的电路原理图有所帮助。
3 a0 `2 ~8 V' @; I( ~5 `2 h4 ~4.见连接:http://www.3dportal.cn/discuz/viewthread.php?tid=383190&page=1&fromuid=260486#pid1748277$ _% e& c) J9 C( Z( V1 M% Y

; n4 R9 [! ~" H2 }" p" S: f- Q  r[ 本帖最后由 zhous_ch 于 2007-10-28 13:03 编辑 ]
8051F.JPG

评分

参与人数 1三维币 +10 收起 理由
bdblbyq + 10 应助

查看全部评分

发表于 2007-10-27 23:42:05 | 显示全部楼层 来自: 中国广西防城港
楼上的是英文的,不太实用,要能完全看懂这个原版手册,早就不会来这混了.因此尽管我有我也不想上传英文的,估计帮助不大." p/ q" V/ V+ I# R/ P
: t; B- T0 c9 r" J% G
学C8051F,首先找MCS-8051的书,论坛里很多随便搜搜便是,指令是兼容的.C8051F单片机是完全集成的混合信号系统级芯片(SOC),具有与8051兼容的的高速CIP-51内核,与MCS-51指令集完全兼容,可以使用标准803x,805x的汇编器和编译器进行软件开发。除了具有标准的8051的数字外设部件外,片内还集成了数据采集和控制系统中常用的模拟部件和其他数字外设功能部件。这些外设或功能部件包括模拟多路选择器、可编程增益放大器、ADC、DAC、电压比较器、电压基准、温度传感器、SMBUS/I2C、UART、SPI、CAN、USB、定时器、可编程计数器、定时器阵列(PCA)、数字I/O端口、电源监视器、看门狗定时器(WDT)、JTAG调试电路和时钟振荡器等。所有的器件都有内部的FLASH程序存储器和256字节的的内部RAM,有些器件内部还有位于外部数据存储器空间的RAM,既XRAM。+ m, Z3 B4 T  c  |8 b3 \6 N3 Z
5 V6 J/ j0 k8 ^! T( c' h# f( j
重点推荐这本<<电动机的单片机控制>>, }5 m9 B- @! ^$ x* n

- B, m6 r  D9 v+ x5 P) Bhttp://www.3dportal.cn/discuz/viewthread.php?tid=3589150 @' I5 ]* j  F  M7 n7 y+ o
  T6 X% j6 L5 ^" v# ]  u+ ~
这是一本讲述C8051F控制电动机的书,对C8051F不同于Intel8051的特殊功能有详细讲解.如果有Intel8051的使用经历,只需两个时辰就能了解C8051F的其它功能.
6 I: }6 ?+ n- D, x9 j9 M
/ y) x, }! B! Y# @6 k5 r7 {[ 本帖最后由 chinaebwcom 于 2007-10-29 19:07 编辑 ]
片段_2.jpg

评分

参与人数 1三维币 +10 收起 理由
bdblbyq + 10 应助

查看全部评分

发表于 2007-10-28 09:16:30 | 显示全部楼层 来自: 中国山东泰安
楼上的朋友,怎么书籍不能下载啊?是不是链接错误?
发表于 2007-10-28 09:17:49 | 显示全部楼层 来自: 中国山东淄博
单片机不是很好学的呀
发表于 2007-10-28 11:27:41 | 显示全部楼层 来自: 中国河北保定
原帖由 taishandadi 于 2007-10-28 09:16 发表 http://www.3dportal.cn/discuz/images/common/back.gif
" P7 g% L! K" E( g楼上的朋友,怎么书籍不能下载啊?是不是链接错误?

/ {( U! m" \2 S; n正确的链接:
8 ^3 z! x4 d' p8 C" w; f% C3 b1 E《电动机的单片机控制》http://www.3dportal.cn/discuz/viewthread.php?tid=358915
 楼主| 发表于 2007-10-29 14:19:27 | 显示全部楼层 来自: 中国浙江宁波
谢谢大家的积极的参与,# g3 e" @4 P' o- o/ {) U; s
的确,单片机确实比较难,以前在学校里的时候。没有好好的学,现在要用,只能在次拿起书本了。8 c5 m; i7 o  K0 x) h9 L
我现在的书本是《单片微型机》。感觉学起来就一个字。累
发表回复
您需要登录后才可以回帖 登录 | 注册

本版积分规则


Licensed Copyright © 2016-2020 http://www.3dportal.cn/ All Rights Reserved 京 ICP备13008828号

小黑屋|手机版|Archiver|三维网 ( 京ICP备2023026364号-1 )

快速回复 返回顶部 返回列表