QQ登录

只需一步,快速开始

登录 | 注册 | 找回密码

三维网

 找回密码
 注册

QQ登录

只需一步,快速开始

展开

通知     

查看: 2027|回复: 12
收起左侧

[已解决] 关于衬套和对到块的问题

[复制链接]
发表于 2007-11-2 20:57:37 | 显示全部楼层 |阅读模式 来自: 中国江苏

马上注册,结识高手,享用更多资源,轻松玩转三维网社区。

您需要 登录 才可以下载或查看,没有帐号?注册

x
请问两个问题:1,请问钻模夹具上的衬套有什么作用,说的详细点,我只知道他是和可换钻套一起用的,谢谢。, _; w& |; [3 t: C# Z& y
2,请问对到块在夹具上起什么作用,说的详细点,最好能截个图来看看,谢谢。
" g0 g9 L) [# I# g, r: I       麻烦大家了,不好意识。7 l, C1 W& M4 o' \

* \$ u# I; H+ I[ 本帖最后由 渔樵 于 2007-11-6 09:36 编辑 ]
发表于 2007-11-2 23:37:17 | 显示全部楼层 来自: 中国湖北宜昌
钻模夹具上的衬套起导向作用.
发表于 2007-11-2 23:40:55 | 显示全部楼层 来自: 中国辽宁沈阳
就是起导向作用的嘛!别的好象也没有
 楼主| 发表于 2007-11-3 01:13:10 | 显示全部楼层 来自: 中国江苏连云港
不是啊,衬套只在可换钻套钻模上使用,其他的钻摸只有一个钻套就可以了,不光起导向作用,可能还有其他的用处的。
发表于 2007-11-3 11:34:33 | 显示全部楼层 来自: 中国湖北十堰
原帖由 zhouquan923 于 2007-11-2 20:57 发表 http://www.3dportal.cn/discuz/images/common/back.gif
" r$ {* e# B  W- j* o请问两个问题:1,请问钻模夹具上的衬套有什么作用,说的详细点,我只知道他是和可换钻套一起用的,谢谢。
  @0 [" H2 x) f' V4 |2,请问对到块在夹具上起什么作用,说的详细点,最好能截个图来看看,谢谢。
- [3 x" f$ x/ ~8 U  Q# O       麻烦大家了,不好意 ...

5 k& I6 p# K0 Q9 ]6 e$ }; {  r回答1:为了防止钻套磨损,在可换钻套和钻模之间,按H7/r6的配合装入衬套。) V! S5 Y# [; R' i) f: }) u- E
回答2:在刀具和对刀块表面留有间隙的目的是为了不使刀具与对刀块直接接触,对刀时利用对刀塞尺来检查间隙的大小,一般将塞尺放在刀具与对刀块间,凭抽动的松紧感觉来判断,以适度为止。

评分

参与人数 1三维币 +3 收起 理由
渔樵 + 3 完全同意!

查看全部评分

发表于 2007-11-3 14:08:24 | 显示全部楼层 来自: 中国江苏镇江
5楼的说得好 不知道2楼是怎么理解的?
 楼主| 发表于 2007-11-3 14:44:56 | 显示全部楼层 来自: 中国江苏南京
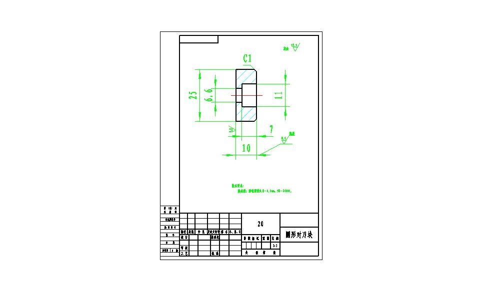
哪位朋友能截个对刀块的图来看看呢,实际中没看过。
发表于 2007-11-4 19:30:25 | 显示全部楼层 来自: 中国江苏镇江
对刀块有圆形对刀块、方形对刀块、直角对刀块和侧装对刀块
: H% g6 P* @5 Q! z4 A5 A我截个圆形对刀块的图给你看看
1 r$ @9 Q% V  ]  N4 m& V  k一般的机床夹具手册都会有
' a' y( G' Y5 e) T
1.JPG

评分

参与人数 1三维币 +2 收起 理由
渔樵 + 2 应助

查看全部评分

发表于 2007-11-5 08:25:11 | 显示全部楼层 来自: 中国江苏南京
方形对刀块和直角对刀块有什么区别啊
发表于 2007-11-5 09:11:55 | 显示全部楼层 来自: 中国山西太原
1 起钻孔时定位作用,不让钻头往任何方向偏移,此套磨损后可以更换。
* C( c1 t6 d0 A8 y6 V2 对刀块是使刀具找正的靠板,就是刀具找正的参照物。
发表于 2007-11-5 13:25:11 | 显示全部楼层 来自: 中国山东烟台
5楼回答的很好,对刀块不论圆形和方形起的作用是一样的。
发表于 2007-11-5 13:56:38 | 显示全部楼层 来自: 中国福建泉州
1.钻模上的钻套主要起定位,由于与钻头的接触,容易磨损,因此材料必须采用热处理变形小,硬度高,不易磨损。0 e& y6 l8 C0 ?4 e" s4 t
2.对刀块,顾名思义就是起对刀具的作用,是首件的机加工刀具的找正。
 楼主| 发表于 2007-11-5 17:50:24 | 显示全部楼层 来自: 中国江苏
谢谢大家的回复,问题解决了啊,感谢大家
发表回复
您需要登录后才可以回帖 登录 | 注册

本版积分规则


Licensed Copyright © 2016-2020 http://www.3dportal.cn/ All Rights Reserved 京 ICP备13008828号

小黑屋|手机版|Archiver|三维网 ( 京ICP备2023026364号-1 )

快速回复 返回顶部 返回列表