QQ登录

只需一步,快速开始

登录 | 注册 | 找回密码

三维网

 找回密码
 注册

QQ登录

只需一步,快速开始

展开

通知     

查看: 1754|回复: 13
收起左侧

[已解决] 各位高手帮帮我吧!

[复制链接]
发表于 2007-11-6 10:01:03 | 显示全部楼层 |阅读模式 来自: 中国河南郑州

马上注册,结识高手,享用更多资源,轻松玩转三维网社区。

您需要 登录 才可以下载或查看,没有帐号?注册

x
未命名.JPG
发表于 2007-11-6 10:04:41 | 显示全部楼层 来自: 中国浙江宁波
请说明问题~~~~~~~~~~~~~~~
发表于 2007-11-6 10:30:46 | 显示全部楼层 来自: 中国广东深圳

应该是8-1/4“ 也就是8.25”。

应该是8-1/4“ 也就是8.25”。
发表于 2007-11-6 10:33:27 | 显示全部楼层 来自: 中国广东河源
你使用的不是GB的工程图模板。
发表于 2007-11-6 12:10:41 | 显示全部楼层 来自: 中国浙江嘉兴
这是使用的英制尺寸单位啊!一英寸=25.4mm,你自己换算一下。
$ w  w. v+ Z6 `1 D+ F你可在系统设置里改变尺寸单位,方法如下:点工具——选项——文件属性——单位,
发表于 2007-11-6 12:17:21 | 显示全部楼层 来自: 中国上海
这是英寸制单位,BIN* M0 p# _' L3 ?
英制单位里另有一个BFT,是英尺制单位。
发表于 2007-11-6 19:28:27 | 显示全部楼层 来自: 中国上海
你用的是英制单位,8-1/4英寸,换算单位8-1/4X25.4=209.55mm如果要用公制单位可在选项--文件属性--单位中设置
发表于 2007-11-8 11:58:28 | 显示全部楼层 来自: 中国江苏苏州
怪怪的,你的单位设置有问题
发表于 2007-11-8 14:44:32 | 显示全部楼层 来自: 中国浙江杭州
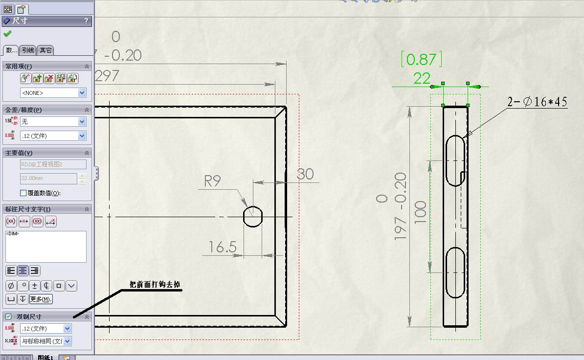
你这是在用了双制尺寸!
发表于 2007-11-9 13:10:23 | 显示全部楼层 来自: 中国浙江杭州

如图

去掉双制尺寸的勾
双制尺寸.jpg
发表于 2007-11-9 14:03:46 | 显示全部楼层 来自: 中国吉林长春
:lol: 学习 学习
发表于 2007-11-9 17:10:08 | 显示全部楼层 来自: 中国上海

回复 7# 的帖子

你用的是英制单位,8-1/4英寸,换算单位8-1/4X25.4=209.55mm就应该是这样表示!
发表于 2007-11-10 12:43:17 | 显示全部楼层 来自: 中国湖北襄阳
英制尺寸嘛,查表就能找到对应的公制。
发表于 2007-11-12 21:23:54 | 显示全部楼层 来自: 中国上海
修改单位设置就好了!
发表回复
您需要登录后才可以回帖 登录 | 注册

本版积分规则


Licensed Copyright © 2016-2020 http://www.3dportal.cn/ All Rights Reserved 京 ICP备13008828号

小黑屋|手机版|Archiver|三维网 ( 京ICP备2023026364号-1 )

快速回复 返回顶部 返回列表