QQ登录

只需一步,快速开始

登录 | 注册 | 找回密码

三维网

 找回密码
 注册

QQ登录

只需一步,快速开始

展开

通知     

查看: 2323|回复: 8
收起左侧

[已解决] 这样的标注怎么标

[复制链接]
发表于 2007-11-7 13:04:40 | 显示全部楼层 |阅读模式 来自: 中国湖南长沙

马上注册,结识高手,享用更多资源,轻松玩转三维网社区。

您需要 登录 才可以下载或查看,没有帐号?注册

x
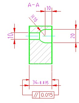
在CAD里怎么弄这种箭头) W  S* e6 D) ~) L7 [4 H( c) O

, ]1 G2 K% x0 {" \7 K$ f6 G[ 本帖最后由 6486 于 2007-11-7 21:17 编辑 ]
未命名.jpg
发表于 2007-11-7 13:09:39 | 显示全部楼层 来自: 中国河南安阳
怎么了,箭头没有什么特别的呀
7 U1 O! d5 i# _1 `看看该图中的标注样式+ {- g/ @+ ?& Z
1.png
发表于 2007-11-7 13:28:15 | 显示全部楼层 来自: 中国江苏苏州
楼主说的是平行度公差吧/) H7 N$ \- X6 K% _
你可以标个尺寸符号分解,然后跟形位公差符号组合。
发表于 2007-11-7 14:00:11 | 显示全部楼层 来自: 中国广西钦州
将箭头移到外端的方法:
11-07.gif
发表于 2007-11-7 14:19:35 | 显示全部楼层 来自: 中国广东佛山
3楼的动画效果很直观`!
发表于 2007-11-8 11:09:54 | 显示全部楼层 来自: 中国广东广州
应该改一下标注里面文字位置的参数就可以了吧
发表于 2007-11-8 16:55:19 | 显示全部楼层 来自: 中国江苏常州
楼主的图是电子图版画的
发表于 2007-11-9 20:04:02 | 显示全部楼层 来自: 中国江苏南通
改一下标注里的样式就好了,改为手动放置文字
发表于 2007-11-10 13:57:57 | 显示全部楼层 来自: 中国吉林长春
公差标的挺有特点!为什么两头都有牵引线呢!
发表回复
您需要登录后才可以回帖 登录 | 注册

本版积分规则


Licensed Copyright © 2016-2020 http://www.3dportal.cn/ All Rights Reserved 京 ICP备13008828号

小黑屋|手机版|Archiver|三维网 ( 京ICP备2023026364号-1 )

快速回复 返回顶部 返回列表