QQ登录

只需一步,快速开始

登录 | 注册 | 找回密码

三维网

 找回密码
 注册

QQ登录

只需一步,快速开始

展开

通知     

查看: 2032|回复: 4
收起左侧

[已解决] 冲压拉深件开坯尺寸

[复制链接]
发表于 2007-11-11 14:57:00 | 显示全部楼层 |阅读模式 来自: 中国广东中山

马上注册,结识高手,享用更多资源,轻松玩转三维网社区。

您需要 登录 才可以下载或查看,没有帐号?注册

x
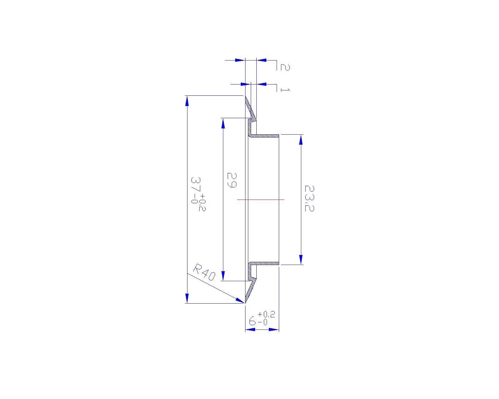
各们大侠,可否指导一下小弟以下两个冲压件(材料:0.5普通冷轧钢板)的开坯尺寸是多少?是如何计算其开坯尺寸的吗?
  m. t- U4 j( u! u2 L, K2 G谢谢
拉深件1.jpg
拉深件2.jpg
发表于 2007-11-12 18:56:38 | 显示全部楼层 来自: 中国广东东莞
你发一个CAD电子档上来、我给你算.
发表于 2007-11-14 19:21:44 | 显示全部楼层 来自: 中国浙江湖州
楼主第一张图的零件不能做吧,外表面都是尖角的
发表于 2007-11-14 22:03:51 | 显示全部楼层 来自: 中国上海
掌握体积不变的原则去计算
发表于 2007-11-16 22:37:39 | 显示全部楼层 来自: 中国广东深圳
毫不客气的说,跟工艺有关系吧,先不开剪口模,试完后再做剪口模

评分

参与人数 1三维币 +3 收起 理由
mr.lee + 3 技术讨论

查看全部评分

发表回复
您需要登录后才可以回帖 登录 | 注册

本版积分规则


Licensed Copyright © 2016-2020 http://www.3dportal.cn/ All Rights Reserved 京 ICP备13008828号

小黑屋|手机版|Archiver|三维网 ( 京ICP备2023026364号-1 )

快速回复 返回顶部 返回列表