QQ登录

只需一步,快速开始

登录 | 注册 | 找回密码

三维网

 找回密码
 注册

QQ登录

只需一步,快速开始

展开

通知     

全站
2天前
查看: 5337|回复: 28
收起左侧

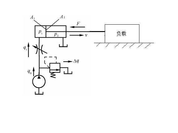
[讨论] 请问在图示的系统中,液压缸能否推动负载做加速运动?

[复制链接]
发表于 2007-11-18 21:46:07 | 显示全部楼层 |阅读模式 来自: 中国安徽马鞍山

马上注册,结识高手,享用更多资源,轻松玩转三维网社区。

您需要 登录 才可以下载或查看,没有帐号?注册

x
接触液压有一段时间了,但是一直觉得对液压中“压力取决于负载”这一基本原理有些困惑。向大家请教一下!
% n. C; u: C4 L在图示的系统中,用液压缸去推一外负载,假如图中各液压元件均选型合理,溢流阀调定压力足够大。请问液压缸能推动外负载做加速度为a加速运动?如果能此时负载压力怎么确定
原理图.JPG

评分

参与人数 1三维币 +3 收起 理由
江边 + 3 这个议题不错,有时候确实会导致困惑。

查看全部评分

发表于 2007-11-18 22:13:46 | 显示全部楼层 来自: 中国湖北武汉
冲击油岗就是一种可加速油缸,也请后来的同志解释吧.
发表于 2007-11-19 08:13:18 | 显示全部楼层 来自: 中国河北沧州
P1A1=P2A2+F8 J, h7 f" E0 J1 O& d6 i0 i8 F* S5 }
P2=01 D/ m) B/ n3 ~7 T3 Q, y$ ?
P1=F/A1
' n# `+ A4 @3 O所以压力取决于负载
发表于 2007-11-19 08:20:09 | 显示全部楼层 来自: 中国辽宁沈阳
开始系统需要建立压力,负载不动。当系统压力达到需要克服负载摩擦力的时候,有个瞬间加速过程,当负载在液压系统压力的推动下进行滑动时,系统压力与摩擦力平衡,做匀速运动。所以,我觉得上图在平衡情况向不能有加速运动。不知道分析的对不对

评分

参与人数 1三维币 +4 收起 理由
江边 + 4 感谢您的积极参与

查看全部评分

发表于 2007-11-19 08:29:28 | 显示全部楼层 来自: 中国江苏无锡
支持楼上的意见!当流量不发生变化的时候!起加速度就没有!
 楼主| 发表于 2007-11-19 10:06:47 | 显示全部楼层 来自: 中国安徽马鞍山
假如用比例节流阀取代系统中的节流阀,当增加节流阀开口的时候油缸就会加速,特别是使用用比例放大器把升速和降速时间都调定后,液压缸应该会有一个加速或减速过程吧
发表于 2007-11-19 12:23:50 | 显示全部楼层 来自: 中国北京
不加速如何动起来
发表于 2007-11-19 13:35:19 | 显示全部楼层 来自: 中国安徽马鞍山
压力取决于负载,速度取决于流量。有没有加速度就看流量了。我也比较赞成4楼的意见。
发表于 2007-11-19 14:04:09 | 显示全部楼层 来自: 中国辽宁沈阳
我同意4楼的意见。是否加速看负载情况、看流量情况。
 楼主| 发表于 2007-11-19 20:01:37 | 显示全部楼层 来自: 中国安徽马鞍山
是不是可以这样理解:油缸的运动速度取决于流量,当流量增加时油缸运动速度就增加,当油缸从一种速度切换到另一种速度时存在一个加速过程,在这个加速过程中油缸让负载运动需要克服动摩擦力和惯性力,此时系统压力会相应增加。
9 ~! Z) v* x3 j  a; N  S我对这个惯性力太明白,以前我觉得液压系统中的压力是由外负载引起的,系统压力是被动的量,只有外负载增加了系统的压力才会增加,我总觉得这个惯性力是由负载加速运动引起的,好像是惯性力在油缸推动负载做加速运动之后才形成,就是说系统压力先上去惯性力才产生。哪位能解释一下
 楼主| 发表于 2007-11-21 20:54:30 | 显示全部楼层 来自: 中国安徽马鞍山
再次向版主和各位大侠求助,这个问题困惑我很久了
发表于 2007-11-21 22:32:58 | 显示全部楼层 来自: 中国浙江杭州
油泵刚启动时,油液向无杆腔流动,油液压力迅速增大超过负载阻力F,推动活塞加速运动。* W, `. j9 h% e+ [; Y
由于活塞加速向右运动,当速度够大时,它的左侧会留出一些空间,由液压油填补,液压油的压缩程度降低,其压力会相应降低。5 H4 ]. Y( W+ L1 M: l# Q
当液压力降到与F相等时,活塞匀速运动,此时油液压缩程度不再变化,压力保持稳定,活塞保持匀速运动。9 d6 Z6 `  O6 j
所以,该系统的主要工作过程是匀速的。
 楼主| 发表于 2007-11-22 19:48:29 | 显示全部楼层 来自: 中国安徽马鞍山
假如用比例流量阀让负载加速运动5s,此时油缸无杆腔的压力该如何计算?无杆腔的压力是如何建立起来的?谢谢
发表于 2007-11-22 20:12:17 | 显示全部楼层 来自: 中国河南信阳

回复 13# 的帖子

加速5S的话就是力学问题了,油缸无杆腔压力的建立是,进入无杆腔流量增加,而负载基本不变,增加的流量打破了原来建立的动态平衡,使无杆腔压力增加,进而使活塞加速前行。
 楼主| 发表于 2007-11-24 21:01:15 | 显示全部楼层 来自: 中国安徽马鞍山
chenqing1120楼上,能够请你细说一下“增加的流量打破了原来建立的动态平衡”,谢谢
发表于 2008-3-16 01:10:09 | 显示全部楼层 来自: 中国四川成都

压缸能否推动负载做加速运动?

其实速度的快慢是与他的流量有关,而不是压力
发表于 2008-3-16 10:00:40 | 显示全部楼层 来自: 中国广西玉林
负载决定压力,流量决定速度。负载应该由摩擦力等和惯性力两部分组成,惯性力取决于加速度和物体质量,而加速度取决于流量的变化。对楼主的图示的情况,如果流量突然间增加,理论加速度可以达到无限大,当然实际上不可能(受压力飞升速率和溢流阀压力限制),但也会引起巨大冲击,所以,起步阶段,最好缓慢增加流量。) o/ l+ ^6 ]# V5 |) n
1 d3 S7 R/ w4 p
[ 本帖最后由 lwgx 于 2008-3-16 10:06 编辑 ]
发表于 2010-8-2 08:44:13 | 显示全部楼层 来自: 中国上海
这个问题还是不明白,谁能解释清楚下面几个问题:
9 x/ R7 p  y3 @/ H* K1 \1。既然速度取决于流量,加速度取决于流量变化,加速度似乎与受力无关,这显然与牛顿第二定律矛盾;
& y6 ?4 c5 C( H/ \8 @, m2。速度取决于流量还是流量取决于速度?' M, r+ u+ N0 r( S- Y2 d
3。如果不加外负载,负载就是摩擦力和惯性力了,提供恒定流量,流量稳定前活塞是加速的,稳定后为何加速度为零?我知道有些人有用速度取决于流量来解释,但又如何用受力来解释,必经流量稳定前后负载没变,压力变化也是一个爬坡再稳定的过程而已。
发表于 2010-8-2 09:48:30 | 显示全部楼层 来自: 中国北京
本帖最后由 zhaozhihui 于 2010-8-2 10:01 编辑 0 e; l& l8 J/ C

! ~5 s/ L. y$ ?' }  n1 M) l, p压力取决于负载:+ @7 G6 H4 Y) [( }  a  t6 d4 R
在做加速的时候,活塞的平衡方程为:
1 J" O  B, l- t7 t! K5 nP1A1-P2A2-F=Ma(M为所有做加速的物体质量之和),
; x3 A. r" S% o- w) \4 _/ {此时应该把加速的反力也作为负载;+ n5 |  @: W7 X8 t; Z) G

; I$ b7 W5 s" S, M6 ]速度取决于流量:
, D5 [. l  B* p- R( K, i在做加速的时候,流量的平衡方程为:
4 E( ?+ u5 }, V7 |5 s. `( PΔQ=aA1(ΔQ为流量的变化量),5 K  U2 e% V0 }, J
初始情况为Q=0,- E$ n) M, V+ e; f( S& p
流量的变化由流量阀调节。
1 w- n6 A1 Z8 e# I- H: Y3 v! R3 ]- C# v9 Z+ o
不知道这样回答可以吗?
发表于 2010-8-2 10:25:57 | 显示全部楼层 来自: 中国广东江门
在没有运动之前,压力是变化的,系统一直在建立压力。从系统克服负载开始运动,为加速阶段,此阶段取决于压力建立的快慢(也就取决于系统流量),当负载开始运动,系统压力恒定的情况下,就匀速运动了。此时的速度取决于系统流量。# r4 |5 {- y1 P5 e; b! E' M$ Q8 B
加速阶段的时间长与短取决于系统压力建立的快慢,也就是油缸推力F。
发表于 2010-8-2 17:02:40 | 显示全部楼层 来自: 中国山东济宁
:dizzy::dizzy:在建立起“系统压力恒定”情况时,继续增加流量负载会加速,但是压力并没有增加,P1A1=P2A2+F 负载又怎样再次加速呢   在平衡方程中力没有增加 方程会变成 加速方程??
发表于 2010-8-2 18:15:23 | 显示全部楼层 来自: 中国江苏连云港
不可能做加速运动的,压力取决于负载,要加速的话,除非是压力增大或者流量增大,如果在负载后面加一个力,让油缸推动,当系统压力大于只推动负载的压力时,这时撤去外加的力,油缸会在瞬间做加速运动,然后会做匀速运动(在流量不变的情况下),楼主可以看压力表的变化。
发表于 2010-8-3 12:44:15 | 显示全部楼层 来自: LAN
1.泵是定量泵,不考虑其他的流量是恒定的。
2 m3 @$ g, f3 U; @! z: K2.楼主说的溢流阀设定的压力足够高,就是说溢流阀不会有溢流。) f' W' @; R1 i6 F9 r' e
所以泵出的油全进了油缸。
* I6 j1 K* C' Q! L7 W4 W  h重物加速的加速度在这里可以算是无穷大。就好比一个静止的物体被另一个相撞,瞬间加速。
9 s: c) p$ w& B* a6 _' Q( l而在着以瞬间,系统的压力也接近无穷大的。(这里所说的都是理论理想情况)! G- M0 ]1 ^# ?* ]' Z9 c4 O
因为压力取决于负载,负载其实就是阻止油缸动的力,这里有摩擦力和惯性力,惯性力大小F=m*a(质量乘加速度)
! |1 O8 q3 `9 E$ W
+ E9 Q& I' g: L' Q( S实际情况因为油液的压缩性等原因不可能是无穷大。
发表于 2010-8-4 10:07:31 | 显示全部楼层 来自: 中国上海
压力取决于负载,压力不能大于负载,应该是不能作加速运动
发表于 2010-8-4 23:26:28 | 显示全部楼层 来自: 中国湖南长沙
这应该是过渡阶段和平衡阶段# t& w  [$ F7 K
或者一个平衡阶段到另一个平衡阶段之间的响应过程,需要区分对待。/ K: E# l! u' z5 b; r& |
只要存在阻尼的振动系统最终都会趋之平衡,在此过渡阶段必然存在速度的改变(即加速度),只是其中的影响因素需要仔细分析而已。
发表回复
您需要登录后才可以回帖 登录 | 注册

本版积分规则

Licensed Copyright © 2016-2020 http://www.3dportal.cn/ All Rights Reserved 京 ICP备13008828号

小黑屋|手机版|Archiver|三维网 ( 京ICP备2023026364号-1 )

快速回复 返回顶部 返回列表