QQ登录

只需一步,快速开始

登录 | 注册 | 找回密码

三维网

 找回密码
 注册

QQ登录

只需一步,快速开始

展开

通知     

查看: 1631|回复: 6
收起左侧

[已解决] 滚丝

[复制链接]
发表于 2007-11-20 12:28:10 | 显示全部楼层 |阅读模式 来自: 中国江苏徐州

马上注册,结识高手,享用更多资源,轻松玩转三维网社区。

您需要 登录 才可以下载或查看,没有帐号?注册

x
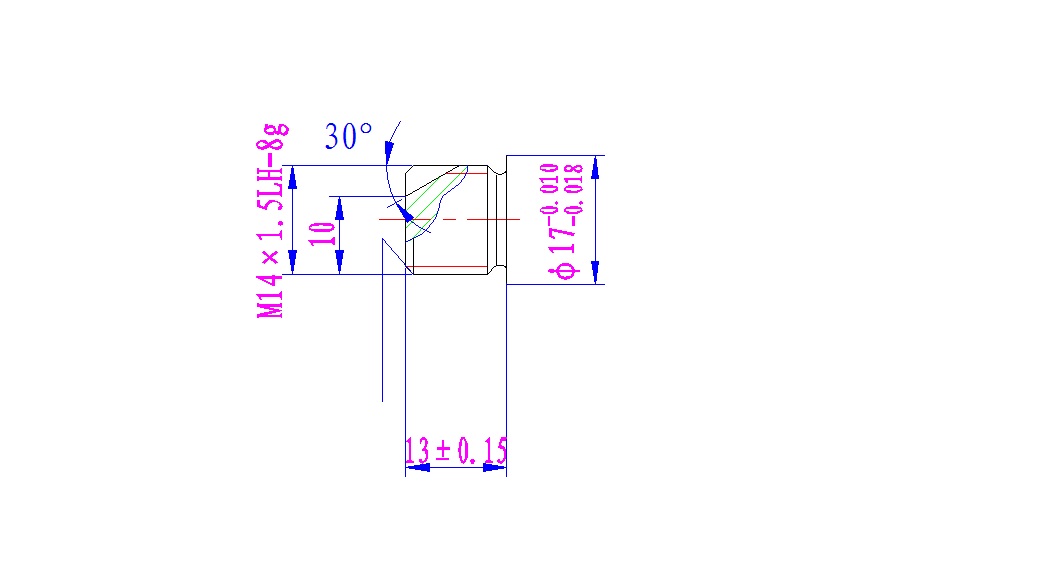
我单位新加工的一种产品,批量几万件,螺纹部位准备滚丝,但是此产品我们从未加工过,不知道小径的留量多少比较适合滚丝加工,望各位有此经验的大虾们不吝赐教。
0 t. E. a4 {5 F" D* C" b先谢过
WR1738149.jpg
WR1738149 .jpg
 楼主| 发表于 2007-11-20 12:30:57 | 显示全部楼层 来自: 中国江苏徐州
上图2不是太清楚,再发一个
WR1738149.jpg
发表于 2007-11-21 00:09:26 | 显示全部楼层 来自: 中国江苏泰州
去五金手册查螺纹中径
发表于 2007-11-21 07:59:18 | 显示全部楼层 来自: 中国吉林吉林市
机械加工工艺手册 李洪 主编" i% k! x! g0 {: y$ ]
地址 http://www.3dportal.cn/discuz/vi ... &fromuid=156646
$ m+ `5 C. E+ ^, O% J这本资料中有介绍
发表于 2007-11-21 14:27:57 | 显示全部楼层 来自: 中国福建泉州
滚丝部位磨削到12.90~12.93mm,即比中径尺寸小0.1mm左右。
 楼主| 发表于 2007-11-25 07:27:40 | 显示全部楼层 来自: 中国江苏徐州
回5#! f9 o$ t; c+ N
我们的材料为GCr15轴承钢 ,现行的工艺是外径车削12.8-12.85,不知道是否小了些.
 楼主| 发表于 2007-11-25 18:04:42 | 显示全部楼层 来自: 中国江苏徐州
回4#您的链接我下了,没有找到有用的资料,浪费了我好多流量哎
发表回复
您需要登录后才可以回帖 登录 | 注册

本版积分规则


Licensed Copyright © 2016-2020 http://www.3dportal.cn/ All Rights Reserved 京 ICP备13008828号

小黑屋|手机版|Archiver|三维网 ( 京ICP备2023026364号-1 )

快速回复 返回顶部 返回列表