QQ登录

只需一步,快速开始

登录 | 注册 | 找回密码

三维网

 找回密码
 注册

QQ登录

只需一步,快速开始

展开

通知     

全站
6天前
查看: 1748|回复: 1
收起左侧

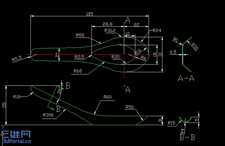
[推荐] 有兴趣的 进来画画 这曲面我没接好!!

[复制链接]
发表于 2007-11-20 13:34:00 | 显示全部楼层 |阅读模式 来自: 中国河南南阳

马上注册,结识高手,享用更多资源,轻松玩转三维网社区。

您需要 登录 才可以下载或查看,没有帐号?注册

x
另外MC群招人39831240
20070517_dd69d724ef13271b863ajtNz9qAppBC6.jpg
未命名.jpg
发表于 2008-3-15 22:12:15 | 显示全部楼层 来自: 中国广东东莞
顶下 :) :) :) :) :)
发表回复
您需要登录后才可以回帖 登录 | 注册

本版积分规则


Licensed Copyright © 2016-2020 http://www.3dportal.cn/ All Rights Reserved 京 ICP备13008828号

小黑屋|手机版|Archiver|三维网 ( 京ICP备2023026364号-1 )

快速回复 返回顶部 返回列表