QQ登录

只需一步,快速开始

登录 | 注册 | 找回密码

三维网

 找回密码
 注册

QQ登录

只需一步,快速开始

展开

通知     

全站
7天前
查看: 10279|回复: 17
收起左侧

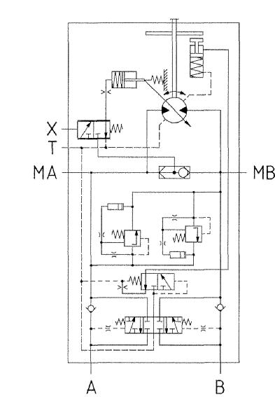
[已解决] 液压马达原理图看不懂

[复制链接]
发表于 2007-11-25 11:40:09 | 显示全部楼层 |阅读模式 来自: 中国上海

马上注册,结识高手,享用更多资源,轻松玩转三维网社区。

您需要 登录 才可以下载或查看,没有帐号?注册

x
各位大哥大姐 你们好!, z" T7 K  j$ I0 ?
我这有一个马达原理的图纸   ( Q" R2 q) E/ }: y
我看不懂   中间那两个由"一个溢流阀 两个阻尼孔 还有一个矩形块" 所组成的阀组的原理  请大家指教.谢谢
1.jpg
发表于 2007-11-25 13:07:44 | 显示全部楼层 来自: 中国湖南长沙
应该是两个过载阀,不过那两个矩形的块块是什么呢?从来没见过
发表于 2007-11-25 16:12:54 | 显示全部楼层 来自: 中国江苏无锡
不会是阀上带的缓冲柱塞吧。我也是第一次看到。
发表于 2007-11-26 08:41:10 | 显示全部楼层 来自: 中国浙江宁波
这两个阀是缓冲过载阀,此马达用于双向旋转停车有惯性冲击的机构中(如挖机回转、行走),用于保护执行机构,使其平稳停车;有缓冲和过载保护两个作用;+ G: Y$ L. ?, i9 }, y1 H( D( p0 x: J

! h9 h2 B+ t. e4 B[ 本帖最后由 sealive_leafage 于 2007-11-26 08:44 编辑 ]

评分

参与人数 1三维币 +4 收起 理由
9619 + 4 应助

查看全部评分

发表于 2007-11-26 15:38:32 | 显示全部楼层 来自: 中国安徽铜陵
矩形块是一个缓冲活塞初始态在弹簧力作用下位于最左,马达刚启动时活塞在油压作用下向右移动,在节流口产生压差,故溢流阀在低压下打开,减小起动时液压冲击。当活塞运行到底,溢流阀两边油压相等,在弹簧作用下,阀关闭,马达在高压下运行。当停时,B腔的高压通过右边的溢流阀以同样的原理起缓冲制动作用。前一个节流口产生压差,后一个节流口控制溢流阀的压力流量特性。

评分

参与人数 1三维币 +5 收起 理由
9619 + 5 应助

查看全部评分

发表于 2007-11-26 20:28:54 | 显示全部楼层 来自: 中国河南郑州

回复 5# 的帖子

讲的不错,建议版主加分% j  u! D0 ^8 B* i  l1 p/ T

( r3 W& T$ N+ I能否给个液压原件的剖面图那样就更好了
发表于 2007-11-26 21:47:03 | 显示全部楼层 来自: 中国湖南长沙
这是什么公司的马达?
发表于 2007-11-28 19:01:18 | 显示全部楼层 来自: 中国浙江宁波
请问哪个公司有这种阀?
发表于 2007-12-1 13:56:59 | 显示全部楼层 来自: 中国河南郑州
这个马达很不错,既有平衡阀、刹车阀、缓冲阀,又有高压自变量和最大排量。就是不知是那个公司的产品?
发表于 2007-12-3 12:55:34 | 显示全部楼层 来自: 中国江苏徐州

回复 7# 的帖子

Rexroth用于挖掘机等履带行走车辆的行走马达1 l2 }# T5 I3 r0 A0 O
日本韩国等很多公司都有类似的产品
发表于 2007-12-3 12:57:30 | 显示全部楼层 来自: 中国江苏徐州
Rexroth用于挖掘机等履带行走车辆的GFT行走马达3 {2 i1 j; k6 K! `; d/ ^# h: q* b9 z
( d5 F. O3 o4 [4 f( J. H( l/ B7 e
日本KYB  MA系列G / TEIJIN SEIKI  GM系列,一样的功能
发表于 2007-12-6 23:06:49 | 显示全部楼层 来自: 中国山西大同
感谢4#、5#楼,学会了缓冲过载阀的工作原理。
发表于 2009-9-6 03:45:08 | 显示全部楼层 来自: 中国上海

评分

参与人数 1三维币 -3 收起 理由
柠檬咖啡 -3 灌水

查看全部评分

发表于 2009-9-6 08:06:49 | 显示全部楼层 来自: 中国山西大同
原帖由 阿德日记 于 2007-11-25 16:12 发表 http://www.3dportal.cn/discuz/images/common/back.gif: ~8 f) A  a1 x) ~; w: }
不会是阀上带的缓冲柱塞吧。我也是第一次看到。

+ E6 `9 n0 Y9 R+ s* ^两个矩形的块块就是缓冲柱塞。
发表于 2009-9-11 13:25:08 | 显示全部楼层 来自: 中国四川成都

顺序阀

起顺序阀作用吧
发表于 2009-9-11 20:40:56 | 显示全部楼层 来自: 中国湖南长沙
KYB,KPM都生产这样的马达了.
发表于 2014-4-19 12:35:02 | 显示全部楼层 来自: 中国河北石家庄
毕业设计要液压马达的一些结构原理图,三维的,最好是标有零部件名称的,不知道你们谁有
发表于 2014-8-6 10:57:27 | 显示全部楼层 来自: 中国江西新余
看看再说
发表回复
您需要登录后才可以回帖 登录 | 注册

本版积分规则


Licensed Copyright © 2016-2020 http://www.3dportal.cn/ All Rights Reserved 京 ICP备13008828号

小黑屋|手机版|Archiver|三维网 ( 京ICP备2023026364号-1 )

快速回复 返回顶部 返回列表