|
|

楼主 |
发表于 2007-12-3 12:44:00
|
显示全部楼层
来自: 中国辽宁沈阳
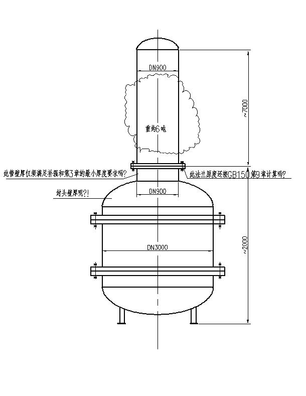
原帖由 gaoyns 于 2007-12-2 11:43 发表 http://www.3dportal.cn/discuz/images/common/back.gif; Q+ k3 L* f: W! W
1 可进行DN900接管与封头连接处的焊缝的强度校核,这是个薄弱环节。9 I+ x- @+ R' Y: \, H( n
2 用8--12块筋板加固焊在封头、接管、和接管法兰之间,这样既加固了法兰又加固了接管和封头。
5 d O! G, B- _2 b" i2 c5 `3 经过计算,看封头、接管和接管法兰是否需要加 ... * V+ M$ h1 l: I- m7 H9 u
% a2 X( `1 _7 P' Z d1 r* o9 ?
- Z& i, k: Z( Y" X' U2 O
请问大哥! `! g3 J5 N% N; I, k
1. 焊缝的强度校核,一般是怎么算的??/ _6 h! A# ]" D1 ` E* K$ t1 N9 ]
2.筋板加固,有无具体的算法?来确确定实际所须的块数?
6 j! g6 {% a7 W5 Z( B3.经过计算,看封头、接管和接管法兰是否需要加 ...^^ 兄弟这句话是否就是说开孔补强要求上的计算~~" h. i7 Z+ P9 o8 N
0 c$ O. i- ~: Y; [, X
法兰的厚度计算能否这样,,,,,把上面的6t重量,/垫片面积,折成一压力 b Mpa,然后法兰的计算压力为设计压力+(-)b,,能行不? |
|