QQ登录

只需一步,快速开始

登录 | 注册 | 找回密码

三维网

 找回密码
 注册

QQ登录

只需一步,快速开始

展开

通知     

查看: 2107|回复: 5
收起左侧

[已答复] 国外图纸“图形”解答

[复制链接]
发表于 2007-12-3 21:20:34 | 显示全部楼层 |阅读模式 来自: 中国香港

马上注册,结识高手,享用更多资源,轻松玩转三维网社区。

您需要 登录 才可以下载或查看,没有帐号?注册

x
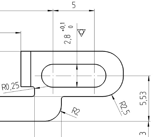
谁知道这个“正三边形内一个圆与其内切”是什么意思吗?
4 b7 n( M( q- [% Q0 Y. ~* n注:这是国外图纸。请看附图!/ ~2 U) u# E4 Q4 M% J5 G- b  @
Thanks for your reply!
1.0.jpg
发表于 2007-12-3 21:33:57 | 显示全部楼层 来自: 中国广东深圳
可能是重点控制尺寸吧.
$ z& ]' I. s, R  t: K5 W6 H我见过有在尺寸附近标注星号的,三角形的.反正这个尺寸一定要保证精度.

评分

参与人数 1三维币 +2 收起 理由
zyxwq + 2 积极参与

查看全部评分

发表于 2007-12-3 22:39:18 | 显示全部楼层 来自: 中国广东深圳
应该是总经理说的那个意思,有的是三角形里面加数字来表示修改之处.
发表于 2007-12-3 22:53:48 | 显示全部楼层 来自: 德国
所有面的材料都不能有损害;不允许进行切削加工,也就是说要冲压成型$ D5 Y0 X; m4 [; a/ r
根据  ISO1302
; w  T2 s+ Y. i8 U2 r) H/ c% n& j5 X% W" E2 J8 V
这个符号在ISO1302里,也不是标准的,在顾客问题里。' R$ i8 D8 s# X5 i
8 g/ R; N' `; M( t
PS:我也是在一个国外网站帮你问的。

评分

参与人数 1三维币 +2 收起 理由
zyxwq + 2 积极参与

查看全部评分

 楼主| 发表于 2007-12-4 08:01:08 | 显示全部楼层 来自: 中国香港
我们厂是冲压厂,当然是冲压完成。没有别的意思了吗?
发表于 2007-12-4 08:09:27 | 显示全部楼层 来自: 中国湖北宜昌
冲压完成的意思。
发表回复
您需要登录后才可以回帖 登录 | 注册

本版积分规则


Licensed Copyright © 2016-2020 http://www.3dportal.cn/ All Rights Reserved 京 ICP备13008828号

小黑屋|手机版|Archiver|三维网 ( 京ICP备2023026364号-1 )

快速回复 返回顶部 返回列表