QQ登录

只需一步,快速开始

登录 | 注册 | 找回密码

三维网

 找回密码
 注册

QQ登录

只需一步,快速开始

展开

通知     

查看: 3288|回复: 11
收起左侧

[已解决] 电磁阀和液控单项阀的可靠性

[复制链接]
发表于 2007-12-3 21:28:18 | 显示全部楼层 |阅读模式 来自: 中国江苏徐州

马上注册,结识高手,享用更多资源,轻松玩转三维网社区。

您需要 登录 才可以下载或查看,没有帐号?注册

x
如题,我想知道电磁换向阀和液控单项阀的可靠性谁高啊,哪个不容易出问题。我知道电磁阀容易卡住,不知道液控单项阀如没有什么打不开的情况,大家知道的说说阿。
发表于 2007-12-4 07:29:48 | 显示全部楼层 来自: 中国江苏徐州
液控单向阀同时也有被卡的可能,关键还是要保证油液清洁,液压控单向阀打不开的情况是存在的,如果负载压力很大,需要换用开启比更大的液控单向阀

评分

参与人数 1三维币 +2 收起 理由
晨砂 + 2 感谢您的应助!

查看全部评分

发表于 2007-12-4 15:07:56 | 显示全部楼层 来自: 中国江苏常州
二楼说的对,使用环境决定元件的使用可靠性,两种阀不能比较其可靠性的高低

评分

参与人数 1三维币 +3 收起 理由
9619 + 3 同意你的观点

查看全部评分

 楼主| 发表于 2007-12-7 09:39:48 | 显示全部楼层 来自: 中国江苏徐州
那我想知道液控单项阀出故障的几率大马?油液的清洁度是不是对液控单项阀的能不能打开影响很大啊。
发表于 2007-12-7 09:58:28 | 显示全部楼层 来自: 中国河南郑州
1.我用过的电磁阀还没发生过卡死现象,一般使用时我都能保证液压油在NAS10-NAS8级, L  B# q/ j( F% I9 `0 z6 f: C- R1 X& \
       也碰到过同事不注意液压油导致阀经常卡死的5 k! j1 W7 V  M5 R" w: L! X" h3 P
    2.希望楼主能把你的实际运用说出来大家共同讨论一下,这样比现在讨论好的多,因为
' M1 d3 D" ~! }0 s9 n- a) O4 m       现在的讨论我感觉面太广,不好一棍子打死那个阀,我感觉每个阀只有在它的环境中才9 f$ `; f) s! I" r  L% {
       是最好的元件
发表于 2007-12-8 01:13:52 | 显示全部楼层 来自: 中国上海
同意三楼观点,另补充一点,元件可靠性与系统的合理设计有关,
发表于 2007-12-8 10:38:18 | 显示全部楼层 来自: 中国河北唐山
楼主的问题分几个方面:1密封的可靠性方面:液控单向阀要好些;2动作的可靠性:在这方面不考虑油液污染,液控单向阀应该更容易加工以提高可靠性。
 楼主| 发表于 2007-12-8 21:44:13 | 显示全部楼层 来自: 中国江苏徐州
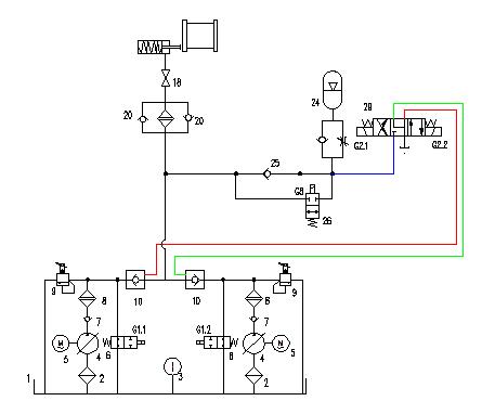
先说说我的应用情况吧。我做的是一个制动器的液压站,为了有较大的安全余量,设计了两套泵站同时工作,一套工作另一套备用,当工作泵站出现问题时切换到另外一路。这个时候其实两个单项阀做一个梭阀来用,当两个泵站都出问题或者停电时,泵不工作,要用蓄能器供油 ,这时油要反向通过单向阀,然后通过阀9,来调节压力,所以用液控的。我怕这时候液控阀打不开,所以问问。
单项阀的图.JPG
发表于 2007-12-9 00:34:18 | 显示全部楼层 来自: 中国河南周口
我感觉楼主还是用电磁换向阀比较好,毕竟2.1和2.2与液控单向阀结合使用比单独用电磁换向阀的故障率多了一个
0 x: [& k* {5 z% o9 A: [        环节

评分

参与人数 1三维币 +5 收起 理由
9619 + 5 谢谢参与应助

查看全部评分

发表于 2007-12-9 20:07:15 | 显示全部楼层 来自: 中国河南安阳
原帖由 cnyang98 于 2007-12-9 00:34 发表 http://www.3dportal.cn/discuz/images/common/back.gif. \1 A- h' y2 ^$ S  Z7 R; c+ G* @
我感觉楼主还是用电磁换向阀比较好,毕竟2.1和2.2与液控单向阀结合使用比单独用电磁换向阀的故障率多了一个+ U# X: O4 B5 ~9 Q6 m* ~5 ?5 @
        环节

( U6 f: @, A6 I- z7 W7 J9 }% f同意这个观点,只就可靠性而言,当一个元件能实现动作要求时,不推荐使用两个元件。
 楼主| 发表于 2007-12-9 21:13:39 | 显示全部楼层 来自: 中国江苏徐州
哈哈,楼上的两位误解了阿,其实两个液控阀有一个是备用的阿,只要有一个能用就可以的,其实用一个液控阀也可以的,为了防止用一个的话出现故障,所以用两个,做为备用的。
发表于 2007-12-9 21:21:40 | 显示全部楼层 来自: 中国河南安阳
又看了一下你的系统,你的系统没有问题。
发表回复
您需要登录后才可以回帖 登录 | 注册

本版积分规则


Licensed Copyright © 2016-2020 http://www.3dportal.cn/ All Rights Reserved 京 ICP备13008828号

小黑屋|手机版|Archiver|三维网 ( 京ICP备2023026364号-1 )

快速回复 返回顶部 返回列表