QQ登录

只需一步,快速开始

登录 | 注册 | 找回密码

三维网

 找回密码
 注册

QQ登录

只需一步,快速开始

展开

通知     

查看: 2878|回复: 5
收起左侧

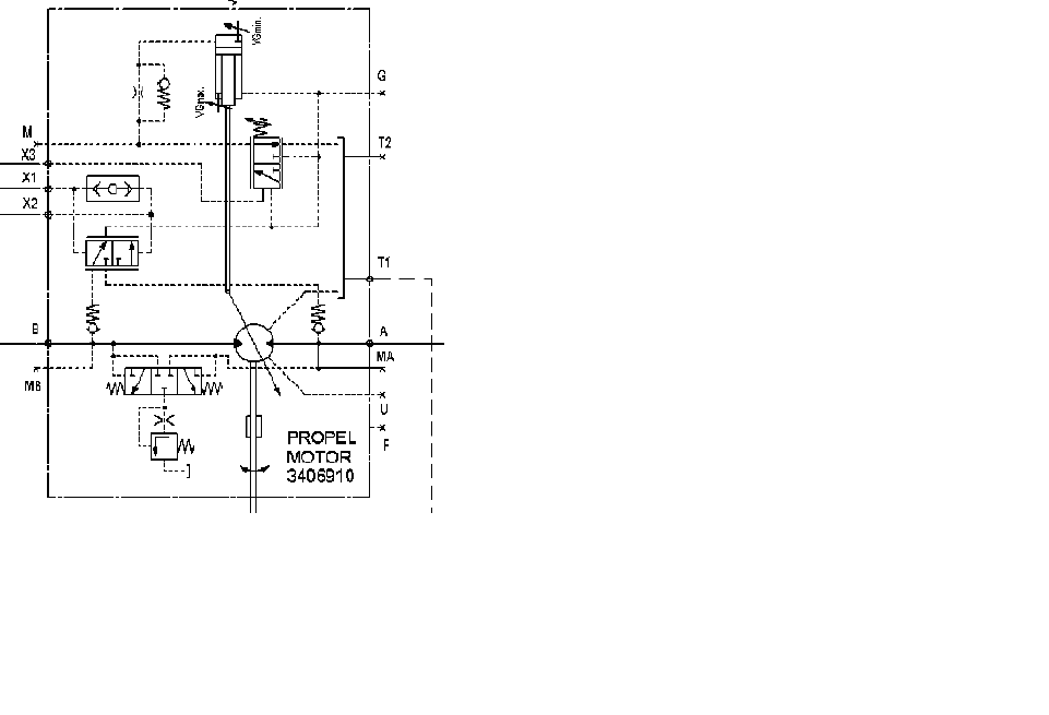
[已解决] 力乐士A6vM马达工作原理

[复制链接]
发表于 2007-12-5 15:37:25 | 显示全部楼层 |阅读模式 来自: 中国广东广州

马上注册,结识高手,享用更多资源,轻松玩转三维网社区。

您需要 登录 才可以下载或查看,没有帐号?注册

x
请教A6Vm原理图中各阀件的作用及工作原理.
% V8 r1 s$ _" M& v- Z) ?; u6 ~怎样实现变量马达的变量.
# S# }, P" e5 l; s0 B4 V
- f8 A7 j* W9 `" x  J6 j[ 本帖最后由 yukixue 于 2007-12-5 15:39 编辑 ]
A6v 马达.bmp
 楼主| 发表于 2007-12-5 15:38:13 | 显示全部楼层 来自: 中国广东广州

力乐士A6vM马达工作原理

其中的三位三通阀的作用是实现过载保护吗
3 g; E& m" W1 T
$ M7 K. ^& K, C% b, X[ 本帖最后由 yukixue 于 2007-12-5 15:45 编辑 ]
发表于 2007-12-5 20:24:32 | 显示全部楼层 来自: 中国安徽铜陵

回复 2# 的帖子

不是用于过载保护的,它与旁边的顺序阀共同作为闭式回路中,低压油路背压和对热油交换!
发表于 2007-12-5 20:47:54 | 显示全部楼层 来自: 中国浙江宁波
楼主所讲的阀习惯上叫做“冲洗阀”,作用楼上已经讲过了。
 楼主| 发表于 2007-12-6 09:37:50 | 显示全部楼层 来自: 中国广东广州
那个接X1口的那个阀是什么阀,怎么作用呀,还有能不能解释一下,相X1 X2 X3G口等都表示什么呀,我只知道A。B口为马达的油出入口。
发表于 2011-10-13 21:31:46 | 显示全部楼层 来自: 中国山西太原
这个图片不怎么清晰啊  楼主,1 d; H0 E7 o! {/ U$ u5 Q
网上比这个清晰的图片多得是
发表回复
您需要登录后才可以回帖 登录 | 注册

本版积分规则


Licensed Copyright © 2016-2020 http://www.3dportal.cn/ All Rights Reserved 京 ICP备13008828号

小黑屋|手机版|Archiver|三维网 ( 京ICP备2023026364号-1 )

快速回复 返回顶部 返回列表