QQ登录

只需一步,快速开始

登录 | 注册 | 找回密码

三维网

 找回密码
 注册

QQ登录

只需一步,快速开始

展开

通知     

查看: 2088|回复: 11
收起左侧

[已解决] 这张图应该怎么画

[复制链接]
发表于 2007-12-12 08:37:13 | 显示全部楼层 |阅读模式 来自: 中国浙江嘉兴

马上注册,结识高手,享用更多资源,轻松玩转三维网社区。

您需要 登录 才可以下载或查看,没有帐号?注册

x
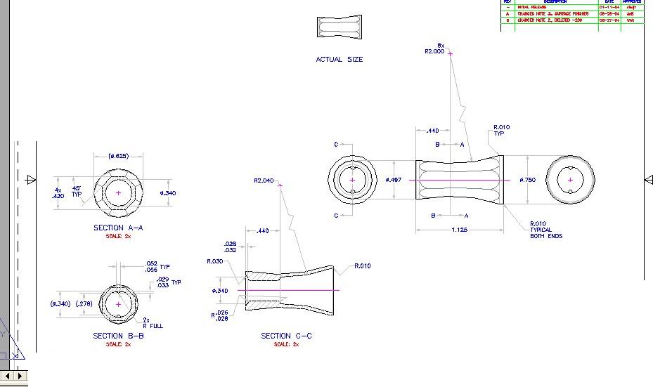
这张图我绘画~1请高手帮帮忙
zz.jpg
发表于 2007-12-12 11:04:04 | 显示全部楼层 来自: 中国山东烟台
图纸有点问题
2 X: _8 s  O9 y1 O% c; t大端尺寸有两个0.825IN和0.75IN
( l8 q' u6 m6 K9 I# }4 ~1 S差别比较大
3 R) E2 N& v0 E/ ?按图纸比例是个斜面的可能性又比较小7 J' W2 [1 }% X$ x' Q* V
而且根据图纸尺寸出来的形状和图上的不一样7 D9 C' o" k6 J+ s9 J/ [' T+ B( p
见附图,大端切出来的形状会和图纸差别很大' ]$ W  ^1 l+ ~" |1 y9 i- l8 l% A# Q

2 R) P2 I% h: T, U! ^6 P[ 本帖最后由 a114977445 于 2007-12-12 11:22 编辑 ]
未命名.JPG
发表于 2007-12-12 12:24:46 | 显示全部楼层 来自: 中国江苏苏州
楼主的图太模糊了( }/ `8 s( l) ^% D8 V
应该是
# z9 @) b! l, b3 ?+ T" n* s, E. O1.放样
3 u& B/ {. i5 W7 |0 M0 m2.切除( }( @; I. Z! i2 y9 ]
3.阵列
" k! {0 @; ~7 `6 i1 k4.内部处理% t/ H4 t: r8 U1 {
5.细节
 楼主| 发表于 2007-12-12 17:10:57 | 显示全部楼层 来自: 中国浙江嘉兴
就是不知道那个切除给怎么切
发表于 2007-12-12 17:57:26 | 显示全部楼层 来自: 中国浙江杭州

回复 4# 的帖子

用手插入切除---扫描切除就好了.$ J' p, x* g  U1 I% C6 P9 f
1.jpg
/ g$ ?. q4 |/ K  w) I  e( ^! w, l8 ]% v2 `6 v# }2 s7 c8 D1 e
[ 本帖最后由 hahap 于 2007-12-12 18:18 编辑 ]
发表于 2007-12-13 09:05:56 | 显示全部楼层 来自: 中国广东中山
楼主,大端数据有问题 
1.jpg
发表于 2007-12-13 10:09:42 | 显示全部楼层 来自: 中国广东中山
改了改数据,大概画了个样子% F0 n9 @; O3 x' u

; X5 J/ y8 O1 W  q[ 本帖最后由 mr.lee 于 2007-12-14 08:24 编辑 ]
zz.jpg

zz.rar

120.73 KB, 下载次数: 17

 楼主| 发表于 2007-12-13 12:12:44 | 显示全部楼层 来自: 中国浙江嘉兴
能传个源文件让我学学好么~!谢谢了
发表于 2007-12-13 22:30:11 | 显示全部楼层 来自: 中国上海
班猪,把源文件放上来让我们看看吧,光看图片不过隐啊
发表于 2007-12-14 08:14:17 | 显示全部楼层 来自: 中国广东深圳
我做了一个简单的看看,尺寸没有加
未命名.JPG

1.rar

140.52 KB, 下载次数: 11

评分

参与人数 1三维币 +3 收起 理由
mr.lee + 3

查看全部评分

发表于 2007-12-14 09:15:18 | 显示全部楼层 来自: 中国浙江宁波
随手画了一个,还没有完工,有些地方要调整一下。
sample.JPG
sample2.JPG
 楼主| 发表于 2007-12-14 18:14:43 | 显示全部楼层 来自: 中国浙江嘉兴
谢谢了啊~!!正在学习~!!
发表回复
您需要登录后才可以回帖 登录 | 注册

本版积分规则


Licensed Copyright © 2016-2020 http://www.3dportal.cn/ All Rights Reserved 京 ICP备13008828号

小黑屋|手机版|Archiver|三维网 ( 京ICP备2023026364号-1 )

快速回复 返回顶部 返回列表