QQ登录

只需一步,快速开始

登录 | 注册 | 找回密码

三维网

 找回密码
 注册

QQ登录

只需一步,快速开始

展开

通知     

全站
6天前
查看: 32943|回复: 63
收起左侧

[已出教程] [031]根据图纸建模(附DWG文件) 截至时间2008-01-07(已取消权限)

 关闭 [复制链接]
发表于 2007-12-12 22:05:11 | 显示全部楼层 |阅读模式 来自: 中国广东汕头

马上注册,结识高手,享用更多资源,轻松玩转三维网社区。

您需要 登录 才可以下载或查看,没有帐号?注册

x
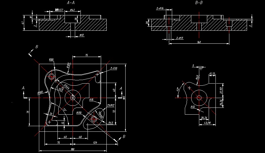
根据图纸尺寸建模。7 {; K( z- H, ]% u- L$ l, i
软件不限。附件上传加权限100' @% p" C3 c/ @
DWG格式平面图文件已上传 实体建模.jpg & n3 j  U% ]/ T2 T! P

  Y) ]1 ^- f$ o, V: q! J[ 本帖最后由 qhdhcs 于 2008-6-23 17:27 编辑 ]

实体建模.rar

29.71 KB, 下载次数: 421

评分

参与人数 1三维币 +11 收起 理由
2374 + 11 鼓励参与论坛活动补充加分

查看全部评分

发表于 2007-12-23 11:09:43 | 显示全部楼层 来自: 中国辽宁抚顺
SW2007 :)% ^0 s, b' l4 l: c( H3 r
1 s6 h7 ]: r: R: l7 P  W4 t
[ 本帖最后由 qhdhcs 于 2008-6-23 16:31 编辑 ]
Image00002.jpg

零件1a.rar

129.13 KB, 下载次数: 31

评分

参与人数 1三维币 +4 收起 理由
唐昕晨 + 4 做题

查看全部评分

发表于 2007-12-23 14:48:56 | 显示全部楼层 来自: 中国广东深圳
proe3.0也来做一个& Z- e$ Q3 d1 x* l- z+ u2 I

6 Z. J* a0 }5 {1 t% l[ 本帖最后由 qhdhcs 于 2008-6-23 16:33 编辑 ]
1215.JPG

stjm.prt.rar

213.77 KB, 下载次数: 27

评分

参与人数 1三维币 +4 收起 理由
唐昕晨 + 4 做题

查看全部评分

发表于 2007-12-23 16:27:56 | 显示全部楼层 来自: 中国山东青岛
jm.jpg
* M* ?2 C, `5 r& _( N+ ]2 o* e# S7 L2 x) J6 s0 E  W
[ 本帖最后由 qhdhcs 于 2008-6-23 16:33 编辑 ]

jm.rar

108.51 KB, 下载次数: 5

评分

参与人数 1三维币 +4 收起 理由
唐昕晨 + 4 做题

查看全部评分

发表于 2007-12-23 16:57:56 | 显示全部楼层 来自: 中国湖南长沙
029]根据图纸建模(附DWG文件) 截至时间2008-01-07 » 发表回复
  J" q7 d3 {. h9 E, mAUTOCAD2006
1 J; ]4 I  B+ o6 t9 [( y6 B' f& Z6 B/ B2 P
[ 本帖最后由 qhdhcs 于 2008-6-23 16:34 编辑 ]
未命名.jpg

实体建模11.rar

41.59 KB, 下载次数: 6

评分

参与人数 1三维币 +4 收起 理由
唐昕晨 + 4 做题

查看全部评分

发表于 2007-12-23 17:14:09 | 显示全部楼层 来自: 中国山东青岛
cad2006产品+ h4 d7 f8 C6 q$ l8 r3 H$ q: J; k
, H# Z% Z6 f& R# i" \' W
[ 本帖最后由 qhdhcs 于 2008-6-23 16:35 编辑 ]
未命名.PNG

实体建模.rar

65.06 KB, 下载次数: 6

评分

参与人数 1三维币 +4 收起 理由
唐昕晨 + 4 做题

查看全部评分

发表于 2007-12-23 20:31:57 | 显示全部楼层 来自: 中国台湾
使用SW2006建立
7 U9 C  n4 Y/ W; J7 y' m% f
% x2 b" F5 q# H- p8 k7 \* K[ 本帖最后由 qhdhcs 于 2008-6-23 16:35 编辑 ]
實體建模.jpg

實體建模.pdf

62.65 KB, 下载次数: 25

實體建模.rar

283.86 KB, 下载次数: 12

评分

参与人数 1三维币 +4 收起 理由
唐昕晨 + 4 做题

查看全部评分

发表于 2007-12-23 22:26:58 | 显示全部楼层 来自: 中国河南郑州
SolidWorks2008!利用2D转3D,直接应用提供的DWG无需再画任何线条。; G4 K& l* v- a
29.JPG 0 w' B! D- n  u: Y% r

! {8 ~/ B1 F  _: S[ 本帖最后由 qhdhcs 于 2008-6-23 16:36 编辑 ]

提交29.zip

472.85 KB, 下载次数: 8

评分

参与人数 1三维币 +4 收起 理由
唐昕晨 + 4 做题

查看全部评分

发表于 2007-12-24 13:24:13 | 显示全部楼层 来自: 中国上海
没事画了一个。
6 {; v0 e; j, o6 O" X% O' d# q- R
, i8 r) R. p5 W  u) _  Z[ 本帖最后由 qhdhcs 于 2008-6-23 16:38 编辑 ]
screenshot.jpg

3dportal_29.prt.rar

183.67 KB, 下载次数: 6

评分

参与人数 1三维币 +4 收起 理由
唐昕晨 + 4 做题

查看全部评分

发表于 2007-12-24 14:51:46 | 显示全部楼层 来自: 中国重庆
就喜欢这类型的,/ P" ]7 d8 x  d6 s
3 W% E: W0 o  K+ e( ^% i% f
[ 本帖最后由 qhdhcs 于 2008-6-23 16:41 编辑 ]
1.jpg

15.rar

107.78 KB, 下载次数: 0

评分

参与人数 1三维币 +4 收起 理由
唐昕晨 + 4 做题

查看全部评分

发表于 2007-12-24 15:14:24 | 显示全部楼层 来自: 中国江苏无锡
SW2007    " m# o* ^' ]/ F  y6 j- d, V
) N' e0 f) C, _# ?
[ 本帖最后由 qhdhcs 于 2008-6-23 16:42 编辑 ]
1.jpg
2.jpg

1.rar

123.2 KB, 下载次数: 2

评分

参与人数 1三维币 +4 收起 理由
唐昕晨 + 4 做题

查看全部评分

发表于 2007-12-24 15:42:38 | 显示全部楼层 来自: 中国广东佛山
proe 2.0 :)$ a5 N6 L4 X- G& K5 r4 C

4 g- w0 O% ]  k" y# \5 X" J[ 本帖最后由 qhdhcs 于 2008-6-23 16:46 编辑 ]
1.jpg

prt0073.prt.rar

226.09 KB, 下载次数: 0

评分

参与人数 1三维币 +4 收起 理由
唐昕晨 + 4 做题

查看全部评分

发表于 2007-12-24 15:57:31 | 显示全部楼层 来自: 中国北京
sw2006 sp5.0
New Bitmap Image.JPG

Part50.zip

136.8 KB, 阅读权限: 100, 下载次数: 0

评分

参与人数 1三维币 +4 收起 理由
唐昕晨 + 4 做题

查看全部评分

发表于 2007-12-24 15:58:26 | 显示全部楼层 来自: 中国山东烟台
做一下试试3 g- L5 h4 @, D2 Y" H3 [$ \- E( P
, U! r# C1 b  R$ Y7 J* X
[ 本帖最后由 qhdhcs 于 2008-6-23 16:46 编辑 ]
未命名.jpg

新建文件夹.rar

228.05 KB, 下载次数: 0

评分

参与人数 1三维币 +4 收起 理由
唐昕晨 + 4 做题

查看全部评分

发表于 2007-12-24 16:33:34 | 显示全部楼层 来自: 中国浙江杭州
SW2007:
+ w3 R- Q: ]+ @# I7 p 1.jpg
1 x0 F' I6 @7 Y3 K# E" @8 v0 o2 a5 _% {+ |
2.jpg ! ^9 c2 c$ D' r$ h
. D  I# d9 L9 w" i; ~; K
3.jpg
: ~# {/ D' G/ ]9 P
8 ?7 K% Z# e1 e0 {5 f  _) ~, Y- ? 特征树显示.jpg / {9 E* Y: }) r( A

) U# i. p* W# |& O( hSW2007文件: Part4.rar (114.69 KB, 下载次数: 5)

评分

参与人数 1三维币 +4 收起 理由
唐昕晨 + 4 做题

查看全部评分

发表于 2007-12-24 16:39:52 | 显示全部楼层 来自: 中国广东东莞
pro3.0完成的。
, B. ~; E) ~2 B3 Z' e7 |原文件又没有保存。
5 f3 z8 w3 [# K4 I- E, u
+ a' E( F5 O/ O8 }0 G[ 本帖最后由 qhdhcs 于 2008-6-23 16:50 编辑 ]
01.JPG
02.JPG

评分

参与人数 1三维币 +4 收起 理由
li5jun1 + 4 下回注意上传文件.

查看全部评分

发表于 2007-12-24 20:07:43 | 显示全部楼层 来自: 中国广东佛山
sw2006.
4 M( n7 _2 Q" A' R8 ` 实体建模1.JPG 7 P! O; r+ g5 a9 I$ `& g0 g
) a4 x+ d& G9 a5 O) A
实体建模.JPG
3 [8 b: r6 V" `' h/ I2 v6 {6 ~, z- G8 h
实体建模.rar (83.66 KB, 下载次数: 1)

评分

参与人数 1三维币 +4 收起 理由
唐昕晨 + 4 做题

查看全部评分

发表于 2007-12-24 20:29:33 | 显示全部楼层 来自: 中国辽宁沈阳
SW2005作。$ Y( w$ ]+ t( I; ^

( p. H* r: w% D3 x[ 本帖最后由 qhdhcs 于 2008-6-23 16:51 编辑 ]
图1.gif
图2.gif

零件1.rar

167.13 KB, 下载次数: 0

评分

参与人数 1三维币 +4 收起 理由
唐昕晨 + 4 做题

查看全部评分

发表于 2007-12-24 21:11:25 | 显示全部楼层 来自: 中国台湾
根据图纸建模,建模软体 CATIA& p; q' J6 u& X. g( M

8 i8 S+ {5 ]+ l1 m/ l) ^1 q% t[ 本帖最后由 qhdhcs 于 2008-6-23 16:52 编辑 ]
實體建模.png

Part1.rar

127.25 KB, 下载次数: 5

评分

参与人数 1三维币 +4 收起 理由
唐昕晨 + 4 做题

查看全部评分

发表于 2007-12-24 22:14:58 | 显示全部楼层 来自: 中国上海
使用软件:SW2006: y, S  c# _" R, _- n( K0 e
2 H4 a) k; D  e6 C
[ 本帖最后由 qhdhcs 于 2008-6-23 16:52 编辑 ]
图纸建模.JPG
图纸建模(带特征树).JPG

图纸建模(SW2006).rar

158.05 KB, 下载次数: 0

评分

参与人数 1三维币 +4 收起 理由
唐昕晨 + 4 做题

查看全部评分

发表于 2007-12-25 09:16:48 | 显示全部楼层 来自: 中国浙江宁波
实体建模,实体设计画图。
5 A& v& S7 I! ~3 o: \ 实体建模.jpg 0 x0 @$ m0 U' U# i8 x* q$ Z: I" z5 s
实体建模2.jpg 6 p9 ?! j# ~/ M% T  c
实体建模设计树.jpg / n: n* K& s+ V9 p7 m( Q2 Z, F5 `
实体建模.rar (105.53 KB, 下载次数: 6)

评分

参与人数 1三维币 +4 收起 理由
唐昕晨 + 4 做题

查看全部评分

发表于 2007-12-26 09:15:31 | 显示全部楼层 来自: 中国浙江杭州
catiav5做的,练习一下。1 U' Y+ v) w/ S- j  _0 c' p9 v4 `8 z
3 `6 D# J+ ^  X2 Q9 s$ _; p* _4 f
[ 本帖最后由 qhdhcs 于 2008-6-23 16:54 编辑 ]
222.jpg

Part1.rar

122.86 KB, 下载次数: 0

评分

参与人数 1三维币 +4 收起 理由
sniper1980 + 4 做题

查看全部评分

发表于 2007-12-26 20:04:56 | 显示全部楼层 来自: 中国江苏无锡

PROE2.0做的

PROE2.0做了一个' b; l# z, B: l+ {5 v( Y
; p7 _3 z  x$ [2 j8 x& r+ h
[ 本帖最后由 qhdhcs 于 2008-6-23 16:56 编辑 ]
截屏000.gif

prt0004.prt.rar

65.75 KB, 下载次数: 0

评分

参与人数 1三维币 +4 收起 理由
唐昕晨 + 4 做题

查看全部评分

发表于 2007-12-27 09:26:32 | 显示全部楼层 来自: 中国广东东莞

实体建模

实体建模,UG45 W# V% L! x" E, y

9 y* b3 d2 Y7 Y. c( L[ 本帖最后由 qhdhcs 于 2008-6-23 16:58 编辑 ]
lx1.jpg

lx25.rar

101.92 KB, 下载次数: 2

评分

参与人数 1三维币 +4 收起 理由
唐昕晨 + 4 做题

查看全部评分

发表于 2007-12-27 09:45:26 | 显示全部楼层 来自: 中国山东淄博
建模.rar (122.34 KB, 下载次数: 0)

评分

参与人数 1三维币 +4 收起 理由
唐昕晨 + 4 做题

查看全部评分

发表回复
您需要登录后才可以回帖 登录 | 注册

本版积分规则


Licensed Copyright © 2016-2020 http://www.3dportal.cn/ All Rights Reserved 京 ICP备13008828号

小黑屋|手机版|Archiver|三维网 ( 京ICP备2023026364号-1 )

快速回复 返回顶部 返回列表