QQ登录

只需一步,快速开始

登录 | 注册 | 找回密码

三维网

 找回密码
 注册

QQ登录

只需一步,快速开始

展开

通知     

全站
10天前
查看: 1548|回复: 4
收起左侧

[求助] 该阀的作用

[复制链接]
发表于 2007-12-13 12:43:51 | 显示全部楼层 |阅读模式 来自: 中国黑龙江双鸭山

马上注册,结识高手,享用更多资源,轻松玩转三维网社区。

您需要 登录 才可以下载或查看,没有帐号?注册

x
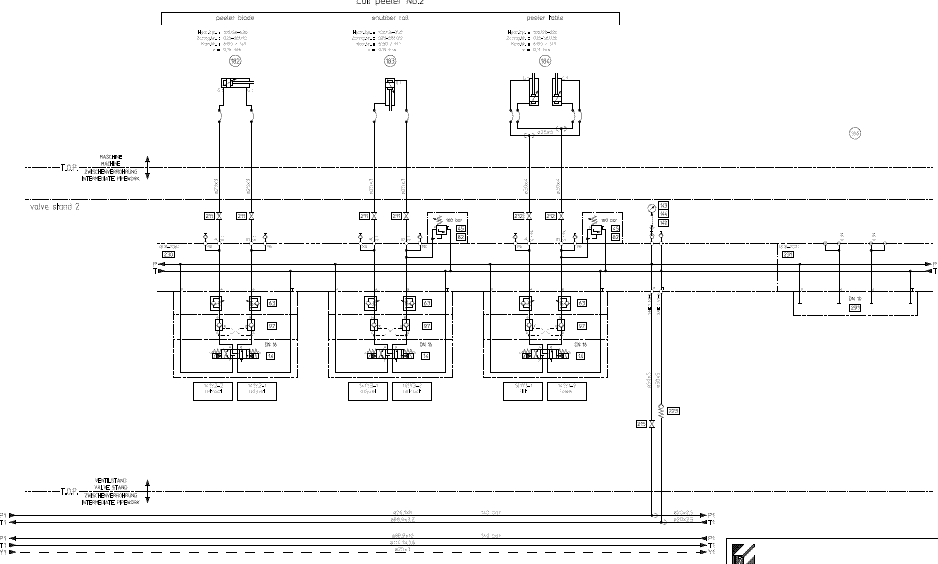
不太明白此处阀的作用?

Z618-701-310000.pdf

154.09 KB, 下载次数: 8

发表于 2007-12-13 12:50:28 | 显示全部楼层 来自: 中国北京
请帖图,这样大家都能看得仔细
发表于 2007-12-13 13:47:35 | 显示全部楼层 来自: 中国江苏徐州
图纸贴上来了,楼主问哪个阀的作用呀?图上并没标出来
未命名.GIF

评分

参与人数 1三维币 +2 收起 理由
晨砂 + 2 感谢您的贴图

查看全部评分

 楼主| 发表于 2007-12-13 14:58:31 | 显示全部楼层 来自: 中国黑龙江双鸭山
中间的那个接在无杆腔的.
发表于 2007-12-13 15:15:46 | 显示全部楼层 来自: 中国江苏常州
那个是直动式溢流阀啊,当安全阀用,无杠腔有压力作用时,活塞杆有个压杆稳定问题,压力过大,活塞杆会折断的,我们这以前就发生过安装人员误操作而活塞杆折断的事故,所以他这图上中间和右边的无杆腔都接了个直动式溢流阀。我们一般在无杠腔都接压力继电器或传感器的,一旦超压就报警停机的。
发表回复
您需要登录后才可以回帖 登录 | 注册

本版积分规则


Licensed Copyright © 2016-2020 http://www.3dportal.cn/ All Rights Reserved 京 ICP备13008828号

小黑屋|手机版|Archiver|三维网 ( 京ICP备2023026364号-1 )

快速回复 返回顶部 返回列表