QQ登录

只需一步,快速开始

登录 | 注册 | 找回密码

三维网

 找回密码
 注册

QQ登录

只需一步,快速开始

展开

通知     

查看: 2936|回复: 10
收起左侧

[已解决] 光洁度0.2的孔 如何加工好

[复制链接]
发表于 2007-12-13 13:52:23 | 显示全部楼层 |阅读模式 来自: 中国浙江宁波

马上注册,结识高手,享用更多资源,轻松玩转三维网社区。

您需要 登录 才可以下载或查看,没有帐号?注册

x
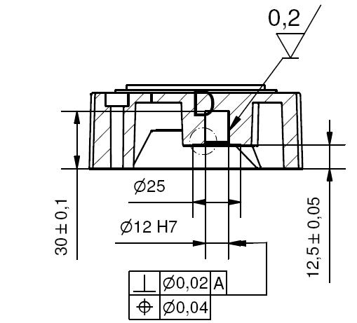
材质为铝合金ADC12& R- J( M5 x! j$ f
如何保证这个孔0.2的光洁度?
/ E4 s( K' J2 e5 z因为是铝的,工厂说用在加工中心上用磨头磨,我担心尺寸又控制不了....: I$ R' c) p( {7 E! z" n
还请各位给点高见,谢谢!
未命名.jpg
发表于 2007-12-13 17:19:23 | 显示全部楼层 来自: 中国北京
先用镗刀镗,大概留0.30-0.50mm余量,然后用CBN的绞刀绞

评分

参与人数 1三维币 +2 收起 理由
hero2006 + 2 应助

查看全部评分

发表于 2007-12-13 17:42:25 | 显示全部楼层 来自: 中国江苏常州
用镜面滚压刀具试试看
 楼主| 发表于 2007-12-14 10:07:42 | 显示全部楼层 来自: 中国浙江宁波
绞孔的时候,转速多少比较适合?
发表于 2007-12-15 15:39:07 | 显示全部楼层 来自: 中国河北沧州
如果有精铸设备,这种精度是能铸出来的。
发表于 2007-12-15 16:56:20 | 显示全部楼层 来自: 中国江苏常州
原帖由 zhangzu 于 2007-12-13 17:19 发表 http://www.3dportal.cn/discuz/images/common/back.gif' e: ~* Q( w' t+ @- S
先用镗刀镗,大概留0.30-0.50mm余量,然后用CBN的绞刀绞
- D- `8 J$ Z. z* V0 k$ v1 W
同意二楼的说法,但我认为CBN的绞刀不能够切刀量过大0.3MM的余量太多.我建议0.1的余量会更好.
4 C7 D! }# B: P4 X  d8 D" E1 O5 |4 ^另外主轴转速不能太高,我建议200r/分左右\走刀量0.15左右.试试看吧!有了结果请跟我讲一下哦!
发表于 2007-12-15 17:05:19 | 显示全部楼层 来自: 中国江苏常州
[quote]原帖由 wjjhbh 于 2007-12-15 16:56 发表 http://www.3dportal.cn/discuz/images/common/back.gif
# D# `6 z: P7 i; w, T7 c; C4 D1 @
. v) z- _* \. s6 Q同意二楼的说法,但我认为CBN的绞刀不能够切刀量过大0.3MM的余量太多.我建议0.1的余量会更好.
  ?+ @' ]! M' W/ t' m2 y8 q: e3 N! r7 t- i3 V" f, w# P) l
另外主轴转速不能太高,我建议200r/分左右\走刀量0.15左右.试试看吧!有了结果请跟我讲一下哦! / o) G( z2 h3 _; d6 `4 x/ V

( Y" V( E& Z; I, B# n同意此说法.加工时最好再用吹枪清理切除物.
发表于 2007-12-15 19:20:04 | 显示全部楼层 来自: 中国黑龙江佳木斯
精度0.2的铝合金的孔,最好是铰孔后进行滚压才能达到.铰孔前留量0.1-0.15,不宜过大.
发表于 2007-12-17 11:29:42 | 显示全部楼层 来自: 中国浙江台州
原帖由 huhenghbh 于 2007-12-15 17:05 发表 http://www.3dportal.cn/discuz/images/common/back.gif) L, u; @2 T( K: C# l
[quote]原帖由 wjjhbh 于 2007-12-15 16:56 发表 http://www.3dportal.cn/discuz/images/common/back.gif9 r: j$ G! P+ @9 J+ p+ Z* g! ^
( J: b( ^1 S7 F, _
同意二楼的说法,但我认为CBN的绞刀不能够切刀量过大0.3MM的余量太多.我建议0.1的余量会更好.
# m* l) A9 U/ d. v5 Q' S+ @5 n7 ]
- F3 A( W6 Y1 G$ m4 d7 [另外主轴 ...

) j- I# P) z0 i5 J最好产品能T6处理,这样表面粗糙度好保证!
发表于 2007-12-17 22:55:48 | 显示全部楼层 来自: 中国四川德阳
弄清楚是不是设计不合理。
0 p6 [7 _* |3 E  q通常H7 的公差只需要Ra0.8或Ra1.6就足够了。
发表于 2007-12-18 00:16:00 | 显示全部楼层 来自: 中国甘肃武威
你这个孔不知具体的作用是什么,就从零件本身来看,似乎不需要这么高的表面精度。
发表回复
您需要登录后才可以回帖 登录 | 注册

本版积分规则


Licensed Copyright © 2016-2020 http://www.3dportal.cn/ All Rights Reserved 京 ICP备13008828号

小黑屋|手机版|Archiver|三维网 ( 京ICP备2023026364号-1 )

快速回复 返回顶部 返回列表