QQ登录

只需一步,快速开始

登录 | 注册 | 找回密码

三维网

 找回密码
 注册

QQ登录

只需一步,快速开始

展开

通知     

全站
10天前
查看: 2078|回复: 5
收起左侧

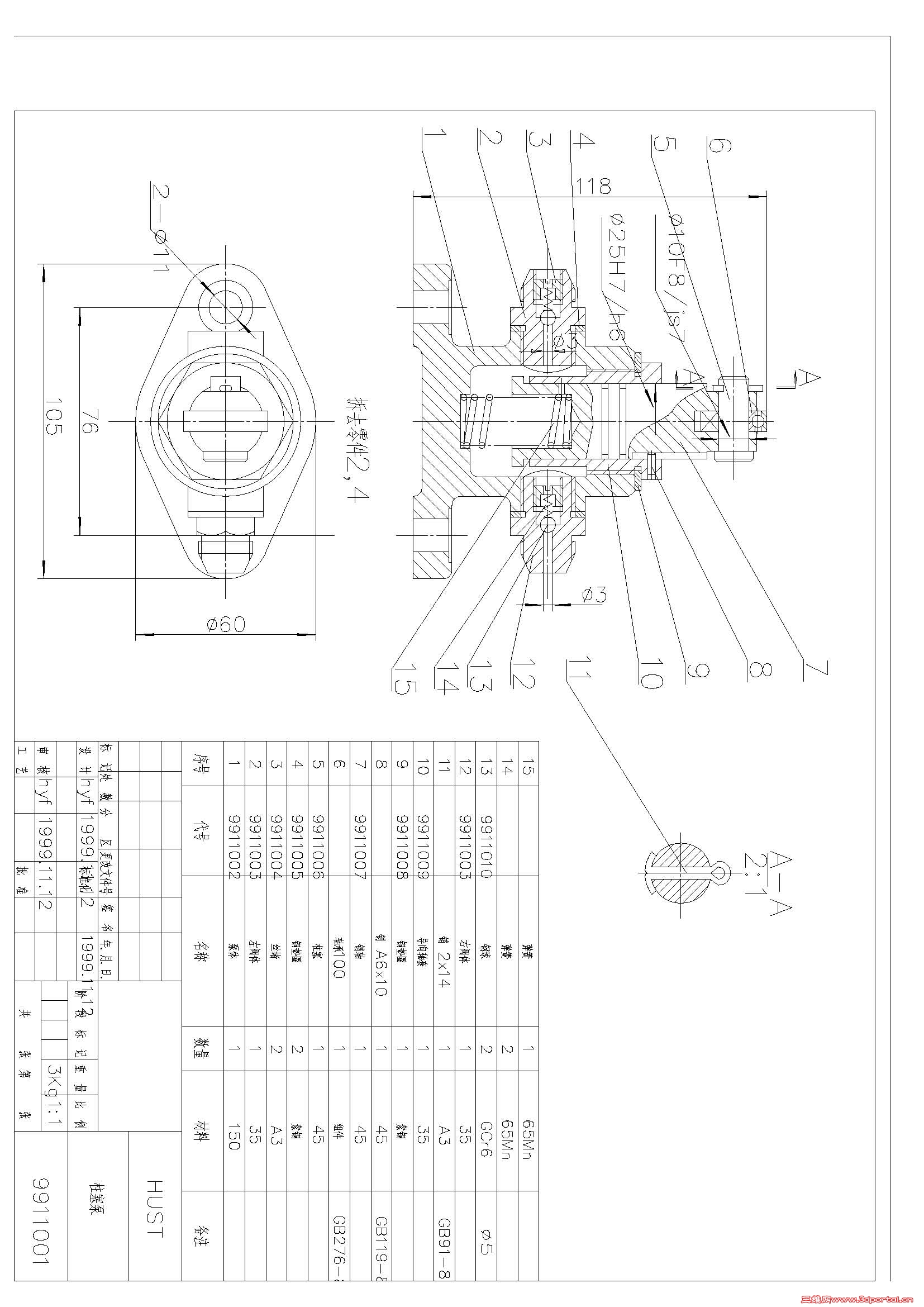
[分享] 柱塞泵套图

[复制链接]
发表于 2007-12-15 15:12:32 | 显示全部楼层 |阅读模式 来自: 中国江苏徐州

马上注册,结识高手,享用更多资源,轻松玩转三维网社区。

您需要 登录 才可以下载或查看,没有帐号?注册

x
新手发帖,柱塞泵套图

柱塞泵装配图.rar

39.26 KB, 下载次数: 246

 楼主| 发表于 2007-12-15 15:13:37 | 显示全部楼层 来自: 中国江苏徐州
下面两个是零件图

零件图1.rar

37.95 KB, 下载次数: 109

零件图2.rar

40.14 KB, 下载次数: 120

发表于 2007-12-15 19:41:27 | 显示全部楼层 来自: 中国云南昆明
我毕业设计时找了好久啊!!!!!!!!!!!楼主早点传上来就好;饿啊
 楼主| 发表于 2007-12-15 19:49:25 | 显示全部楼层 来自: 中国江苏徐州

回复 3# 的帖子

难道你是去年毕业设计的,今年的还没开始呢。要下学期才开始做吧。
发表于 2010-10-31 11:46:54 | 显示全部楼层 来自: 中国天津
这是什么型号的柱塞泵啊?我需要轴向柱带泵的图。最好三维。二维也行。谢谢!
发表于 2011-8-18 10:28:07 | 显示全部楼层 来自: 中国江苏扬州
http://file:///C:/Documents 单柱塞图纸
柱塞泵 Model (1).jpg
发表回复
您需要登录后才可以回帖 登录 | 注册

本版积分规则


Licensed Copyright © 2016-2020 http://www.3dportal.cn/ All Rights Reserved 京 ICP备13008828号

小黑屋|手机版|Archiver|三维网 ( 京ICP备2023026364号-1 )

快速回复 返回顶部 返回列表