QQ登录

只需一步,快速开始

登录 | 注册 | 找回密码

三维网

 找回密码
 注册

QQ登录

只需一步,快速开始

展开

通知     

查看: 1597|回复: 7
收起左侧

[已解决] 新兵兼机加工爱好者报道,有问题求助高手帮忙

[复制链接]
发表于 2007-12-23 16:24:30 | 显示全部楼层 |阅读模式 来自: 中国北京

马上注册,结识高手,享用更多资源,轻松玩转三维网社区。

您需要 登录 才可以下载或查看,没有帐号?注册

x
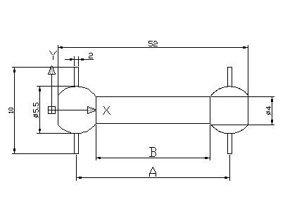
想车这个零件,请问怎么操作?只有一个普通的仪表车床 slash.jpg
发表于 2007-12-23 17:22:33 | 显示全部楼层 来自: 中国安徽合肥
一夹一顶,先车好各处直径,再用正、反圆弧成型刀中间夹一2mm垫块后车成形,切下即可。
3 E5 Z) k5 M& G$ i  r; d
& ~9 s3 p( O# ]# I3 K[ 本帖最后由 ljwquan 于 2007-12-23 17:26 编辑 ]

评分

参与人数 1三维币 +1 收起 理由
清风明月008 + 1 应助

查看全部评分

 楼主| 发表于 2007-12-23 17:35:35 | 显示全部楼层 来自: 中国北京
谢谢楼上的朋友,看来是必须要磨两把成形刀了,但是如果这个件长径比比较大,大于10,用顶尖顶着,车中间4mm的那段是不是容易厥件阿?
发表于 2007-12-23 19:52:35 | 显示全部楼层 来自: 中国江苏常州
如果圆弧要求不是很高,可以这样操作7 [; g; G6 ]9 L# ^
零件两段加工艺头,在车床上加工,另外做一块R2.75的圆弧样板,这样就能加工出来了

评分

参与人数 1三维币 +1 收起 理由
清风明月008 + 1 应助

查看全部评分

发表于 2007-12-23 20:54:29 | 显示全部楼层 来自: 中国湖北宜昌
先打两端中心孔,再夹一端车另一端φ10外圆,再用尖刀采用大拖板与中配合进刀租拨球形,再用成型刀加工至尺寸.调头同理加工.

评分

参与人数 1三维币 +2 收起 理由
清风明月008 + 2 应助

查看全部评分

发表于 2007-12-24 09:29:20 | 显示全部楼层 来自: 中国安徽合肥

回复 3# 的帖子

如果怕厥件,就按5楼版主的工艺步骤加工。
发表于 2007-12-26 17:05:02 | 显示全部楼层 来自: 中国陕西西安
5楼的说的不错,用样板再加工慢慢进刀应该没问题的。
发表于 2007-12-26 17:33:08 | 显示全部楼层 来自: 中国江苏常州
支持5#的方案 ,图上A尺寸表示的是两支销子吗,Φ5.5好象应标为SΦ5.5吧。
发表回复
您需要登录后才可以回帖 登录 | 注册

本版积分规则


Licensed Copyright © 2016-2020 http://www.3dportal.cn/ All Rights Reserved 京 ICP备13008828号

小黑屋|手机版|Archiver|三维网 ( 京ICP备2023026364号-1 )

快速回复 返回顶部 返回列表