QQ登录

只需一步,快速开始

登录 | 注册 | 找回密码

三维网

 找回密码
 注册

QQ登录

只需一步,快速开始

展开

通知     

查看: 1451|回复: 4
收起左侧

[已答复] 寻求帮助

[复制链接]
发表于 2007-12-27 11:06:25 | 显示全部楼层 |阅读模式 来自: 中国山东泰安

马上注册,结识高手,享用更多资源,轻松玩转三维网社区。

您需要 登录 才可以下载或查看,没有帐号?注册

x
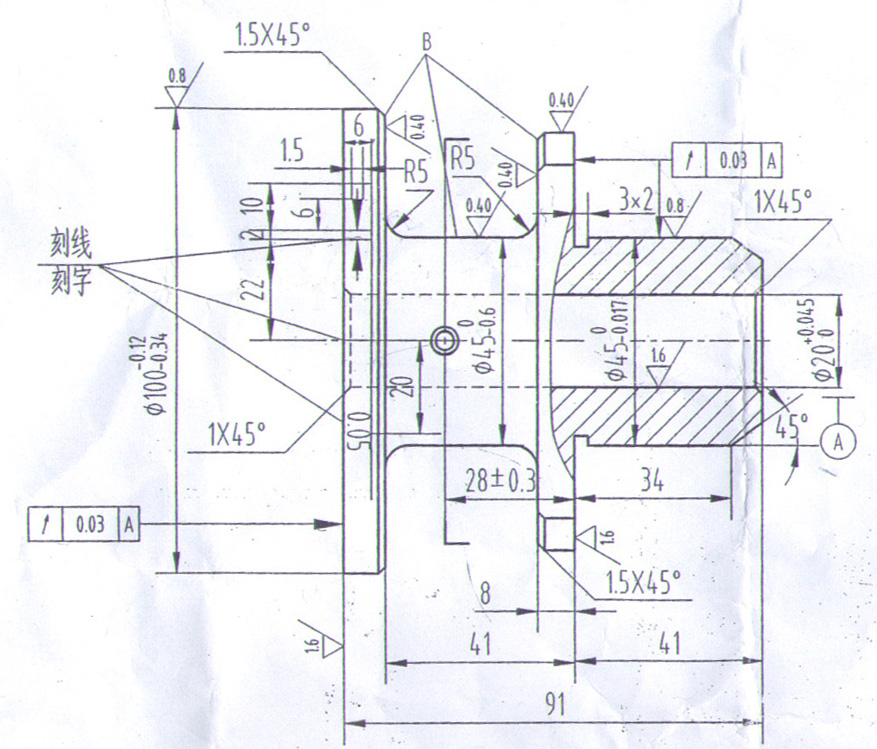
您们好,可以帮帮我吗?我在做课程CA6140法兰盘831004的设计,就要交了,帮帮我好吗?谢谢了!我的邮箱jingting02@163.com谢谢了!
27_891516_e1fbfc9754309a7.jpg
发表于 2007-12-27 11:33:29 | 显示全部楼层 来自: 中国浙江宁波
我也在找啊   同命人
发表于 2007-12-27 11:39:44 | 显示全部楼层 来自: 中国陕西西安
我在做论文呢,快累死了,好多地方也不会
发表于 2007-12-27 15:27:59 | 显示全部楼层 来自: 中国山西太原
给你找点毛病:; B8 W# a% w! t, E0 U  Y5 m) N7 F
1  φ45(0/-0.017)的轴线作为基准A因为这里精确度高,将φ20(+0.045/0)标成以A为基准的同轴度,公差值取0.03不合理,取0.012.7 ?# c' ?. f, D6 K8 s
2  端面跳动标成与基准A的垂直度,其公差值取0.012.& A# S- P+ |. a7 s+ \
3  3×2退刀槽的标法一规范,应标槽宽和槽底直径。
+ @, ]& v0 ~: l, {4 _* `* h/ {4  左端面也应标成与基准A的垂直度,公差值取0.03同样太大。
) i2 N) p4 u" d8 ]1 G9 M5  厚8mm的盘,外径未标,是否此图未画完全,此外圆的表面粗糙度R0.4,不知为什么这么高,是否有配合件。2 |" v. z% }' D* V3 y" }
6  油孔处剖面未画出,应画完整,标出孔及倒角尺寸。) U4 i* S+ [) r( `
7  刻线应画出一部分,以表示出刻线部位。另应放大画出,标上尺寸。
: ]4 P0 D) q/ Z8  图中B表示什么意思?

评分

参与人数 1三维币 +7 收起 理由
userkypdy + 7 应助

查看全部评分

发表于 2007-12-30 13:20:52 | 显示全部楼层 来自: 中国香港
1、0.4粗糙度的面应该不是主要工作面(不可能安装轴瓦等),为什么这么高?
4 C. C6 l5 G) ^+ o) B2、端线刻字----端线在那里?是端面吧
! ]8 u7 c7 p! S: B; h6 B& F3、轴线为A基准,和A线垂直的面相对A线的跳动不大于0.03,是什么意思,我不理解(难道是我太久不画图了?)。是不是后面没有必要标注A
; j! H" t  x, v& n# R- O4、什么轴,各个轴面精度都要求那么高,这样加工成本也高。
  l! t8 q+ p# D. u- q4 a; T$ K5、其他没有标注粗糙度的面呢,要求是多少?4 M. e$ X3 H# L" j$ }( n/ l
6、为什么前端要切一个7X45度的大倒角,有必要吗?
* C8 _* j) r. ?/ {7、R5是不是可以在技术要求中写出来?
, X. s/ O9 i% w& M1 D0 M8、你的技术要求呢?
% V( w, L: Y$ |8 \7 r" c
% |' s+ v3 ]2 V9 {$ `2 j0 H  f; d9、倒角一些是1.5x45,一些是1x45,有必要吗?能统一吗9 o+ U. p$ I  r
10、倒角是不是也可以在技术要求中写明
发表回复
您需要登录后才可以回帖 登录 | 注册

本版积分规则


Licensed Copyright © 2016-2020 http://www.3dportal.cn/ All Rights Reserved 京 ICP备13008828号

小黑屋|手机版|Archiver|三维网 ( 京ICP备2023026364号-1 )

快速回复 返回顶部 返回列表