QQ登录

只需一步,快速开始

登录 | 注册 | 找回密码

三维网

 找回密码
 注册

QQ登录

只需一步,快速开始

展开

通知     

查看: 3030|回复: 5
收起左侧

[讨论结束] 双控开关的线怎么接呀

 关闭 [复制链接]
发表于 2007-12-28 16:04:14 | 显示全部楼层 |阅读模式 来自: 中国浙江宁波

马上注册,结识高手,享用更多资源,轻松玩转三维网社区。

您需要 登录 才可以下载或查看,没有帐号?注册

x
请教大家,双控开关的线怎么接呀,我画了好多搞不出来,谢谢
发表于 2007-12-28 16:23:25 | 显示全部楼层 来自: 中国江苏南通

双控原理如附图

双控原理如附图

双控原理.rar

6.11 KB, 下载次数: 9

发表于 2007-12-29 08:53:19 | 显示全部楼层 来自: 中国陕西西安
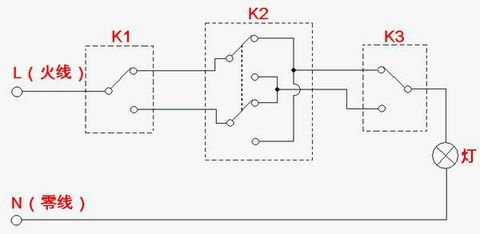
2楼的图不对,不能实现双控。' K- _. d+ O% \- M6 f& F4 ^5 W
所谓双控开关,是由两个独立的单刀双掷开关组合来实现的,现在市场上几乎每个品牌和系列的开关都有单极和双极的,那个双极的就是我们这里用的。从下面的图上可以看出无论你拨动哪个开关(K1或K2),整个电路的状态都会切换(连通和断开),这就实现了任何一个开关都可以随时打开或关掉所控制的灯,这就是双控。同样,三控开关就是说三个不同地点的开关可以任意地用其中一个随意控制一个灯,它的电路复杂一点,用到了一个双刀双掷开关。- ?5 {) D, w: f! q+ @; j
0 p9 l) K8 t, n8 m% D  ~% S

3 ^) C3 P* H. |9 A8 R附图双控和三控接线图
双控.jpg
三控.jpg

评分

参与人数 1三维币 +3 收起 理由
bdblbyq + 3 应助

查看全部评分

发表于 2007-12-29 08:59:45 | 显示全部楼层 来自: 中国山东济宁
3#开心就好的原理图是对的,2#的错了.
- }& r9 ~2 T0 h4 b' f6 I
4 c$ X% D: @6 o% ^9 w/ s[ 本帖最后由 gzyzgzyz 于 2007-12-29 09:12 编辑 ]
发表于 2007-12-29 14:56:27 | 显示全部楼层 来自: 中国江苏南通
不好意思,我搞错了,应是3楼的对

双控原理.rar

5.61 KB, 下载次数: 5

发表于 2008-1-2 17:30:59 | 显示全部楼层 来自: 中国广东佛山
图是没错  在实际中接线有很 多人会糊涂了
7 Q5 K2 R3 Y# e& c  ]) T% T要记住开关上的接线标注   开关上有三个标记  L   A    B
) P" Z% k6 Y# s- I: qL  就不用说了2 Y2 _1 j) i' R- @$ ~( ~0 v! G
A    B  交叉接线就好了
发表回复
您需要登录后才可以回帖 登录 | 注册

本版积分规则


Licensed Copyright © 2016-2020 http://www.3dportal.cn/ All Rights Reserved 京 ICP备13008828号

小黑屋|手机版|Archiver|三维网 ( 京ICP备2023026364号-1 )

快速回复 返回顶部 返回列表