QQ登录

只需一步,快速开始

登录 | 注册 | 找回密码

三维网

 找回密码
 注册

QQ登录

只需一步,快速开始

展开

通知     

全站
8天前
查看: 5241|回复: 16
收起左侧

[求助] 螺栓等级问题?

[复制链接]
发表于 2007-12-29 08:56:45 | 显示全部楼层 |阅读模式 来自: 中国浙江绍兴

马上注册,结识高手,享用更多资源,轻松玩转三维网社区。

您需要 登录 才可以下载或查看,没有帐号?注册

x
谁知道未标注螺栓性能等级的螺栓是几级?是8.8级吗?精度等级又是多少?6级?
5 p$ q7 K: S3 H! {" J! |8 B谁有这方面的资料,能分享一下吗?
发表于 2007-12-29 09:03:02 | 显示全部楼层 来自: 中国浙江台州
应该为4。8级吧,精度等级为6级
发表于 2007-12-29 09:14:04 | 显示全部楼层 来自: 中国陕西西安
螺栓性能等级的含义9 u* _) q& O5 D+ r
钢结构连接用螺栓性能等级分3.6、4.6、4.8、5.6、6.8、8.8、9.8、10.9、12.9等10余个等级,其中8.8级及以上螺栓材质为低碳合金钢或中碳钢并经热处理(淬火、回火),通称为高强度螺栓,其余通称为普通螺栓。: T- v! h0 g6 ~) d6 ]
/ i, K! d8 N% `6 H! z% L8 O
螺栓性能等级标号有两部分数字组成,分别表示螺栓材料的公称抗拉强度值和屈强比值。例如,性能等级4.6级的螺栓,其含义是:
3 v, ]4 h& z! h. Y% C* _/ ~
, @$ f$ `& O, k, I+ R( V# r" j+ i1、螺栓材质公称抗拉强度达400MPa级;8 y# T9 g1 r$ K' l; f+ H4 K# S
. Z3 }% W& U- {5 T, T% c2 c
2、螺栓材质的屈强比值为0.6;
. S/ _. A, R, ^1 q# D- h/ M( h: x* s4 @2 P$ w
3、螺栓材质的公称屈服强度达400×0.6=240MPa级/ |/ v% W& a: m" e) d/ h
; c( s* \0 f: v. _
性能等级10.9级高强度螺栓,其材料经过热处理后,能达到3 J/ p3 W+ z, K' o* o1 V& ~
+ a0 b4 O9 c" p4 t
1、螺栓材质公称抗拉强度达1000MPa级;7 D3 P6 Z" y1 ?5 X- d- Y9 N. Q

4 E+ O5 \8 d, c. X9 B4 H2、螺栓材质的屈强比值为0.9;
* u, @; U. ~3 ^# N' G3 Q+ Q# H! a7 z2 L
3、螺栓材质的公称屈服强度达1000×0.9=900MPa级
, |$ \) c: m! }! e( \; F8 J1 C
0 T9 k1 @6 c% \, }* J3 w/ l6 V螺栓性能等级的含义是国际通用的标准,相同性能等级的螺栓,不管其材料和产地的区别,其性能是相同的,设计上只选用性能等级即可
1 H; F: ?' t$ V2 C! Y$ v5 W实际上螺栓选用的时候除了考虑强度外,还要考虑材料及表面处理要求。
  F" T' T5 ~8 k/ [9 f! U% Z( K4 F' W$ g  g7 s& ]
比如在潮湿带腐蚀性条件下工作的螺栓都要考虑这些问题,有时材料需要使用不锈钢,或者表明镀光亮铬(除了防锈,还有装饰作用),或者煮黑、镀锌等。& P  _0 S  y' k; L0 D

3 g9 V( C/ w2 |9 @有时候还需要考虑到批量装配使用的要求,比如螺牙的粗糙度等,汽车装配时大多使用自动或半自动化的装配工具来安装螺钉,螺钉的表面如过于粗糙,装配工具达到所设定的扭矩的时候,所产生的轴向预紧力与光滑螺牙所产生的轴向预紧力是有很大的差别的。汽车螺栓在装配时,通常会在螺牙上涂润滑剂,一是用来防腐蚀,二是用来降低螺牙表面因粗糙度的差异所产生的摩擦力的不一致情况。

评分

参与人数 1三维币 +2 收起 理由
hero2006 + 2 技术讨论

查看全部评分

发表于 2007-12-29 09:32:23 | 显示全部楼层 来自: 中国上海
楼上的答非所问。4 o; r8 w8 b( n, e/ j% i  X
/ V( D. @. v" G! G: O1 B+ u+ C& M
未注的性能等级,各种不同的螺栓的是不一样的,最常见的C级六角头螺栓是4.8级,而A级和B级是8.8级,内六角螺钉是8.8级,每个标准中最后标记示例中列出的性能等级就是省略标记。7 S# m/ R+ o6 w- q; \4 [2 Q
# Q- ]. g' p# P0 m! l4 g1 O  x# @) v
精度等级按照标准号,一个标准对应一个精度等级,如GB/T5780-2000 《六角头螺栓 C级》,而GB/T5782-2000 《六角头螺栓》中的精度等级是A级和B级(按尺寸分段是A级或B级)。
+ G8 p* w! f8 d/ h+ U0 N( ~螺栓的精度等级用A、B、C级表示(从高到低),其中采用螺纹的公差,A级和B级是6g,C级是8g,除了螺纹精度,还有螺栓的其他方面的尺寸、形位公差精度等级,不仅仅是螺纹精度,所以用6g、8g表达是不合适的。详细的规定请看GB/T3103.1-2002《紧固件公差 螺栓、螺钉、螺柱和螺母》。
: U9 Z  b4 _' r2 l, O* k" B/ y* V. V' ~: J: }
下面几个贴图摘自《实用紧固件手册》,上海科技出版社,表中字体为粗黑体的,就是可以在螺栓标记中省略的等级、处理方法等。如果要详细了解,可以看紧固件标准或类似的手册。2 c6 y+ ^5 o8 N! z1 D3 V& L
1 E) r% L6 W! Y7 q9 s" h
[ 本帖最后由 lhf999 于 2007-12-29 09:44 编辑 ]
LS1.JPG
LS2.JPG
LS3.JPG
LS4.JPG
LS5.JPG

评分

参与人数 1三维币 +5 收起 理由
hero2006 + 5 应助

查看全部评分

发表于 2007-12-29 10:21:30 | 显示全部楼层 来自: 中国山西太原
螺栓机械性能等级
; r' M9 ^; r3 n; _  m& A钢结构连接用螺栓性能等级分3.6、4.6、4.8、5.6、6.8、8.8、9.8、10.9、12.9等10余个等级,其中8.8级及以上螺栓材质为低碳合金钢或中碳钢并经热处理(淬火、回火),通称为高强度螺栓,其余通称为普通螺栓。普通螺栓C级相当不经钝化处理的相当于4.6级,经钝化处理的相当于4.8级。A级、B级相当于8.8级。
$ w4 i0 J- ?& F* Z. Y, v$ |  w5 `
) J4 h3 P! w" {1 p[ 本帖最后由 gaoyns 于 2007-12-29 10:32 编辑 ]

评分

参与人数 1三维币 +2 收起 理由
hero2006 + 2 应助

查看全部评分

发表于 2007-12-29 11:51:32 | 显示全部楼层 来自: 中国吉林吉林市
涨学问,非常好的主题
发表于 2007-12-29 22:27:15 | 显示全部楼层 来自: 中国江苏无锡
公称直径≥5mm的, 除六角头和六角花形头的螺栓,所有性能等级的标识是强制的, 其它螺栓8.8及以上是强制的.公称直径<5mm的,可以不标识.: q% j4 H7 G2 j( F
/ d( ]+ }3 c, n' W. S( @/ D
  D! X) N2 T9 G; ^- [) ?2 \9 f
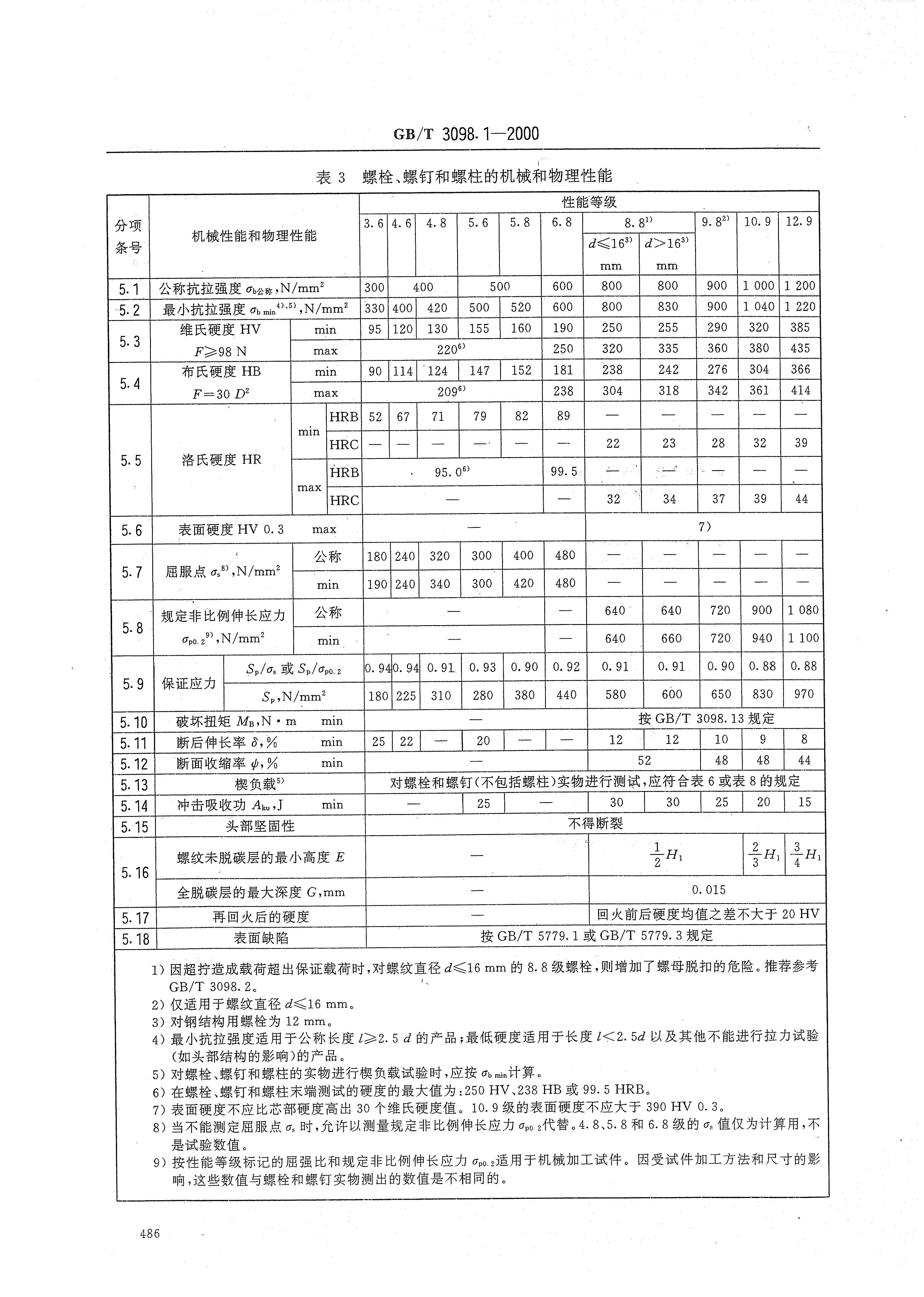
机械性能可参见下面的
GB-T 3098.1-2000_Page_1.jpg
GB-T 3098.1-2000_Page_2.jpg
GB-T 3098.1-2000_Page_3.jpg

评分

参与人数 1三维币 +3 收起 理由
hero2006 + 3 应助

查看全部评分

发表于 2007-12-30 11:26:52 | 显示全部楼层 来自: 中国山东泰安
学习了,谢谢各位good
发表于 2007-12-30 16:56:30 | 显示全部楼层 来自: 中国河北唐山
国家标准规定正规厂家都应该在螺栓的头部标注螺栓等级及生产厂家可识别的标识号。
发表于 2007-12-31 09:32:07 | 显示全部楼层 来自: 中国天津
如果图纸上对螺栓的等级没有进行标注,一般可以理解为这就是普通螺栓,而8.8级已经属于高强度螺栓,所以楼主的理解值得商榷。
发表于 2007-12-31 10:59:56 | 显示全部楼层 来自: 中国山东青岛
不学不知道,一看还真不知道,谢谢!!!
发表于 2008-1-4 16:44:54 | 显示全部楼层 来自: 中国河北秦皇岛

回复 5# 的帖子

请教钝化处理是怎样的处理方法
发表于 2008-1-4 16:56:42 | 显示全部楼层 来自: 中国福建泉州

回复 12# 的帖子

钝化处理有磷化、电镀、氧化等等
发表于 2008-1-5 09:33:07 | 显示全部楼层 来自: 中国河北秦皇岛
非常感谢!就是螺栓的表面处理吗?磷化皂化镀锌浸油等.
发表于 2008-1-5 13:33:43 | 显示全部楼层 来自: 中国四川绵阳

回复 14# 的帖子

这里真的是高手云集啊,课本上是不容易学到的
发表于 2008-1-6 12:28:33 | 显示全部楼层 来自: 中国浙江舟山
对于国标件比如GB/T5783,在未注的情况下的螺纹精度是6g,强度是8.8级,表面处理是镀彩锌,对于未注尺寸公差在GB/T3103。1中有规定,但是国标还没有对未注强度等级作出规定。

评分

参与人数 1三维币 +2 收起 理由
hero2006 + 2 技术讨论

查看全部评分

发表于 2008-1-8 01:25:57 | 显示全部楼层 来自: 中国台湾
一般我們客戶沒有要求級數,就看是否有要求材質材質的要求,也是可以查規範
发表回复
您需要登录后才可以回帖 登录 | 注册

本版积分规则


Licensed Copyright © 2016-2020 http://www.3dportal.cn/ All Rights Reserved 京 ICP备13008828号

小黑屋|手机版|Archiver|三维网 ( 京ICP备2023026364号-1 )

快速回复 返回顶部 返回列表