QQ登录

只需一步,快速开始

登录 | 注册 | 找回密码

三维网

 找回密码
 注册

QQ登录

只需一步,快速开始

展开

通知     

查看: 2511|回复: 6
收起左侧

[已解决] 各种传动轴

[复制链接]
发表于 2008-1-2 16:39:26 | 显示全部楼层 |阅读模式 来自: 中国广东深圳

马上注册,结识高手,享用更多资源,轻松玩转三维网社区。

您需要 登录 才可以下载或查看,没有帐号?注册

x
大家说说各种传动轴的材料及技术要求。谁有这方面的资料。多谢关注。
发表于 2008-1-2 19:33:02 | 显示全部楼层 来自: 中国江苏南京
QC T 29082-92汽车传动轴总成技术条件.doc
" U0 R. }9 {# F2 X QC/T523-1999《汽车传动轴总成台架试验方法》

评分

参与人数 1三维币 +3 收起 理由
hero2006 + 3 应助

查看全部评分

发表于 2008-1-2 19:45:51 | 显示全部楼层 来自: 中国浙江台州
传动轴是一个总成,零件很多,材料不同就没法细说,连接法兰和万向节叉、轴叉、花键套等主要是45钢或40Cr,轴管是无缝钢管或高密焊管。
0 K; C% L! X  P- g! }8 h; VQC T 29082-92汽车传动轴总成技术条件.doc
7 p8 c  J4 o% Phttp://www.3dportal.cn/discuz/vi ... 097&highlight=29082
9 E8 X' d) ]4 `2 g- {QC/T523-1999《汽车传动轴总成台架试验方法》
! z. c1 t, E* {3 d( _: S4 P( b* Mhttp://www.3dportal.cn/discuz/vi ... 127688&page=1&extra
6 M' Y  }6 x+ C! ~; G0 ?
0 x- M+ {6 g; B7 _8 ~[ 本帖最后由 sure16949 于 2008-1-2 20:03 编辑 ]

评分

参与人数 1三维币 +4 收起 理由
hero2006 + 4 应助

查看全部评分

发表于 2008-1-2 20:41:26 | 显示全部楼层 来自: 中国江苏常州
根据受力情况和环境来确定啊
/ L+ _. S# h: U1 J/ @  F: `普通的可以用45,40Cr,20Cr等等& [/ ^0 W6 j: ~0 u/ C
耐腐蚀的用不锈钢
# l- B2 a/ N# `$ e! h3 r耐高温的用对应的材料
! j" l; r* m1 b/ U3 l) d0 H; B不一定啊0 m" M6 ]6 b1 s  s
------------------------  j6 Y. ^% E" _$ z( n- p7 S
楼主你的是什么具体情况啊?

评分

参与人数 1三维币 +3 收起 理由
hero2006 + 3 应助

查看全部评分

发表于 2008-1-3 09:34:26 | 显示全部楼层 来自: 中国山西太原
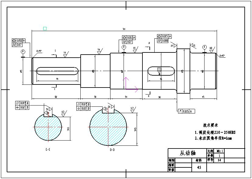
轴的材料一般负荷用45钢,负荷较大的用40Cr、42Cr Mo、40CrMnMo.
  c+ C+ H+ Y; E) E技术要求中主要有:热处理要求、加工倒角、轴肩过渡圆角等。$ F0 f: e8 T9 x
示例图:3 }9 @3 g6 y9 z
8 |9 c. W- h: g3 ]6 z
[ 本帖最后由 gaoyns 于 2008-1-3 09:42 编辑 ]
从动轴.jpg

评分

参与人数 1三维币 +4 收起 理由
hero2006 + 4 应助

查看全部评分

发表于 2008-1-3 12:36:53 | 显示全部楼层 来自: 中国福建漳州
传动轴是一个总称,分很种轴,不过结构也有很多不同,就个人见过的材料有45,40Cr,38CrMoAL,38CrMo,等,有表面淬火的,表面镀硬铬的,有表面渗氮/渗碳的热处理要求,我有一个轴设计的资料,可以给我发邮件,我发给你看一下,我的邮箱是,sunlantao65@sina.com
发表于 2008-1-4 09:39:37 | 显示全部楼层 来自: 中国甘肃兰州
传动轴:实心传动轴、空心传动轴、花键传动轴、万向传动轴、法兰传动轴、软轴、蜗轮传动轴等等。
/ y5 L7 e& z7 B- _. o; W7 y- ~材料:一般为45#钢。扭矩大的用合金钢,转矩小的可以用结构钢。
发表回复
您需要登录后才可以回帖 登录 | 注册

本版积分规则


Licensed Copyright © 2016-2020 http://www.3dportal.cn/ All Rights Reserved 京 ICP备13008828号

小黑屋|手机版|Archiver|三维网 ( 京ICP备2023026364号-1 )

快速回复 返回顶部 返回列表