QQ登录

只需一步,快速开始

登录 | 注册 | 找回密码

三维网

 找回密码
 注册

QQ登录

只需一步,快速开始

展开

通知     

全站
10天前
查看: 1589|回复: 3
收起左侧

[求助] 分流集流阀

[复制链接]
发表于 2008-1-3 16:36:30 | 显示全部楼层 |阅读模式 来自: 中国广东深圳

马上注册,结识高手,享用更多资源,轻松玩转三维网社区。

您需要 登录 才可以下载或查看,没有帐号?注册

x
大家看看这种型号的同步阀。MH2FAR。哪位大师了解,请帮我解剖一下。不胜感谢。
发表于 2008-1-3 23:20:07 | 显示全部楼层 来自: 中国湖南长沙
好像是力士乐的阀。。
发表于 2012-10-21 14:16:21 | 显示全部楼层 来自: 中国广东汕尾
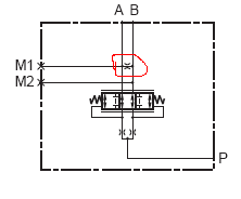
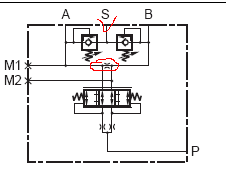
MH2FAR是力士乐的分流集流阀型号,该阀可用在开式和闭式回路中,有七种标准的分流比可供选择。分流阀的分流比通过弹簧调节,分流精度可以达到3~5%(与流量有关),有最低稳定流量要求,但此处的分流精度并不等同于系统的分流精度,系统的分流精度还与负载、系统流量以及连接管路等有关。MH2FAR中A/B口之间的固定液阻在必要时候起到平衡流量的作用。

不带压力补油阀

不带压力补油阀

剖视图

剖视图

压力补油阀部分

压力补油阀部分

带压力补油阀,S口一般与补油泵口连接

带压力补油阀,S口一般与补油泵口连接
发表于 2012-10-24 20:41:42 | 显示全部楼层 来自: 中国河南郑州
力士乐的阀 这个阀现在用的少吧,我记得好像是在防打滑的时候用
发表回复
您需要登录后才可以回帖 登录 | 注册

本版积分规则


Licensed Copyright © 2016-2020 http://www.3dportal.cn/ All Rights Reserved 京 ICP备13008828号

小黑屋|手机版|Archiver|三维网 ( 京ICP备2023026364号-1 )

快速回复 返回顶部 返回列表