QQ登录

只需一步,快速开始

登录 | 注册 | 找回密码

三维网

 找回密码
 注册

QQ登录

只需一步,快速开始

展开

通知     

全站
9天前
查看: 3529|回复: 4
收起左侧

[已解决] 德国图纸中的BZ表示什么意思?

[复制链接]
发表于 2008-1-3 17:35:56 | 显示全部楼层 |阅读模式 来自: 中国四川眉山

马上注册,结识高手,享用更多资源,轻松玩转三维网社区。

您需要 登录 才可以下载或查看,没有帐号?注册

x
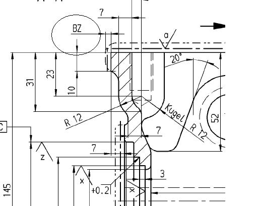
谁能告诉我德国图纸中的BZ表示什么意思?
9 y6 A3 ~. @  i! W& C谢谢。
  D) ^4 c  p$ S" N2 Y* B
! t9 I5 Z% v4 n' D! z, l  F+ d[ 本帖最后由 dxm 于 2008-1-4 12:54 编辑 ]
未命名.JPG
发表于 2008-1-3 19:00:00 | 显示全部楼层 来自: 中国江苏苏州
你可以发一张图纸我看一下,
4 n2 d' W. z( {- m这样说我不好回答你
发表于 2008-1-9 11:51:25 | 显示全部楼层 来自: 美国

我知道BZ什么意思

B-bezuege
4 Y5 `* X5 B7 U# g' K6 K0 jZ-Zeichung
& f( W% s9 H5 }* `相关图纸的意思

评分

参与人数 1三维币 +4 收起 理由
userkypdy + 4 应助

查看全部评分

 楼主| 发表于 2008-1-11 19:45:19 | 显示全部楼层 来自: 中国四川眉山
衷心感谢您的答复.
发表于 2008-1-11 20:07:06 | 显示全部楼层 来自: 中国重庆
我认为也是3楼的意思。
发表回复
您需要登录后才可以回帖 登录 | 注册

本版积分规则


Licensed Copyright © 2016-2020 http://www.3dportal.cn/ All Rights Reserved 京 ICP备13008828号

小黑屋|手机版|Archiver|三维网 ( 京ICP备2023026364号-1 )

快速回复 返回顶部 返回列表