QQ登录

只需一步,快速开始

登录 | 注册 | 找回密码

三维网

 找回密码
 注册

QQ登录

只需一步,快速开始

展开

通知     

全站
7天前
查看: 2138|回复: 5
收起左侧

[求助] 求 带式运输机传动装置设计.........谢谢

[复制链接]
发表于 2008-1-4 22:26:08 | 显示全部楼层 |阅读模式 来自: 中国浙江舟山

马上注册,结识高手,享用更多资源,轻松玩转三维网社区。

您需要 登录 才可以下载或查看,没有帐号?注册

x
最近刚学机械,很多不懂  求助大家帮忙。。。。。
) F5 w3 D9 q  K7 J$ O) W& f% |' Q
带式运输机传动装置设计/ }  [4 E+ m6 L0 v
. |5 F& |/ B5 P, p+ h% P
运输带工作拉力F=1.4KN
4 Z' c% S4 H; i# w+ X9 ^: T  S运输带工作速度V=0.8m/s
- l! h3 k+ r7 _" D, f8 P1 C! J滚筒直径D=641mm" h4 h1 _5 b3 F8 ?# }/ M0 P
滚动效率
1 w" a7 ?% ~5 U5 [) S; ?工作情况:两班制,连续单向运转,载额较平稳
" t- Z$ q2 M6 l. j4 N0 k8 P工作情况:室内,灰尘较大,环境最高温度35度左右
, s0 D( P5 z* H3 y使用折价期8年,4年大修一次3 g& p+ |& x4 v
制造条件及生产批量:一般机械厂制造,小批量生产
( a, O+ f; N6 b: o; ~' g, \% w2 r5 u4 A4 S  x5 y9 z
! r* F/ u4 d$ q4 U3 M( J) Y1 {

) l; F6 w: G: ^; }. J
5 x& L4 }- h' z3 `2 T" M有会的会帮帮我吧~~~~啊门    谢谢!! E2 w$ L6 P! f7 D  ~6 p! W3 I+ E
/ Z3 }: H' ^$ |; C) Q, {, C$ }
我的邮箱是  cc999@126.com  谢谢
发表于 2008-1-5 08:24:47 | 显示全部楼层 来自: 中国辽宁营口
http://www.3dportal.cn/discuz/vi ... B%B6%AF%D7%B0%D6%C3
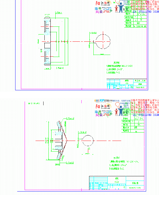
0 f8 W+ p4 i: i+ Y0 B4 M用于带式运输机传动装置中的同轴式二级圆柱齿轮减速器% K% z! }( E& i! `0 m. n- Y
# r; M; a) [/ H+ x4 k
http://www.3dportal.cn/discuz/vi ... B%B6%AF%D7%B0%D6%C39 o9 K) r/ h! y/ j$ I+ ~
用于带式运输机传动装置中的同轴式二级圆柱齿轮减速器; Q% c' W6 Y1 H9 k
0 ?3 a# K; K( S( \6 K0 W2 [! h" x
希望能给楼主启发

评分

参与人数 1三维币 +2 收起 理由
hero2006 + 2 应助

查看全部评分

发表于 2008-1-5 09:03:07 | 显示全部楼层 来自: 中国广东东莞
给你看看是不是? :lol:# v$ u3 B1 R7 S2 B- |. x; z6 X
  g- \2 S: e8 d! m8 H) \
[ 本帖最后由 龚翔 于 2008-1-5 09:31 编辑 ]
QQ1.bmp
QQ截图未命名.bmp

评分

参与人数 1三维币 +2 收起 理由
hero2006 + 2 应助

查看全部评分

 楼主| 发表于 2008-1-5 22:00:35 | 显示全部楼层 来自: 中国浙江舟山
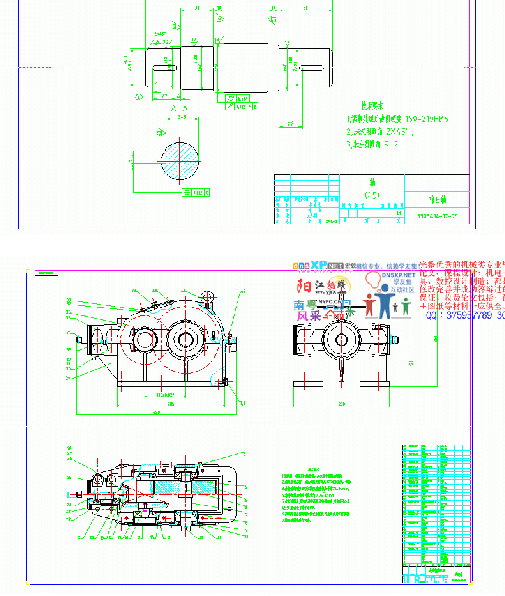
谢谢哦    不过我要的是齿轮—蜗杆  的传动方案
发表于 2008-1-7 09:40:11 | 显示全部楼层 来自: 中国北京
那个斜齿轮和直齿轮有什么区别呢  就是选择的原则是什么呢
发表于 2008-1-7 09:40:50 | 显示全部楼层 来自: 中国北京
使用CAD制图嘛??
发表回复
您需要登录后才可以回帖 登录 | 注册

本版积分规则


Licensed Copyright © 2016-2020 http://www.3dportal.cn/ All Rights Reserved 京 ICP备13008828号

小黑屋|手机版|Archiver|三维网 ( 京ICP备2023026364号-1 )

快速回复 返回顶部 返回列表