QQ登录

只需一步,快速开始

登录 | 注册 | 找回密码

三维网

 找回密码
 注册

QQ登录

只需一步,快速开始

展开

通知     

全站
11天前
查看: 1554|回复: 3
收起左侧

[讨论] 画3D图(高手进来帮忙)

[复制链接]
发表于 2008-1-18 09:06:35 | 显示全部楼层 |阅读模式 来自: 中国江苏苏州

马上注册,结识高手,享用更多资源,轻松玩转三维网社区。

您需要 登录 才可以下载或查看,没有帐号?注册

x
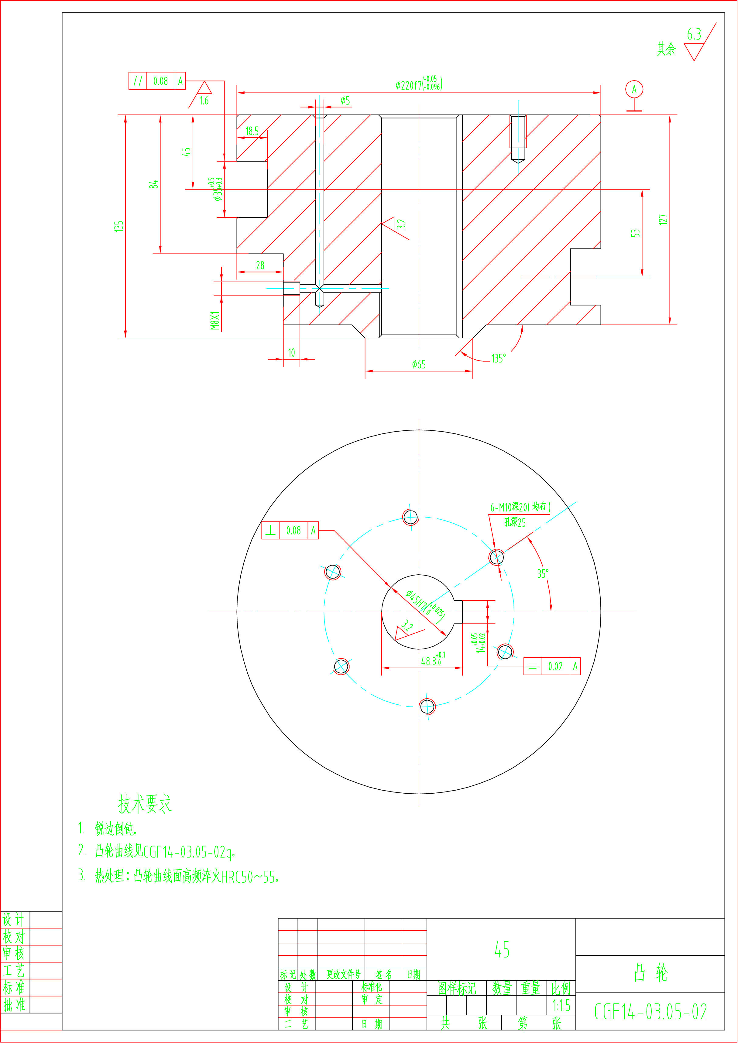
现在遇到难题了,这个凸上的曲线用UG怎么画3D 图,凸轮上的曲线用UG画不知从何入手,请大家帮忙解决!先谢过大家了!
& V7 d+ ~# R. G2 ~4 N1 |& R
- a4 Z5 k& P" a( P# b' d[ 本帖最后由 hfmgh 于 2008-1-18 09:08 编辑 ]
44_260967_98b4a0823ed447d.jpg
44_260967_54100c697d3a41e.jpg
头像被屏蔽
发表于 2008-1-19 14:38:21 | 显示全部楼层 来自: 中国云南昆明
提示: 作者被禁止或删除 内容自动屏蔽
发表于 2008-1-19 18:17:30 | 显示全部楼层 来自: 中国上海
我写过一个外???挂 专门 做这种凸轮的 不过现在没有  下周我去公司找找
 楼主| 发表于 2008-1-21 15:57:34 | 显示全部楼层 来自: 中国江苏苏州
谢谢楼上的老大,我老是绘不出上面的3D图,问了好多人也没给解决的!
发表回复
您需要登录后才可以回帖 登录 | 注册

本版积分规则


Licensed Copyright © 2016-2020 http://www.3dportal.cn/ All Rights Reserved 京 ICP备13008828号

小黑屋|手机版|Archiver|三维网 ( 京ICP备2023026364号-1 )

快速回复 返回顶部 返回列表