QQ登录

只需一步,快速开始

登录 | 注册 | 找回密码

三维网

 找回密码
 注册

QQ登录

只需一步,快速开始

展开

通知     

查看: 4595|回复: 29
收起左侧

[已解决] 请高手指导这个零件的工艺路线怎么定啊

[复制链接]
发表于 2008-1-19 15:13:05 | 显示全部楼层 |阅读模式 来自: 中国浙江杭州

马上注册,结识高手,享用更多资源,轻松玩转三维网社区。

您需要 登录 才可以下载或查看,没有帐号?注册

x
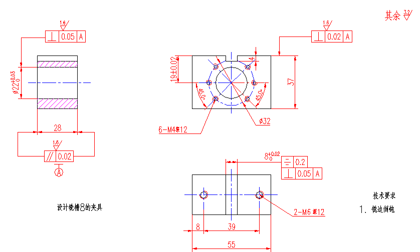
7.bmp 请高手指导这个零件的工艺路线怎么定啊
发表于 2008-1-19 16:30:43 | 显示全部楼层 来自: 中国山西太原
1  铣长方体外形,主视图的左、右和上平面的最后一刀调整好切削参数,铣成Ra1.6。$ y7 G3 ?0 d0 U4 C
2  划线。
" Z; [: e. a: o2 G3  铣宽8mm槽,在铣床上钻、镗φ22孔。, A; Y+ n& n. @; D
4  钻孔、攻丝。锐边倒钝。

评分

参与人数 1三维币 +2 收起 理由
渔樵 + 2 应助

查看全部评分

发表于 2008-1-19 19:35:25 | 显示全部楼层 来自: 中国浙江湖州
要求这么高,直接线切割好了
发表于 2008-1-19 21:39:33 | 显示全部楼层 来自: 中国四川达州
粘贴的图我咋看不到呢。
发表于 2008-1-19 22:03:54 | 显示全部楼层 来自: 中国江西南昌
按2楼的加工方法,难以保证工件的形位公差.我觉得能否按照以下方式加工:
/ b$ [' I7 ^  ^) v. P1. 粗铣各面,精铣除了开槽面外的其他平面,保证精度要求.
7 b2 u( d6 v  o( {2. 划线.. U* f0 m/ h: H; ?0 P8 j
3. 钻樘Φ22孔,注意校调平面后再精加工,保证垂直度0.05.钻2-M6螺孔的底孔." I6 Z% `8 i. z# J4 F
4. 按照Φ22孔实际尺寸,配做一个带底座的圆胎,并在底座上加工一个校调平面.% }! t+ `: T! K/ M% V! u/ U
5. 将工件放置在圆胎上,胎具上要有调整螺栓顶持工件侧平面,可调整工件带槽平面与胎具校调平面基本平齐,将工件压紧(胎具放置在卧铣上时,要调整好胎具上园止口的中心).
! s6 a: A( ]. A5 o0 M. Q6. 铣侧平面.保证19±0.02尺寸,铣槽,保证精度要求.9 v' q% p* }. w5 [+ W
7. 保持工件在胎具上的压紧状态,将胎具和工件转到数控立铣上,校调胎具,找到工件中心及校调带槽平面,加工6-M4螺孔底孔,保证45分度及过孔中心的孔的形位精度.' y7 \( X* E" W+ E! w/ V
8. 手攻所有丝孔,倒锐角至要求.
# H& D/ W6 T  k4 Y' O注意在加工前要校调工件,保证工件的形位公差是关键.2 l* h+ [: B, w
以上加工方式供你参考,可能我说的不是很详细,如果有什么不清楚的,你再说出来

评分

参与人数 1三维币 +2 收起 理由
渔樵 + 2 技术讨论

查看全部评分

 楼主| 发表于 2008-1-19 22:29:33 | 显示全部楼层 来自: 中国浙江杭州
不懂那个圆胎是什么东东```````刚刚接触这个`````````
 楼主| 发表于 2008-1-19 22:38:23 | 显示全部楼层 来自: 中国浙江杭州
还有的  粗铣各个表面的时候 是不是用一把铣刀 还是根据表面的尺寸 选各自的铣刀   是不是用端面铣刀铣这些面
发表于 2008-1-19 23:08:12 | 显示全部楼层 来自: 中国江西南昌
圆胎就是为了保证图纸的一些形位公差的工装,粗铣,精铣可以选用不同的铣刀的.
7 u; g" ?9 r1 I, H9 w3 p7 E1 v' ~( W* L我刚刚再次仔细看了图纸,如果你公司有小的数控镗床也可以这样加工:
/ E# ?' f4 S0 q' g+ j! y1. 粗精铣两端大平面,工件,保证平行度(下料尺寸可以大些,留好工艺边框)。
7 K. {) T& b/ @, Y5 L2.在工件图纸尺寸外钻好工艺孔,以工艺孔定位上靠山(调整平面与樘杆的垂直度在0.02以内)。7 p& \4 ~+ z5 |0 p) W
3. 镗内孔至要求,以内孔中心为基准,铣侧平面,保证尺寸19±0.02,加工另两侧面,加工尺寸55(要求按内孔中心两边均分)。以内孔中心为基准钻6-M4底孔。
& K8 N% w4 u  r4. 上铣床加工8mm槽至要求(对称度可通过55尺寸保证)。铣去工艺边框,保证尺寸37。
3 D" |( [# M& b5.划线钻2-M6孔,攻所有螺孔。) q+ f. v1 x7 Y# \2 x: v3 w; x8 {2 ]
6. 倒锐角.

评分

参与人数 1三维币 +2 收起 理由
渔樵 + 2 技术讨论

查看全部评分

发表于 2008-1-20 10:29:30 | 显示全部楼层 来自: 中国辽宁本溪
先在铣床加工六面及槽,然后在镗床用定位块以槽定位加工孔,最后钻孔、攻丝。
发表于 2008-1-20 11:09:03 | 显示全部楼层 来自: 中国浙江宁波
原帖由 jxdjcwwh 于 2008-1-19 22:03 发表 http://www.3dportal.cn/discuz/images/common/back.gif: E- A* i$ B3 l" _
按2楼的加工方法,难以保证工件的形位公差.我觉得能否按照以下方式加工:
+ M6 C* p3 Y! F; \+ x/ |1. 粗铣各面,精铣除了开槽面外的其他平面,保证精度要求.
. C% J5 ?) G) E' @( M2. 划线.# o7 Y' o# `# z2 t) Q# t# t
3. 钻樘Φ22孔,注意校调平面后再精加工,保证垂直度0.05.钻2-M6螺孔的底孔 ...

% r# @* a6 v6 {/ w
9 n6 c3 \( v6 I# G( w这个不好:3 C1 m- @6 }" ^) r8 `( ]# J
4 y! q& M& m6 H4 B
第五步中这种大小的工件靠着几个顶丝调平比较困难,而且你的第六步到第七步,中间二次装卡了。正负2丝的公差难以保证。
发表于 2008-1-20 11:32:10 | 显示全部楼层 来自: 中国浙江宁波
分析这个图纸其中的φ22孔、均布的6× M4 螺孔φ22孔、均布的6× M4 螺孔、以及带槽的上平面有公差要求与其他的没有直接的尺寸关联,所以这些应该尽量在一次装卡定位中加工成。这是最重要的一点。% w$ Q" W" q, T, k" C

  _9 Y5 C, Z' K1 q1 a) a所以我认为该工艺首先
( M' V5 M& U6 v- Z& z1、下料粗精铣5面成,(除了开8毫米宽的槽的那个面), f" [% p3 G/ m# M& a; y
2、底面定位,开8毫米槽,到尺寸上面留1毫米余量。
- r3 z% N: c, H1 c  W3、侧面找正推尺寸,2×M6底孔孔成2×φ5。(留着卸下后手工攻螺纹吧,立铣不好干您不怕断丝锥就直接干)。
0 ?, T- g" |. h+ I" x4、卸活、清洗后上镗床,左侧面对正镗床主轴,用两块弯板靠右面定位。
6 v4 r, E" [8 m/ U4 E5、精铣顶面到尺寸5 G6 e9 ^- ~: ]9 S) k6 n
7、均布的6× M4 底孔、φ22孔成。卸下手工攻丝、倒角。3 E1 [4 `7 d; ~. h2 d$ H3 w

评分

参与人数 1三维币 +2 收起 理由
渔樵 + 2 技术讨论

查看全部评分

发表于 2008-1-20 11:33:27 | 显示全部楼层 来自: 中国重庆
我 觉得可以先铣毛坯长方体,上磨床磨四个面.线切割加工孔和槽,最后钻孔攻丝.
 楼主| 发表于 2008-1-20 18:50:13 | 显示全部楼层 来自: 中国浙江杭州
问11楼``2中留1MM尺寸是不是加工槽的时候铣到3MM在精铣\
发表于 2008-1-20 19:06:36 | 显示全部楼层 来自: 中国江苏常州
如果是单件生产,肯定先铣外形,然后线切割出孔和槽,接着划线、钻。肯定能保证要求。这样其实是不考虑加工成本的做法。
 楼主| 发表于 2008-1-20 20:58:35 | 显示全部楼层 来自: 中国浙江杭州
貌似要求中。大批量生产。。。
发表于 2008-1-20 21:27:00 | 显示全部楼层 来自: 中国湖北宜昌
铣;1;粗、精铁各面。要求各面相互垂直0.1mm。
0 c9 K& P  I6 n' c8 Y8 Q    2铣8mm槽,深8.2mm,注意形位公差要求。
8 R7 ?+ G4 p. G8 }, y5 m  T磨;磨各面,注意与槽的时称。$ k  H: ~7 K# E" l$ z# K
镗;钻、镗、铰φ22孔至要求。  q6 Z' B1 y: j5 y) F
划;划各孔加工线。
4 \8 O) [, q$ E  j2 p钻;钻各孔至要求。

评分

参与人数 1三维币 +2 收起 理由
渔樵 + 2 技术讨论

查看全部评分

发表于 2008-1-20 21:47:48 | 显示全部楼层 来自: 中国江苏南京
这个东西没讲是什么材料吗!路线不好定!
 楼主| 发表于 2008-1-20 22:12:34 | 显示全部楼层 来自: 中国浙江杭州
45钢···········
头像被屏蔽
发表于 2008-1-21 09:15:56 | 显示全部楼层 来自: 中国云南昆明
提示: 作者被禁止或删除 内容自动屏蔽
发表于 2008-1-21 09:50:52 | 显示全部楼层 来自: 中国广西柳州
该零件加工工艺如下:
5 ]+ K, n& E# P: q& m* p1 ^1、铣六面,尺寸55铣合,尺寸28铣至28.3(留0.3mm磨量),精铣尺寸37上平面至Ra1.6。$ e$ P: v+ t! F9 n% o: ]
2、磨平尺寸28两端面(此工序主要是保证两面平行度0.02要求)。/ V6 H- v0 N& \' P0 j+ H
3、划φ22孔及6-M4螺纹孔位加工线。5 o, ~; k  S4 j& ~& I
4、用坐标镗床钻、镗孔φ22至合,钻6-M4底孔3.2,倒角。
% o! X* G: S' r2 \! J& j5、以22h7心轴定位,铣8×2槽合。: k: K/ X; t9 v. N- ]
6、划2-M6螺纹孔位加工线。2 x) T  @4 A8 q9 D. L0 c" f
7、钻、攻螺纹2-M6、6-M4合。& A+ G. d* [7 t; Y- k
8、精磨尺寸28左端面。

评分

参与人数 1三维币 +2 收起 理由
渔樵 + 2 技术讨论

查看全部评分

头像被屏蔽
发表于 2008-1-21 10:51:35 | 显示全部楼层 来自: 中国云南昆明
提示: 作者被禁止或删除 内容自动屏蔽
发表于 2008-1-22 18:45:23 | 显示全部楼层 来自: 中国
用到划线的,都是胡扯;;;;少了磨的,都很难加工得出来, n) Z; t& a! Z2 V1 {' f
这是我的意见:4 p5 b- X* i, E+ i. o5 Q$ O
   1 下料粗铣6个面,和8MM的槽,留量磨
1 }, {4 ]% Q  }) Q   2 磨6面和槽,至图样要求,& y8 [2 B6 U) @7 w
   3 铣床打孔,注(22和6个镙丝孔一起打出来,22留量车或者镗)
4 J3 W% C4 P( I4 D   4 车或者镗至图样要求
  [* u3 j: l/ ]' g0 X$ I) q   
发表于 2008-1-22 19:52:42 | 显示全部楼层 来自: 中国江苏扬州
槽的对称度标注有错误!5 z1 P7 p5 q4 U3 o! x
对哪个基准?A?应该是对孔吧.
发表于 2008-1-23 10:59:32 | 显示全部楼层 来自: 中国江苏南京

学习

强烈要努力学习( F* a3 p7 ?: o6 I# I
:) :)
发表于 2008-1-23 15:04:26 | 显示全部楼层 来自: 中国广东珠海
为什么我看不到照片????????
发表回复
您需要登录后才可以回帖 登录 | 注册

本版积分规则


Licensed Copyright © 2016-2020 http://www.3dportal.cn/ All Rights Reserved 京 ICP备13008828号

小黑屋|手机版|Archiver|三维网 ( 京ICP备2023026364号-1 )

快速回复 返回顶部 返回列表