QQ登录

只需一步,快速开始

登录 | 注册 | 找回密码

三维网

 找回密码
 注册

QQ登录

只需一步,快速开始

展开

通知     

查看: 2649|回复: 15
收起左侧

[讨论] 几个孔的尺寸,怎么检好些?

[复制链接]
发表于 2008-1-24 09:56:02 | 显示全部楼层 |阅读模式 来自: 中国北京

马上注册,结识高手,享用更多资源,轻松玩转三维网社区。

您需要 登录 才可以下载或查看,没有帐号?注册

x
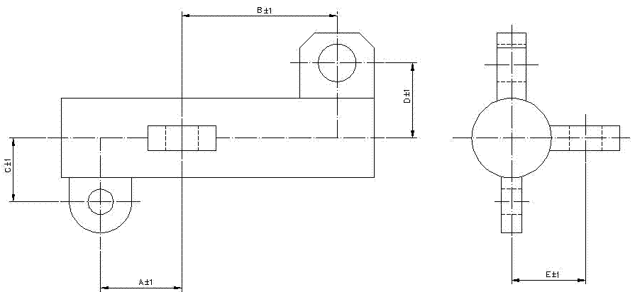
如图示,在三维空间上的孔位,怎么检验才好些呢?每个尺寸的公差都是+/-1mm。8 k; g) |, H: c0 I$ E, Z( l: r

( }& X, Z6 O9 w[ 本帖最后由 似水流年 于 2008-1-24 12:19 编辑 ]
孔位.GIF
发表于 2008-1-24 12:17:27 | 显示全部楼层 来自: 中国上海
做个检测平板,以平板为基准进行测量就方便多了.

评分

参与人数 1三维币 +3 收起 理由
userkypdy + 3 应助,请详细说明,应助才能发挥真正的效力

查看全部评分

发表于 2008-1-24 13:47:56 | 显示全部楼层 来自: 中国安徽合肥
在平板安装一个长立柱,其直径为任意一孔的直径,再加工两根与另外两孔相配合的芯棒。将工件套入立柱,穿上另两孔的芯棒,用游标卡尺直接测量,所测结果减去相应两芯棒的半径就是实际尺寸了。

评分

参与人数 1三维币 +5 收起 理由
userkypdy + 5 应助

查看全部评分

 楼主| 发表于 2008-1-24 13:50:52 | 显示全部楼层 来自: 中国北京
2楼的朋友是说以检测平板为基准用三座标来打点么?但是三座标毕竟是用软件算出来的数值,我总觉得不那么可靠啊。
& K  |$ }4 ^3 u! d
# f$ q9 E* b6 m9 j3楼朋友的方法我用过,还是比较可行的,但是用来做定性判定还可以,要是用来计算数值,似乎受芯轴精度影响比较大。毕竟芯轴在加工时也有一定误差,误差累积,得出的数值可能不是很准。怎样才能过滤掉工具的误差造成的影响呢?
; J4 @: C8 p: P, d' t7 l
' Y# O4 o* R  ?[ 本帖最后由 似水流年 于 2008-1-24 13:58 编辑 ]
发表于 2008-1-24 14:38:20 | 显示全部楼层 来自: 中国山西太原
此工件的C、D、E三尺寸直接用游标卡尺就可量出来,如左图右上方的孔,用游标卡尺量孔的下部与圆棒的下面最低点,其值减去圆棒的实际半径,加上孔的实际半径,这就是尺寸D;C和E用同样的方法量出。% I+ x8 u4 e+ b3 ?
尺寸A和B,如左图将工件调转90°放在基准平台上,找正后用高度游标卡尺都量孔的下(或上)边缘,可直接得出中心距读数,可得出A和B。
# Z6 x: O+ b* g* E) g! {若还需检验垂直度,也在平台上进行测量。

评分

参与人数 1三维币 +7 收起 理由
userkypdy + 7 应助

查看全部评分

 楼主| 发表于 2008-1-25 21:56:12 | 显示全部楼层 来自: 中国北京
gaoyns说的办法很实用,但有个问题,就是会把圆棒和支架外部尺寸的加工误差也算进去,如果圆棒因尺寸较大而导致加工误差超过+/-1,或者上图中+/-1的公差带缩小到+/-0.5,那么支架孔的位置在计算时就会受到这一误差的影响,在批量加工时,可能会造成误报废。有什么办法能把这类误差的影响降到最低吗?用V形块找圆棒的中心线可不可行?我想做个检具,可是不知道怎么下手比较好。毕竟刚接触这东西,还没有什么经验。惭愧惭愧

评分

参与人数 1三维币 +7 收起 理由
userkypdy + 7 积极讨论

查看全部评分

发表于 2008-1-26 10:07:36 | 显示全部楼层 来自: 中国辽宁沈阳
学了几招 谢过各位了
发表于 2008-1-29 22:10:00 | 显示全部楼层 来自: 中国河南许昌
楼上说的都不错,但我测量过类似的孔,其测量结果是误差太大,每次测量的误差在10-40之间,无发精确.各位可还有更精确的方法?

评分

参与人数 1三维币 +4 收起 理由
userkypdy + 4 积极参与

查看全部评分

头像被屏蔽
发表于 2008-1-30 09:07:46 | 显示全部楼层 来自: 中国云南昆明
提示: 作者被禁止或删除 内容自动屏蔽
发表于 2008-2-13 11:00:23 | 显示全部楼层 来自: 中国重庆
可以按位置量规来设计一个位置检测量规检测。

评分

参与人数 1三维币 +4 收起 理由
userkypdy + 4 积极参与

查看全部评分

发表于 2008-2-13 12:39:43 | 显示全部楼层 来自: 中国江苏南京
放在平板上校平,用数显测高仪进行测量就可以了。

评分

参与人数 1三维币 +4 收起 理由
userkypdy + 4 积极参与

查看全部评分

发表于 2008-2-13 12:55:58 | 显示全部楼层 来自: 中国江苏常州
我觉得可以根据孔的形位公差制造芯棒,控制芯棒的公差
7 u7 m3 l2 a; B9 ?; _用游标卡尺测量就可以了.

评分

参与人数 1三维币 +5 收起 理由
userkypdy + 5 应助

查看全部评分

发表于 2008-2-14 10:27:39 | 显示全部楼层 来自: 中国山东威海
水平方向尺寸的基准面就是中间孔的轴线平面,一根心轴就可以搞定。
2 n( v& ^0 W1 j0 {8 x/ B3 ^/ q但是竖直尺寸的基准,需要转换,受厚度尺寸影响
8 T: V, Y; z+ |3 g# u( Z
7 W" v5 i0 m4 N$ S2 M8 P2 tABCDE和孔径尺寸数值究竟多大还不清楚,不敢妄加

评分

参与人数 1三维币 +5 收起 理由
userkypdy + 5 应助

查看全部评分

发表于 2008-2-14 10:42:02 | 显示全部楼层 来自: 中国河北唐山
如果是批量生产,设计一套专用检具即可,既提高效率,又确保质量

评分

参与人数 1三维币 +5 收起 理由
userkypdy + 5 应助

查看全部评分

发表于 2008-2-14 11:58:27 | 显示全部楼层 来自: 中国上海
呵呵,不知道楼主为什么对三坐标如此没有信心。三坐标只要合理有效的建立坐标,肯定不会有什么偏差。只是±1的公差用三坐标真的是杀鸡用牛刀了,既然考虑批量,肯定要用检具。9 g' G. O; q# ]
因为公差是±1mm,要求不是很严,所以制作检具也是很方便的。以图纸上看,中间的支架是基准,可用紧配合固定此基准,其余两侧的支架空直接用活动插销进行检验即可。插销及紧配合公差加工在0.04以内应该很容易。且易磨损的配件装配前去热处理下,就ok了!有±1这么大公差,应该没什么问题!

评分

参与人数 1三维币 +5 收起 理由
userkypdy + 5 应助

查看全部评分

发表于 2008-2-16 13:34:41 | 显示全部楼层 来自: 中国江苏常州
9#讲的我很赞同,我原来也是这样测量的
发表回复
您需要登录后才可以回帖 登录 | 注册

本版积分规则


Licensed Copyright © 2016-2020 http://www.3dportal.cn/ All Rights Reserved 京 ICP备13008828号

小黑屋|手机版|Archiver|三维网 ( 京ICP备2023026364号-1 )

快速回复 返回顶部 返回列表