QQ登录

只需一步,快速开始

登录 | 注册 | 找回密码

三维网

 找回密码
 注册

QQ登录

只需一步,快速开始

展开

通知     

查看: 1545|回复: 6
收起左侧

[讨论] 铜板件冲出圆柱台的可能性

[复制链接]
发表于 2008-1-24 16:39:52 | 显示全部楼层 |阅读模式 来自: 中国四川成都

马上注册,结识高手,享用更多资源,轻松玩转三维网社区。

您需要 登录 才可以下载或查看,没有帐号?注册

x
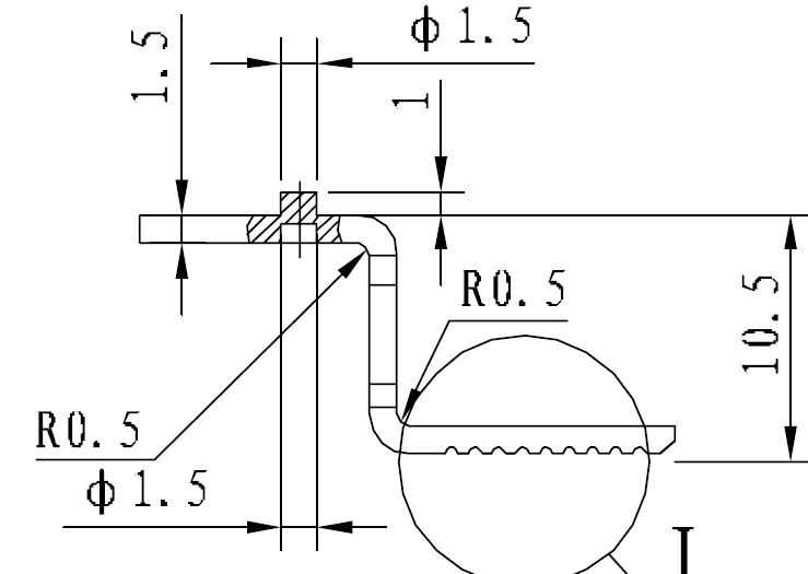
如图,应该可以吧,不过相反意见说圆柱部分和基体会彻底分离,只是没脱开而已,但已没有连接强度了.3 G3 ~1 _$ s4 f4 e( G) J1 i
虽说这种观点看起来很可能,不过铜是很有延展性 的材料,如果做成多次冲挤,应该不会直接脱落,请各位专家发表你们宝贵的看法.
未命名.JPG
发表于 2008-1-24 22:32:12 | 显示全部楼层 来自: 中国湖北十堰
如果对Φ1.5的圆柱的根部进行圆角处理,我认为是可以挤压出来的,而且还有足够的连接强度。
发表于 2008-1-24 22:55:05 | 显示全部楼层 来自: 中国北京
应该可以吧,你看炮弹都可以冲成那个样子,比这变形多多了,还是保持这强度!
发表于 2008-2-12 20:07:04 | 显示全部楼层 来自: 中国江苏扬州
完全可以。
' N& L) v+ V6 H* ?; R% c这个类似于精冲工艺,在Φ1.5的圆柱下增加一个较大的反顶力就可以了。汽车刹车片钢背上大量运用了这工艺。
头像被屏蔽
发表于 2008-2-13 14:31:38 | 显示全部楼层 来自: 中国广东广州
提示: 作者被禁止或删除 内容自动屏蔽
发表于 2008-2-13 15:25:12 | 显示全部楼层 来自: 中国上海
肯定能冲的,有的手册上把这种叫做“冲盲孔”,只不过这个凸台好像高了一点,《机械零件结构工艺性300例》:
$ A. ~1 Q  s4 l9 j8 Q
3 G( e# g- v7 k& ^! ^4 q[ 本帖最后由 lhf999 于 2008-2-13 15:29 编辑 ]
cc.JPG
发表于 2008-3-4 14:45:06 | 显示全部楼层 来自: 中国安徽合肥
在Φ1.5的圆柱下增加一个较大的反顶力
发表回复
您需要登录后才可以回帖 登录 | 注册

本版积分规则


Licensed Copyright © 2016-2020 http://www.3dportal.cn/ All Rights Reserved 京 ICP备13008828号

小黑屋|手机版|Archiver|三维网 ( 京ICP备2023026364号-1 )

快速回复 返回顶部 返回列表