QQ登录

只需一步,快速开始

登录 | 注册 | 找回密码

三维网

 找回密码
 注册

QQ登录

只需一步,快速开始

展开

通知     

查看: 2544|回复: 10
收起左侧

[求助] 液压泵的选型问题

[复制链接]
发表于 2008-1-27 11:48:47 | 显示全部楼层 |阅读模式 来自: 中国江苏徐州

马上注册,结识高手,享用更多资源,轻松玩转三维网社区。

您需要 登录 才可以下载或查看,没有帐号?注册

x
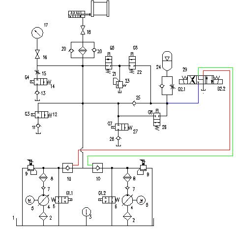
最近在设计一个液压回路,要选择一个泵(就是图中的4),我不是很了解,大家看看选什么样的好呢?1 H% j* Y; Q5 h& z6 n2 y6 v. Z: _4 T
系统最大工作压力为14mpa,最大流量为12L/min。0 ?+ n  B6 C+ M9 O& C
液压系统如图所示,系统中的液压缸底部有个碟形弹簧,在油缸没有压力油冲入时,油缸在碟形弹簧的作用下产生推力给卷筒,使卷筒制动,但是在卷筒运动时,油缸要冲入压力油使碟形弹簧压缩,不产生制动力。
7 L+ H6 E/ G( K; b( {0 d5 S- s1 N就是当保持碟形弹簧压缩时,系统只需要维持泄露即可,这时候需要的流量很小,但是在压缩喋形弹簧时需要很快的把它压缩,所以需要的流量很大。+ l3 m1 C0 i' x
所以我想,取油缸与卷筒刚好接触但不产生压力时的压力为分界压力p,为了使油缸能快速的缩回,把变量泵控制压力设为比p大一点,取为p2(p2比p大一点)。这样的话,在压力低于p2时,系统流量大,满足油缸快速缩回的要求,当系统压力大于p2 时,系统流量变小。当达到碟形弹簧最大压缩量时,系统的流量要满足泄露要求。2 F  Y$ ?; J7 Y
以前他们是用双泵供油来实现的,一个低压大流量泵,一个高压小流量泵,我现在想换成一个变量泵供油,大家看看要选什么泵合适/要求要稳定好,不能经常坏,这是用在煤矿上的,所以安全稳定第一
( P: T) Q; F: h; }+ Y# P8 c. a请各位高手发表以下看发,谢谢4 r+ `  [8 v# P7 R, Y
如果大家觉得双泵供油比变量泵更合适的也可以说说
液压原理图1.JPG
发表于 2008-1-27 22:50:01 | 显示全部楼层 来自: 中国江苏南通
弹簧缩回周期是多少时间??是不是频繁的动作?9 H( o" Z4 h% x6 p* P
要是频繁动作,我个人认为还是双泵供油的好,因为你不知道两次间隔时多少时间。
/ O# a9 h' I% ^3 O( d. b要不是频繁动作,也可以用变量泵+蓄能器的结构,在不用的时候给蓄能器充油,需要时蓄能器补油加大流量,这样的话泵和蓄能器的严格计算,最好要有制动的最短间隔时间参数,已保证充油。平时情况下要求小流量或者蓄能器保压都可以的。
发表于 2008-1-28 09:40:23 | 显示全部楼层 来自: 中国河北唐山
楼主可以考虑采用力士乐的A10VSO系列泵;楼主也可以考虑采用一个定量泵与蓄能器配合的系统,使用蓄能器作为辅助动力源。
 楼主| 发表于 2008-1-28 14:41:06 | 显示全部楼层 来自: 中国江苏徐州
动作不是频繁,大约一分钟左右执行一次,先是保持打开的状态,然后是保持加紧的状态。保持的时候不用大量供油,只是在打开和闭合之间需要快速。油缸的行程只有2个毫米吧。行程很小,关键是要打开和闭合都要快。
发表于 2008-1-28 20:20:44 | 显示全部楼层 来自: 中国河南新乡
我看着都挺复杂的对不起了大哥还是看一下标准吧
发表于 2008-1-29 09:24:44 | 显示全部楼层 来自: 中国河北唐山
建议楼主使用定量泵+蓄能器的方式控制较好。
 楼主| 发表于 2008-1-29 10:19:24 | 显示全部楼层 来自: 中国江苏徐州
采用蓄能器是肯定不行了,除非装2个蓄能器,因为图中这个蓄能器还有其他重要的作用,所以不能用来补油。我想用变量泵,最好是恒压的,流量随压力变化可以变化的,大家能给点建议马
 楼主| 发表于 2008-1-30 20:32:57 | 显示全部楼层 来自: 中国江苏徐州
还有我想知道,是一个普通的变量泵价格高还是一套双泵价格高,体积哪个大一些
发表于 2008-1-31 08:51:04 | 显示全部楼层 来自: LAN
力士乐的A10VSO10DR恒压变量泵,压力和排量都能满足你的系统要求。
% r! ?# a. n5 j% M, y% P! O要实现快速闭合,再配上2个蓄能器(估计6.3L就可以)。
" r6 C5 G, c/ B, X9 p" @2 \我想应该能满足你的要求。
发表于 2008-1-31 09:13:39 | 显示全部楼层 来自: 中国江苏无锡
个人觉得楼主的系统太过复杂,好多元件根本没必要,元件多了故障点增多,反而不好.一般故障大多是因为泄露,阀卡死等原因造成的.
! Y" n, G2 X7 p根据楼主描述的1分钟左右动一次完全没必要用变量泵,也不需要用双泵.
0 l# N( y* i& P0 ?+ c& H, ~采用电磁球阀零泄露的,保压时间最高可达3天,一般保压一天是完全没有问题的.
0 {7 g' ^+ n& ?) O4 n可以很好的用在这边.附加一个压力传感器.确保系统的安全.
1 k5 _8 {$ W+ x3 v% p7 r& U1 T& [( V) D  f  T3 b
我们也做液压制动系统,我上个原理大家看看
发表于 2008-1-31 09:16:43 | 显示全部楼层 来自: 中国江苏无锡
未命名.JPG 未命名1.JPG 9 N/ T- Q* a* h/ n) @
未命名.JPG 2 j1 p5 i2 `2 t: S
4 K/ Q/ S6 J, e+ {9 ?- O
[ 本帖最后由 xuping5114 于 2008-1-31 09:58 编辑 ]
发表回复
您需要登录后才可以回帖 登录 | 注册

本版积分规则


Licensed Copyright © 2016-2020 http://www.3dportal.cn/ All Rights Reserved 京 ICP备13008828号

小黑屋|手机版|Archiver|三维网 ( 京ICP备2023026364号-1 )

快速回复 返回顶部 返回列表