QQ登录

只需一步,快速开始

登录 | 注册 | 找回密码

三维网

 找回密码
 注册

QQ登录

只需一步,快速开始

展开

通知     

查看: 1378|回复: 0
收起左侧

[讨论] 寻找电液比例斜盘式轴向变量柱塞泵设计参数

[复制链接]
发表于 2008-2-2 19:29:41 | 显示全部楼层 |阅读模式 来自: 中国浙江宁波

马上注册,结识高手,享用更多资源,轻松玩转三维网社区。

您需要 登录 才可以下载或查看,没有帐号?注册

x
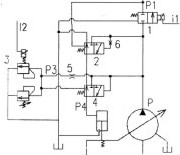
大家好 我想做电液比例斜盘式轴向变量柱塞泵的仿真 但是缺少有关的设计参数5 _" @  H$ `3 g% b0 w# u
希望有相关资料的朋友发送给我 谢谢!
% m( U- G+ Q0 V" V1 o) d5 }% s& abirdyuan2001@sina.com.cn
0 X& ~* O  A5 n9 A) ~7 n" {/ }5 B$ M' |/ z1 M& d( N# L
具体需要的参数如下:
7 [0 ~5 U( D2 @& {泵输出流量比例系数
: G6 c2 y& s' a# R  }% _1 {柱塞质量( U* b2 D' j0 {0 O# l
控制柱塞端面积
+ z1 u8 R* D5 N% @2 O柱塞中心和缸体中心距离
8 t: s: ~! g: a  k# ~$ n& |斜盘偏心距离
/ u/ h, q6 S" [- t0 ]斜盘弹簧和缸体中心距
* |# Q6 Q5 M5 C  M斜盘弹簧刚度
- V% V# {- h1 T8 N% d- N压差阀4端面积
7 S9 D% L, A! p8 v' o压差阀4阀芯质量
5 v2 V: h4 ]6 v7 O压差阀4弹簧刚度; \/ ?- o& Y/ v: A8 |  z  e
阻尼5的孔径
3 y$ g* |+ d) P! K. @" Z( q3 A- _' t. o! H5 y& d2 V

. u2 T! h4 F4 r8 o, Q* m 电液比例变量柱塞泵原理图.jpg
发表回复
您需要登录后才可以回帖 登录 | 注册

本版积分规则


Licensed Copyright © 2016-2020 http://www.3dportal.cn/ All Rights Reserved 京 ICP备13008828号

小黑屋|手机版|Archiver|三维网 ( 京ICP备2023026364号-1 )

快速回复 返回顶部 返回列表