QQ登录

只需一步,快速开始

登录 | 注册 | 找回密码

三维网

 找回密码
 注册

QQ登录

只需一步,快速开始

展开

通知     

全站
6天前
查看: 5658|回复: 18
收起左侧

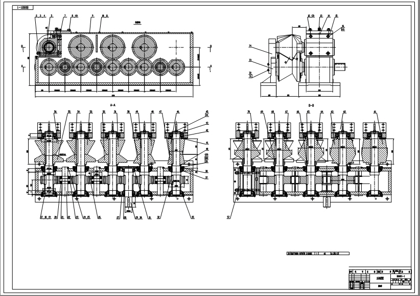
[机械] 角钢轧机图纸

[复制链接]
发表于 2008-2-7 11:07:35 | 显示全部楼层 |阅读模式 来自: 中国江苏南京

马上注册,结识高手,享用更多资源,轻松玩转三维网社区。

您需要 登录 才可以下载或查看,没有帐号?注册

x
角钢轧机图纸

角钢轧机.rar

292.25 KB, 下载次数: 809

发表于 2008-2-7 14:57:09 | 显示全部楼层 来自: 中国广东广州
给个图片看看啊
发表于 2008-2-10 05:25:32 | 显示全部楼层 来自: 中国湖南衡阳

很不错的图纸

我以前也搞过,图纸很详细,是PDF格式的,多谢分享。
轧机.JPG
发表于 2008-3-21 12:41:06 | 显示全部楼层 来自: 中国上海
现在好像下不了啊·!
发表于 2008-4-25 13:13:29 | 显示全部楼层 来自: 中国河北唐山
我们是做轧辊的,了解轧机的构造是必须的,轧机总图非常有用,谢过楼主。
发表于 2008-4-25 14:57:13 | 显示全部楼层 来自: 中国广东广州
学习各种设备的情况.谢谢分享
发表于 2008-7-4 15:38:59 | 显示全部楼层 来自: 中国天津
谢谢楼主分享,看看别人的东西,张张见识。
发表于 2008-9-16 22:57:13 | 显示全部楼层 来自: 中国江苏苏州
楼上的不叫轧机,正确的应该讲是矫直机.
发表于 2008-11-18 07:29:16 | 显示全部楼层 来自: 中国河北唐山
谢谢楼主分享!!!
发表于 2008-11-30 15:24:40 | 显示全部楼层 来自: 中国江西新余
下载了,不知能不能转为CAD图纸。
发表于 2009-11-3 14:40:37 | 显示全部楼层 来自: 中国福建厦门
原帖由 HEXIANRUI 于 2008-9-16 22:57 发表 http://www.3dportal.cn/discuz/images/common/back.gif
$ m8 I* {1 g# j) ?5 ]6 [: N" e楼上的不叫轧机,正确的应该讲是矫直机.

) i- o/ ?4 E: g0 R& \- s是轧机,是将平板折成角钢的成型机,不是矫直机
发表于 2010-11-15 20:51:53 | 显示全部楼层 来自: 中国天津
很好!!感谢!!
发表于 2011-1-9 17:34:30 | 显示全部楼层 来自: 中国北京
有参考价值
发表于 2011-2-13 20:01:06 | 显示全部楼层 来自: 中国江西南昌
很不错,感谢分享
发表于 2011-2-13 20:41:23 | 显示全部楼层 来自: 中国黑龙江齐齐哈尔
第一次见角钢轧机 弱弱的问下  角钢是热轧么?
发表于 2011-3-6 02:51:53 | 显示全部楼层 来自: 中国黑龙江哈尔滨
下来看看,谢谢
发表于 2011-3-10 16:41:50 | 显示全部楼层 来自: 中国重庆
只是PDF格式文件啰
发表于 2011-11-6 10:10:43 | 显示全部楼层 来自: 中国广东惠州
学习了
, q6 d+ G$ }8 S1 J/ l: ~# p好东西) w( D! f7 ]! y7 x- }) s" d/ Z
学习分享
发表于 2012-5-14 20:13:11 | 显示全部楼层 来自: 中国辽宁鞍山
值得收藏,谢谢
发表回复
您需要登录后才可以回帖 登录 | 注册

本版积分规则


Licensed Copyright © 2016-2020 http://www.3dportal.cn/ All Rights Reserved 京 ICP备13008828号

小黑屋|手机版|Archiver|三维网 ( 京ICP备2023026364号-1 )

快速回复 返回顶部 返回列表