QQ登录

只需一步,快速开始

登录 | 注册 | 找回密码

三维网

 找回密码
 注册

QQ登录

只需一步,快速开始

展开

通知     

全站
11天前
查看: 3769|回复: 12
收起左侧

[求助] 小规格多路阀

[复制链接]
发表于 2008-2-9 15:07:45 | 显示全部楼层 |阅读模式 来自: 中国河南安阳

马上注册,结识高手,享用更多资源,轻松玩转三维网社区。

您需要 登录 才可以下载或查看,没有帐号?注册

x
应客户的要求,系统中需要小规格的(8通径)多路阀,请帮忙推荐一下。谢谢!
发表于 2008-2-15 20:28:03 | 显示全部楼层 来自: 土耳其
我用过的60L、80L、100L、120L的,不知哪个合适?有没有具体一点的要求,包括控制了,产地了等等?; L' d: m+ q- E# ?7 I% J! T

* f8 v) j* ~, Q( J+ Q[ 本帖最后由 qhdhcs 于 2008-2-15 20:41 编辑 ]
发表于 2008-2-16 18:48:27 | 显示全部楼层 来自: 中国四川成都
四川长讲液压件有限责任公司有限公司有一种DL-8型多路换向阀。; V9 k- k) n$ g* S7 S4 g
http://www.cj-hydraulic.com.cn/cp/fa-dl-8-1.htm
1.JPG
发表于 2008-2-16 19:14:23 | 显示全部楼层 来自: 土耳其
流量:60 L/min, 压力:320 bar
/ K8 z: z* f% Z1 s, Z7 s, `/ D$ G入口片:带可调溢流阀,出厂设定160bar,P/T油口顶部G1/2?
# s6 E1 ^  j2 m8 k% O6 |4 s第一联:O型阀芯,手动弹簧复位,A/B 油口G1/2?8 M7 [" K7 J3 i/ B# s$ ]; R  Z; y. X
第二联:串联,O型阀芯,手动弹簧复位,A/B 油口G1/2?* C3 q( W" m7 |8 [
出口片:带HPCO过桥油口G1/2?
$ i% Z) i# E7 E" p' f6 ]6 ]9 I& Y0 s1 Z4 S6 c  ]3 T
% C# n. e, w3 n9 J6 u: l4 p9 m6 P
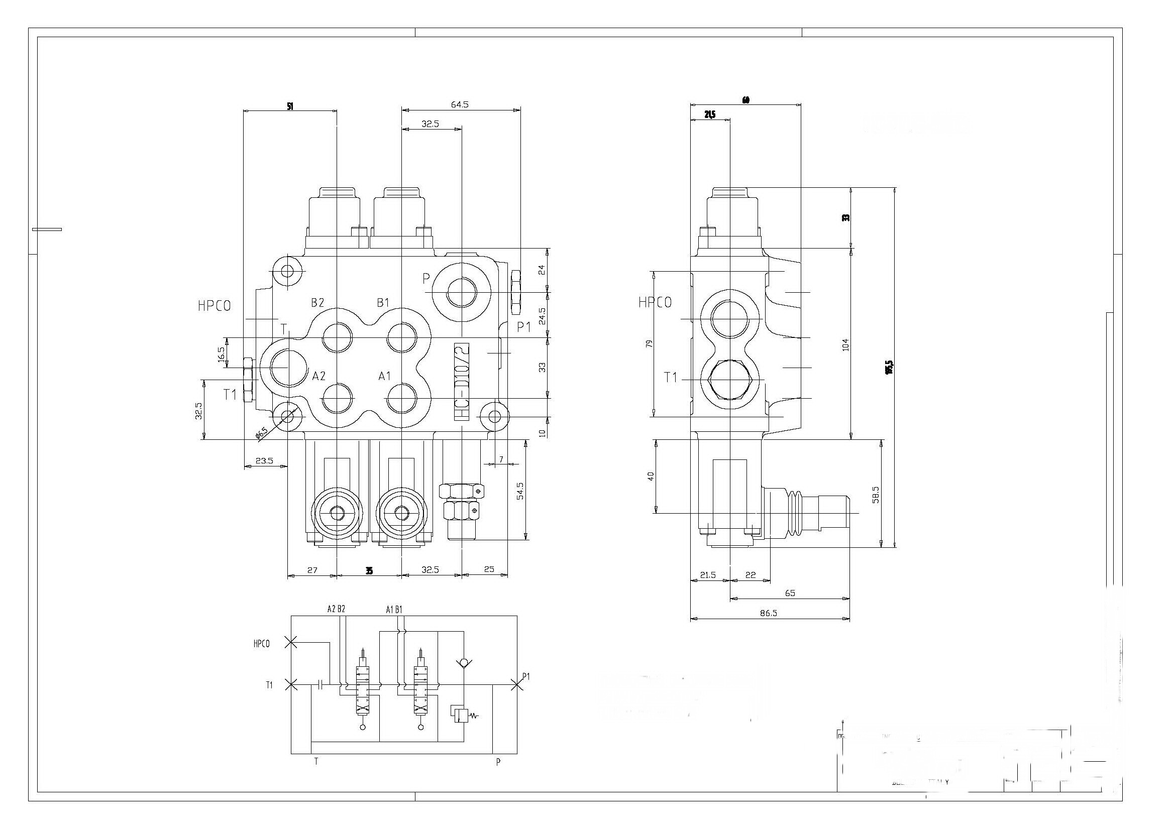
流量:60 L/min, 压力:320 bar& s4 e- K1 W  a# q9 [
入口片:带可调溢流阀,出厂设定160bar,P油口顶部G1/2?
  B  @: \- b" \, I8 O8 \1 n( f第一联:O型阀芯,手动换向,钢球定位,A/B 油口G1/2?
8 T: a  u" H! ]( D% j7 b9 [4 |第二联:串联,O型阀芯,手动换向,钢球定位,A/B 油口G1/2?. s+ [& A% ^3 J' g% l- G
出口片:T油口G1/2?
6 }. B- f/ T5 t" S. t& e; ~, v" g; D
[ 本帖最后由 qhdhcs 于 2008-2-16 19:15 编辑 ]
HC-D10-2.jpg
 楼主| 发表于 2008-2-16 19:57:43 | 显示全部楼层 来自: 中国河南濮阳
主要是要求体积小一些,因为空间有限。
发表于 2008-2-16 20:14:53 | 显示全部楼层 来自: 土耳其
有一家名称为“上海强田流体**公司”记不清了,网上可以搜到!# c" V3 V0 y9 v" V
  w1 ?  W' g9 p$ w
我以前用它50系列的,体积就很小,现在好象有30系列的,估计更小,意大利产的!
$ n6 K) i$ Q5 k% q( x3 y3 v$ P8 @
: a( M, r" g0 S7 j这可不是广告贴!
 楼主| 发表于 2008-2-16 21:08:13 | 显示全部楼层 来自: 中国河南濮阳
原帖由 qhdhcs 于 2008-2-16 20:14 发表 http://www.3dportal.cn/discuz/images/common/back.gif2 p! o/ M+ s2 ?0 f0 h6 ^0 g) r5 u
有一家名称为“上海强田流体**公司”记不清了,网上可以搜到!9 z5 P4 L% U' F, Z

+ r' U- d- K5 g2 [我以前用它50系列的,体积就很小,现在好象有30系列的,估计更小,意大利产的!
; r2 E+ w# r2 u  ~, d7 A" d9 ]$ a; r( x- X" g' u9 c! ~% _
这可不是广告贴!

2 K) Q. T2 u8 u: J( r# Y
: B' `( E% H9 m$ v$ B8 r$ R谢谢!4 o) O& b% r3 }1 L. z9 p+ ]- \
查到网址了,但资料不清楚,明天我联系一下。
发表于 2008-2-17 08:38:09 | 显示全部楼层 来自: 中国河南信阳
http://www.qtfluid.cn/gb/index.asp 这是强田流体网站,指出一下,该公司多路阀是自己生产的,阀芯据他们说是进口的,该公司的阀的价格偏高呀!
 楼主| 发表于 2008-2-17 11:43:47 | 显示全部楼层 来自: 中国河南安阳
原帖由 chenqing1120 于 2008-2-17 08:38 发表 http://www.3dportal.cn/discuz/images/common/back.gif. |: T- \  H. ?% v1 w
http://www.qtfluid.cn/gb/index.asp 这是强田流体网站,指出一下,该公司多路阀是自己生产的,阀芯据他们说是进口的,该公司的阀的价格偏高呀!

  R2 h/ @) Q9 N( k  S% }% g  R# j) j# E/ o8 z
今天是周日,无法联系到:L
! e3 F! ]7 a8 A2 h% \; E1 h# L从网上看不到外形尺寸及机能符号 。
发表于 2008-2-20 20:54:42 | 显示全部楼层 来自: 中国江苏徐州

回复 的帖子

郝斯可的比较便宜,有一般的也有带负载反馈的,流量大概在五六十左右,压力200多BAR没问题,在国内主要用在平地机上
发表于 2008-2-23 21:30:11 | 显示全部楼层 来自: 中国广西玉林
Nabtesco上海公司有此类多路阀,流量最小20左右的。
发表于 2008-6-9 16:42:42 | 显示全部楼层 来自: LAN

可参考意大利HC公司M45多路阀,45升流量,350公斤工作压力

可参考意大利HC公司M45多路阀,45升流量,350公斤工作压力

duolufa.zip

47.21 KB, 下载次数: 4

评分

参与人数 1三维币 +1 收起 理由
9619 + 1 论坛第一帖。

查看全部评分

发表于 2008-11-9 14:43:03 | 显示全部楼层 来自: 中国宁夏银川
湖南湘潭瑞龙液压好像有该类阀
发表回复
您需要登录后才可以回帖 登录 | 注册

本版积分规则


Licensed Copyright © 2016-2020 http://www.3dportal.cn/ All Rights Reserved 京 ICP备13008828号

小黑屋|手机版|Archiver|三维网 ( 京ICP备2023026364号-1 )

快速回复 返回顶部 返回列表