QQ登录

只需一步,快速开始

登录 | 注册 | 找回密码

三维网

 找回密码
 注册

QQ登录

只需一步,快速开始

展开

通知     

查看: 1924|回复: 18
收起左侧

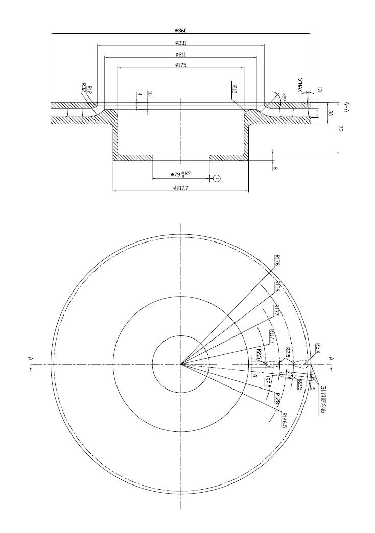
[已解决] 哪位帮忙画一下这个制动盘

[复制链接]
发表于 2008-2-16 11:31:13 | 显示全部楼层 |阅读模式 来自: 中国山东烟台

马上注册,结识高手,享用更多资源,轻松玩转三维网社区。

您需要 登录 才可以下载或查看,没有帐号?注册

x
哪位帮忙画一下这个制动盘,有视频最好,先谢谢各位了 制动盘 Model (1).pdf (21.73 KB, 下载次数: 72)
 楼主| 发表于 2008-2-17 08:14:11 | 显示全部楼层 来自: 中国山东烟台
真诚希望得到您的帮助!!# W0 e- J3 [" \( S) r. X- b! J
注意:上图未注圆角R3
, M9 g5 n$ C2 t) v  g  e7 \* d9 o! J我愿意给予30个三维币的奖励,请版主监督
  _8 n* p; C8 q
1 @- D3 g( Q% B/ P' Y  k) ~7 u[ 本帖最后由 aym0322 于 2008-2-17 16:34 编辑 ]
发表于 2008-2-18 13:39:08 | 显示全部楼层 来自: 中国吉林长春
有没有图片发过来看看
' W0 e( Q/ F" d3 P( t# U7 Syushuang@mingwei.cn
发表于 2008-2-18 13:59:24 | 显示全部楼层 来自: 中国浙江宁波
大哥 还是自己努力点 自己画吧
发表于 2008-2-18 22:45:56 | 显示全部楼层 来自: 中国江苏镇江
楼主是不是这样的啊,
q1.jpg
q2.jpg
q3.jpg

评分

参与人数 1三维币 +5 收起 理由
luohuayu + 5 应助

查看全部评分

 楼主| 发表于 2008-2-19 08:05:21 | 显示全部楼层 来自: 中国山东烟台
筋与底面有倒角,好像您没画出来,你可以上传视频给我吗,把ug能打开的版本发给我好吗?谢谢你
发表于 2008-2-19 10:02:35 | 显示全部楼层 来自: 中国辽宁沈阳
貌似俯视图有问题啊
发表于 2008-2-19 14:54:14 | 显示全部楼层 来自: 中国辽宁沈阳
单位的垃圾电脑,赛扬1.7CPU,256内存,板载显卡,画这图费老劲了
1.jpg
2.jpg
3.jpg
4.jpg
5.jpg

评分

参与人数 1三维币 +3 收起 理由
342539436 + 3 应助

查看全部评分

 楼主| 发表于 2008-2-20 07:53:24 | 显示全部楼层 来自: 中国山东烟台
把你画好的ug能打开的图发给我一份好吗
发表于 2008-2-20 11:22:38 | 显示全部楼层 来自: 中国辽宁沈阳
这个和你图纸要求的一样吗?我现在没用那台电脑,用的时候给你发上来
发表于 2008-2-20 13:25:49 | 显示全部楼层 来自: 中国浙江宁波
练习练习!
制动盘.JPG
 楼主| 发表于 2008-2-25 15:55:05 | 显示全部楼层 来自: 中国山东烟台

回复 11# 的帖子

哥们,把你的ug图压缩一下发上来好吗,谢谢
发表于 2008-2-26 10:07:56 | 显示全部楼层 来自: 中国辽宁沈阳
论坛发不了这么大的附件,把你的信箱告诉我吧,论坛短消息
发表于 2008-2-27 12:42:04 | 显示全部楼层 来自: 中国辽宁沈阳
lz失踪了 :L

shachepan.part01.rar

935.22 KB, 下载次数: 22

shachepan.part02.rar

766.76 KB, 下载次数: 20

发表于 2008-2-27 20:30:41 | 显示全部楼层 来自: 中国山东潍坊

不错

不错啊!继续努力啊!
发表于 2008-2-28 11:26:59 | 显示全部楼层 来自: 中国山东威海
不错啊,继续努力吧,
发表于 2008-2-28 22:08:25 | 显示全部楼层 来自: 中国重庆

我晕~~~

我晕,请问高手,我怎么做不了最里面的加强块的那个45度面啊?
发表于 2008-2-29 14:57:12 | 显示全部楼层 来自: 中国湖北武汉
坛子里果然有高人,画的太好了,以后有图也让您给我画
发表于 2008-2-29 22:04:13 | 显示全部楼层 来自: 中国重庆
请问高手,我怎么做不了最里面的加强块的那个45度面啊?
发表回复
您需要登录后才可以回帖 登录 | 注册

本版积分规则


Licensed Copyright © 2016-2020 http://www.3dportal.cn/ All Rights Reserved 京 ICP备13008828号

小黑屋|手机版|Archiver|三维网 ( 京ICP备2023026364号-1 )

快速回复 返回顶部 返回列表