QQ登录

只需一步,快速开始

登录 | 注册 | 找回密码

三维网

 找回密码
 注册

QQ登录

只需一步,快速开始

展开

通知     

查看: 3158|回复: 1
收起左侧

[求助] 求助!!!不锈钢草酸晶间腐蚀

[复制链接]
发表于 2008-2-18 08:13:16 | 显示全部楼层 |阅读模式 来自: 中国黑龙江哈尔滨

马上注册,结识高手,享用更多资源,轻松玩转三维网社区。

您需要 登录 才可以下载或查看,没有帐号?注册

x
不锈钢00Cr19Ni10,埋弧焊焊丝00Cr21Ni10,Φ4,焊剂HJ601,电流700-750,
. x1 i+ x3 _* a4 _1 E
& y0 I( P7 f4 o  ^4 e# S! g根据下面的文字描述和图片,请各位帮助分板一下,结论是合格还是不合格
8 U5 _/ B; U2 B, r6 J" N6 K/ W9 G9 L# N  W! L8 B9 d, d* s9 h
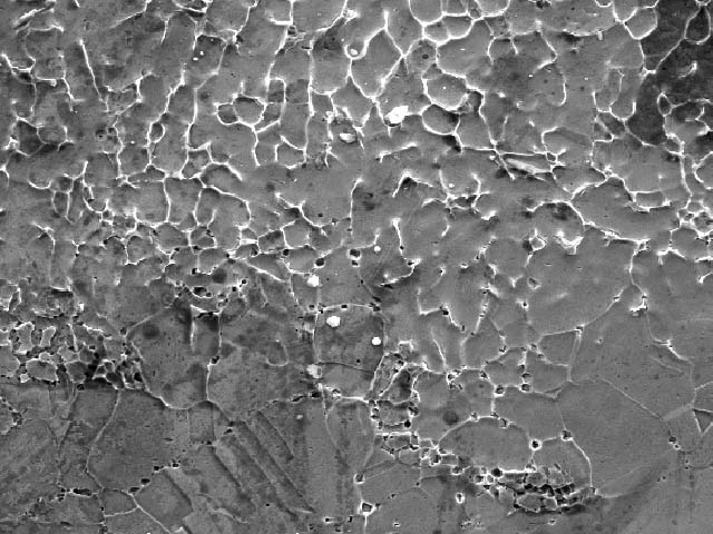
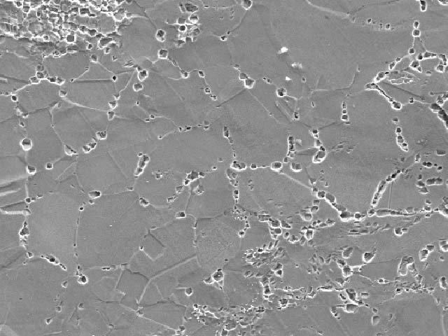
晶间腐蚀试验按国标GB/T 4334.1进行。浸蚀溶液为10%草酸溶液。用上海凤溪胶木电器厂生产FEP-Ⅱ型电解抛光仪电解试样。电解在室温下进行。电解电流密度为1A/cm2。
( u) O9 a- n( K, Z! t4 X8 {
  y( O; v9 j8 q& Q: h1 j" A; p+ T. G0 A对电解浸蚀试验后的试样进行金相显微镜和扫描电镜观察。试样基材区域晶界有腐蚀坑但未将晶界包围(图1和图4),晶界形态属二类。焊缝区表面布满浅坑(图2和图5),晶界形态属六类。熔合线部位靠近焊缝一侧有较多浅坑,靠近基材一侧晶界有腐蚀坑(图3和图6),晶界形态属二类。
1.jpg
2 拷贝.jpg
3 拷贝.jpg
4 拷贝.jpg
5 拷贝.jpg
6.jpg
 楼主| 发表于 2008-2-18 08:13:47 | 显示全部楼层 来自: 中国黑龙江哈尔滨
检验所结论是不合格,但没有具体说为什么,GB4334.1又没有给出需要进一步做哪种晶间腐蚀试验,请指教
发表回复
您需要登录后才可以回帖 登录 | 注册

本版积分规则


Licensed Copyright © 2016-2020 http://www.3dportal.cn/ All Rights Reserved 京 ICP备13008828号

小黑屋|手机版|Archiver|三维网 ( 京ICP备2023026364号-1 )

快速回复 返回顶部 返回列表