QQ登录

只需一步,快速开始

登录 | 注册 | 找回密码

三维网

 找回密码
 注册

QQ登录

只需一步,快速开始

展开

通知     

全站
10天前
查看: 7736|回复: 15
收起左侧

[已答复] 锥度毂上的键槽怎么表达?

[复制链接]
发表于 2008-2-20 14:23:08 | 显示全部楼层 |阅读模式 来自: 中国山东济宁

马上注册,结识高手,享用更多资源,轻松玩转三维网社区。

您需要 登录 才可以下载或查看,没有帐号?注册

x
想给JZQ减速机高速轴配联轴器。遇到了问题。
$ F2 ~8 L/ c% C+ L1 [: Y7 j实物轴上的键槽长度为85mm,锥度1:10,键槽是由外向里逐渐加深的,剖面看应该水平的。
0 ?% Z1 R$ S( S6 t/ M8 b/ n: @* f2 T联轴器上毂的键槽应该怎么画或表达啊?
发表于 2008-2-20 15:01:42 | 显示全部楼层 来自: 中国上海
参考一下下面这两个标准吧:
$ R, n, n; ]- R+ P# l! EGB/T1570-2005圆锥形轴伸
/ C8 z4 h, Z. D3 D3 l' C* F; z! Ehttp://www.3dportal.cn/discuz/vi ... 1825&highlight=1570
5 s5 d- z/ b  r8 i- O1 [GB/T3852-1997联轴器轴孔和联结型式与尺寸
# Q# n, W: k+ r2 h* x8 L% |http://www.3dportal.cn/discuz/viewthread.php?tid=449644&extra=page%3D1
1 K0 h& h5 Y" j/ u; F# B1 ~. p% h' ^: F7 f
[ 本帖最后由 lhf999 于 2008-2-20 15:07 编辑 ]

评分

参与人数 1三维币 +4 收起 理由
洪哥 + 4 感谢帮助!

查看全部评分

发表于 2008-2-20 16:04:48 | 显示全部楼层 来自: 中国山西太原
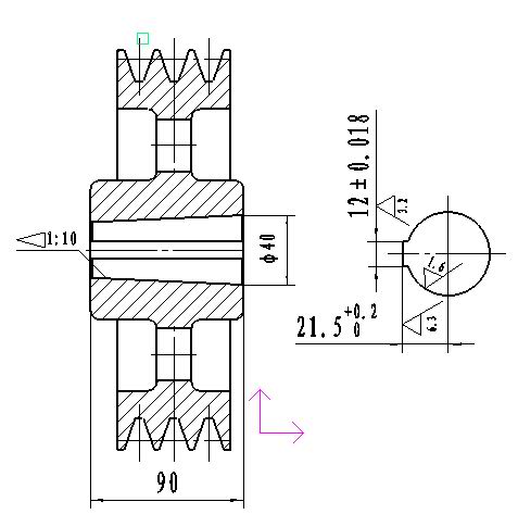
下面是JZQ40减速器高速轴上安装的带轮,键槽表示方法如下图:
锥孔键槽图.jpg

评分

参与人数 1三维币 +5 收起 理由
洪哥 + 5 感谢帮助!

查看全部评分

 楼主| 发表于 2008-2-20 16:21:27 | 显示全部楼层 来自: 中国山东济宁
谢谢大家,还有点不明白,上面这个图毂21.5应该是小端的尺寸吧??这个数值怎么确定啊?( ]' B- |2 Y6 s( ]

- _: O6 i) x6 ~[ 本帖最后由 虾球 于 2008-2-20 16:30 编辑 ]
发表于 2008-2-20 17:29:39 | 显示全部楼层 来自: 中国黑龙江佳木斯
图纸很明显,尺寸是从轴线拉出来的,大端小端都是这个尺寸。不要管锥度。

评分

参与人数 1三维币 +3 收起 理由
洪哥 + 3 感谢帮助!

查看全部评分

发表于 2008-2-20 18:39:11 | 显示全部楼层 来自: 中国云南昆明
根据轴上键槽的尺寸可确定键的宽度和高度,这样就能确定轮毂的深度了。

评分

参与人数 1三维币 +2 收起 理由
洪哥 + 2 感谢帮助!

查看全部评分

发表于 2008-2-20 19:31:40 | 显示全部楼层 来自: 中国江苏常州
你到车间看看拉键槽就知道了
: p4 W6 m% u( }" Z4 a2 r. z, f+ X这个做个圆锥的套套在毂孔里面
& Y0 I  R- H' s( c" x拉刀是水平的.
! W) G/ P$ u3 w与到中心线的距离有关

评分

参与人数 1三维币 +3 收起 理由
洪哥 + 3 感谢帮助!

查看全部评分

发表于 2008-2-20 19:35:51 | 显示全部楼层 来自: 中国辽宁沈阳
不错,看了以后很长见识

评分

参与人数 1三维币 +1 收起 理由
洪哥 + 1 参与

查看全部评分

发表于 2008-2-20 21:25:56 | 显示全部楼层 来自: 中国山西太原

回复 1# 的帖子

锥孔的键槽宽度和深度,根据所用减速机样本给定的高速轴尺寸而确定。键槽顶面与轴孔中心线平行。

评分

参与人数 1三维币 +3 收起 理由
洪哥 + 3 感谢帮助!

查看全部评分

 楼主| 发表于 2008-2-21 08:30:26 | 显示全部楼层 来自: 中国山东济宁
毂上键槽顶到中心的距离可以查表所得吗?& P" U; Y  v* n
我加工的大端直径是50,键槽宽16,槽顶至轴心的距离经查表是29.3.: I5 K6 h% d" e6 Z3 ^/ }2 h
是不是这样呢?

评分

参与人数 1三维币 +3 收起 理由
洪哥 + 3 感谢帮助!

查看全部评分

发表于 2008-2-21 09:16:28 | 显示全部楼层 来自: 中国山西太原

回复 10# 的帖子

这是JZQ500减速机高速轴的配合孔,从样本上可查到键顶面至轴中心线的距离为 t1=28mm,槽顶至中心线的距离取28.3mm就可以了。

评分

参与人数 1三维币 +3 收起 理由
洪哥 + 3 感谢帮助!

查看全部评分

发表于 2008-2-21 09:48:42 | 显示全部楼层 来自: 中国上海
真是好资料啊!全面,内容丰富

评分

参与人数 1三维币 +4 收起 理由
洪哥 + 4 感谢帮助!

查看全部评分

发表于 2009-7-26 10:01:48 | 显示全部楼层 来自: 中国山西朔州
这种结构很快会被附图所代替:
+ f% p" O) G* b5 }; ]2 l因为图中的锥套在国内已是通用件了
4 ?  E$ d. z: K$ T/ }4 ]链轮,皮带轮,同步带轮原理一样的:
' W$ |, k+ O, c, E$ {5 l
! F- A4 r: O3 o8 i, }. b( q 马丁锥套链轮.JPG

评分

参与人数 1三维币 +4 收起 理由
洪哥 + 4 感谢帮助!

查看全部评分

头像被屏蔽
发表于 2009-7-26 14:34:23 | 显示全部楼层 来自: 中国辽宁丹东
提示: 作者被禁止或删除 内容自动屏蔽
发表于 2013-3-28 11:55:52 | 显示全部楼层 来自: 中国辽宁沈阳
非常感谢~~~~~~~~~~~~~~~
发表于 2013-3-29 02:49:04 | 显示全部楼层 来自: 中国湖南湘潭
本帖最后由 糍粑 于 2013-3-29 02:58 编辑
& `. g6 z2 d& h' m6 K
: D: I5 ~, r$ U5 Y" P' v8 F有与轴线平行的,也有与母线平行的,到具体的减速机要最好看厂家样本
5 v, S' f# a# z* K, _

评分

参与人数 1三维币 +2 收起 理由
洪哥 + 2 感谢帮助!

查看全部评分

发表回复
您需要登录后才可以回帖 登录 | 注册

本版积分规则


Licensed Copyright © 2016-2020 http://www.3dportal.cn/ All Rights Reserved 京 ICP备13008828号

小黑屋|手机版|Archiver|三维网 ( 京ICP备2023026364号-1 )

快速回复 返回顶部 返回列表