QQ登录

只需一步,快速开始

登录 | 注册 | 找回密码

三维网

 找回密码
 注册

QQ登录

只需一步,快速开始

展开

通知     

全站
8天前
查看: 1266|回复: 3
收起左侧

[求助] 缓冲器JHQ型的具体形状尺寸

[复制链接]
发表于 2008-2-29 18:01:37 | 显示全部楼层 |阅读模式 来自: 中国山东烟台

马上注册,结识高手,享用更多资源,轻松玩转三维网社区。

您需要 登录 才可以下载或查看,没有帐号?注册

x
请问一下,那位有缓冲器JHQ型的具体形状尺寸
发表于 2008-3-4 17:01:17 | 显示全部楼层 来自: 中国山东潍坊
找个缓冲器的样本看看就可以了
发表于 2008-3-4 17:30:52 | 显示全部楼层 来自: 中国山西长治
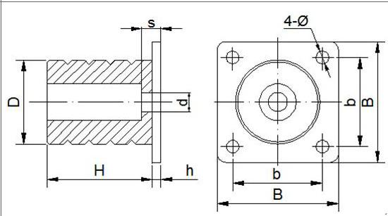
给你个型号你参考一下吧.
1.JPG
2.JPG

评分

参与人数 1三维币 +4 收起 理由
hero2006 + 4 应助

查看全部评分

 楼主| 发表于 2008-3-4 18:01:56 | 显示全部楼层 来自: 中国山东烟台
谢谢诸位的帮助,缓冲器的样本我有,不过照样本画出的三维图形过于难看,所以要求更仔细一些
发表回复
您需要登录后才可以回帖 登录 | 注册

本版积分规则


Licensed Copyright © 2016-2020 http://www.3dportal.cn/ All Rights Reserved 京 ICP备13008828号

小黑屋|手机版|Archiver|三维网 ( 京ICP备2023026364号-1 )

快速回复 返回顶部 返回列表