QQ登录

只需一步,快速开始

登录 | 注册 | 找回密码

三维网

 找回密码
 注册

QQ登录

只需一步,快速开始

展开

通知     

查看: 1731|回复: 3
收起左侧

[已解决] 金相分析

 关闭 [复制链接]
发表于 2008-3-5 13:41:18 | 显示全部楼层 |阅读模式 来自: 中国浙江嘉兴

马上注册,结识高手,享用更多资源,轻松玩转三维网社区。

您需要 登录 才可以下载或查看,没有帐号?注册

x
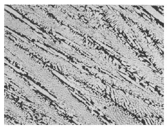
各位老师,我现在在看铁碳合金相图,有点看不懂了,特来请教:
' Q' Q6 M, }' U7 V3 `6 ~  D1.基体是Fe3C是什么意思啊,我怎么没有看出来呢?; [2 F7 h0 n. |: ]  g2 ^1 S
2.这个组织到底要怎么看呢,希望大家帮忙指教一下.
共晶白口铸铁组织.JPG
金相解释.jpg
发表于 2008-3-5 15:49:15 | 显示全部楼层 来自: 中国上海
碳化铁Fe3C。在冶金上称为渗碳体。为灰白色结晶粉末,相对密度为7.694,溶点为1837℃。不溶于水,溶于酸。. r& [5 i; U# @  T% X
; O+ g% P: a1 n% n
碳化铁是高温下形成的间隙化合物,碳—铁之间有很强的结合力,性能坚硬而脆。若生铁中的碳,主要以碳化铁形式存在,这种生铁的断面呈银白色。叫白口铁,通常用做炼钢的原料。若生铁中碳化铁已分解成游离状态的石墨,这种生铁断面为灰色,叫灰口铁。灰口铁有优良的切削加工性能,广泛用于机械制造。碳化铁可由铁粉渗碳来制得
- l4 s3 @: [% E; E+ I
3 z. K" y/ |8 D) Q) V2 ^铁素体的显微组织与纯铁相同,呈明亮的多边形晶粒组织,有时由于各晶粒位向不同,受腐蚀程度略有差异,因而稍显明暗不同。

评分

参与人数 1三维币 +3 收起 理由
tdragonfu + 3 技术讨论

查看全部评分

发表于 2008-3-5 15:54:21 | 显示全部楼层 来自: 中国湖南湘潭
基体是Fe3C是什么意思就是这个图的主体组织是Fe3C,就是除了黑色的珠光体以外基本上就是Fe3C,这个图的组织是Fe3C+p的混合物,叫变态莱氏体。你的金相解释已经很清楚了

评分

参与人数 1三维币 +2 收起 理由
tdragonfu + 2 技术讨论

查看全部评分

发表于 2008-3-5 20:53:08 | 显示全部楼层 来自: 中国河北唐山
呵呵,我来回答一下吧。一般的共晶组织都是两相相互交错(或者为条片交错,或者为块状)这时候任何一相都不能称之为基体,对于共晶白口铁,在共晶点处的组织应该为Fe3C与噶玛相的混合物,此时应为典型的共晶组织,两相相互交错,但是随着温度降低,噶玛相中的二次渗碳体析出,由于能量最低的原则,渗碳体会沿着原来Fe3C边界析出,这样会使噶玛相不断缩小,而Fe3C越来越多,尺寸也越来越大。直至共析点处剩余噶玛相转变成珠光体,这是看起来就应该是Fe3C基体上分布着渗碳体。其实可以通过杠杆定律计算一下室温下珠光体和Fe3C含量,就可以发现谁是基体了。不知道这样的解释是否能让你明白。

评分

参与人数 1三维币 +2 收起 理由
zhchh + 2 技术讨论

查看全部评分

发表回复
您需要登录后才可以回帖 登录 | 注册

本版积分规则


Licensed Copyright © 2016-2020 http://www.3dportal.cn/ All Rights Reserved 京 ICP备13008828号

小黑屋|手机版|Archiver|三维网 ( 京ICP备2023026364号-1 )

快速回复 返回顶部 返回列表