QQ登录

只需一步,快速开始

登录 | 注册 | 找回密码

三维网

 找回密码
 注册

QQ登录

只需一步,快速开始

展开

通知     

查看: 2689|回复: 7
收起左侧

[已答复] 关于法兰

[复制链接]
发表于 2008-3-6 10:37:49 | 显示全部楼层 |阅读模式 来自: 中国辽宁丹东

马上注册,结识高手,享用更多资源,轻松玩转三维网社区。

您需要 登录 才可以下载或查看,没有帐号?注册

x
请问,有人见过H9-67这个法兰吗?急,谢谢!
6 p" M- ?. o1 Z' H8 ^/ L* Z1 t9 ]' K0 X* S- q: a
[ 本帖最后由 zzpxp 于 2009-8-23 12:24 编辑 ]
发表于 2008-3-6 10:58:58 | 显示全部楼层 来自: 中国天津
这是化工部的标准:! h; Q. g5 f: P- F- ]7 p& w% g
H9-67 《高压管、管件紧固件通用设计》

评分

参与人数 1三维币 +2 收起 理由
liuhob + 2 应助

查看全部评分

发表于 2008-3-6 13:46:53 | 显示全部楼层 来自: 中国广东中山
我们以前好象做小氮肥时用过,很久了
发表于 2008-3-6 18:15:22 | 显示全部楼层 来自: 中国上海
在《石油化工装置工艺管道安装设计手册 第2篇 管道器材》中有。
  g" w* q/ R$ y" U# S8 T
) w& i, E: u: _, D# r4 N" n0 w' H# Fhttp://www.3dportal.cn/discuz/viewthread.php?tid=188874&highlight=%CA%AF%D3%CD%BB%AF%B9%A4%D7%B0%D6%C3%B9%A4%D2%D5%B9%DC%B5%C0%B0%B2%D7%B0%C9%E8%BC%C6%CA%D6%B2%E1( O3 e" }8 \# t: b
. r$ o( m+ R3 a. V# y. \' `
[ 本帖最后由 lhf999 于 2008-3-6 18:16 编辑 ]
H9-67-1.JPG
H9-67-2.JPG
H9-67-3.JPG

评分

参与人数 1三维币 +5 收起 理由
liuhob + 5 应助

查看全部评分

发表于 2008-3-12 08:23:04 | 显示全部楼层 来自: 中国湖南岳阳
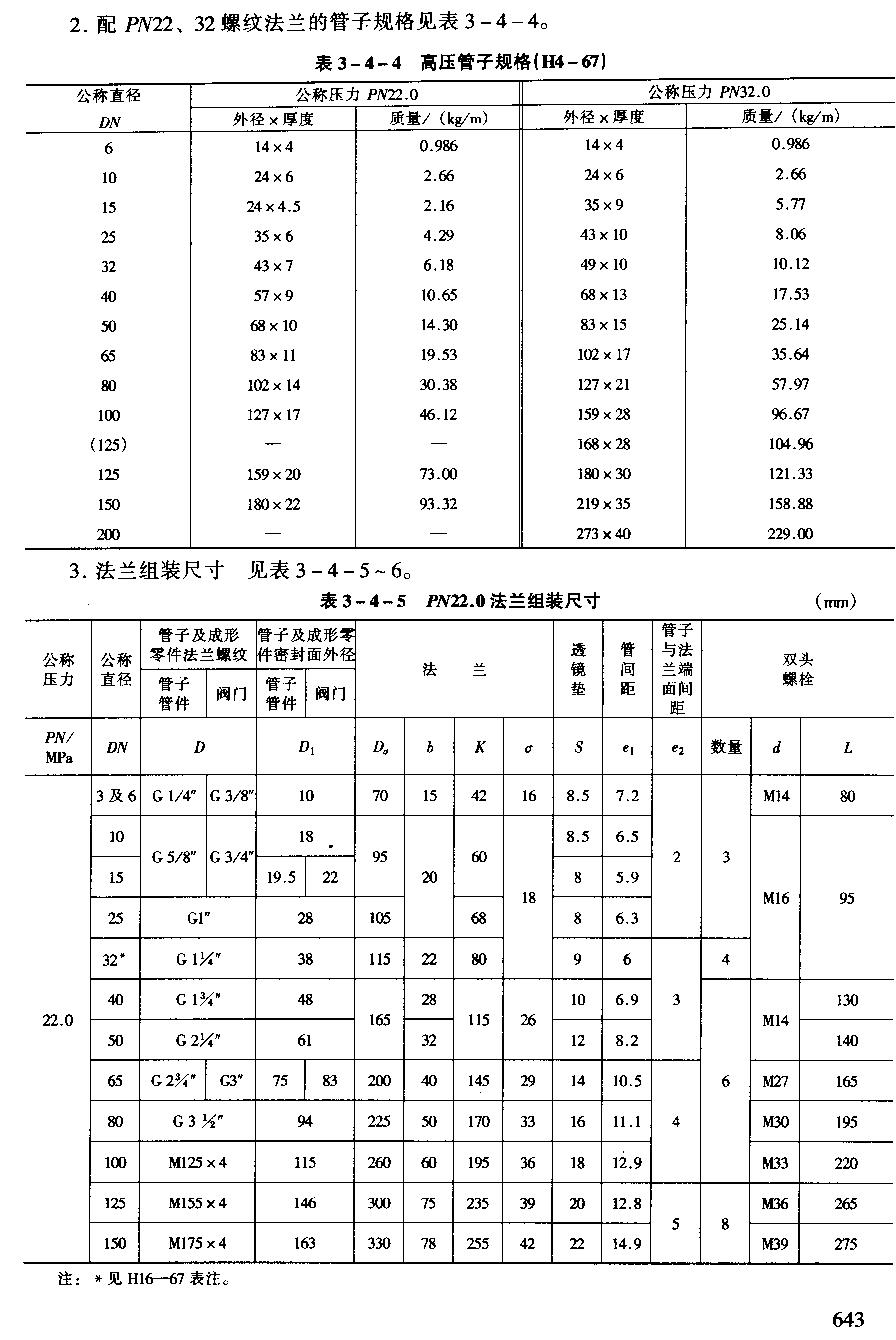
红皮书上面有呀,石油化工设计手册 -- 管道器材  第641页
发表于 2008-3-25 23:42:13 | 显示全部楼层 来自: 中国湖北武汉
此系化工高压法兰
发表于 2008-3-26 00:11:51 | 显示全部楼层 来自: 中国安徽合肥
现在有JB的新标准了JB2773 -JB2776: T8 B& R) `# m. q, L. {
JB2769-1992pN16.0~32.0 MPa 螺纹法兰
" W/ |5 K: ^3 p. X5 H9 |; W! P
9 j! ]% q( ^. ^6 f' v[ 本帖最后由 xiaol_1 于 2008-3-26 00:17 编辑 ]
发表于 2008-4-22 16:31:06 | 显示全部楼层 来自: 中国北京
仔细核对一下,化工HG,机械JB,国标GB法兰尺寸是不一样的
发表回复
您需要登录后才可以回帖 登录 | 注册

本版积分规则


Licensed Copyright © 2016-2020 http://www.3dportal.cn/ All Rights Reserved 京 ICP备13008828号

小黑屋|手机版|Archiver|三维网 ( 京ICP备2023026364号-1 )

快速回复 返回顶部 返回列表